Перейти к публикации

Рекомендованные сообщения

Опубликовано: (изменено)
25 минут назад, =2ndss=SAMARA- сказал:

Умные, дружок, не умничают... На надо хамить, лучше умные книжки почитай... А то что написано (НЕ - фугасный) не о чем не говорит... Возможно для простоты выбора.

 

Итак, возвращаемся к моему вопросу. Можно ли добавить на Миг3 другую раскладку, как на Ла5? Надеюсь, теперь вы мне сможете по умному объяснить. Почитав, видимо, книжки. Такую же, как на ла5 с HE (для простоты выбоа, я ее называю фугас, einverstanden?).

Изменено пользователем Norz
Опубликовано: (изменено)
7 минут назад, Norz сказал:

Можно ли добавить на Миг3 другую раскладку?

Этот вопрос подробно обсуждался в разделе данного форума:Обучение и руководства = >Техника союзников= >Миг-3.

3 часа назад, R_Krabs сказал:

Объяснения выше были про угловые размеры и видимость на дистанциях >>5 км

Угловые размеры не привязаны к какой-то определённой дистанции: это может быть и 5км, и 1км, и 25см от глаз до монитора.

 

3 часа назад, R_Krabs сказал:

объект размером с Fw 190

Имеет значение не только размер, а и ракурс на цель. В обсуждаемом скриншоте фока находится строго в анфас, виден только её кок, кроме того "накладывается" стробоскопическиёй эффект от вращающегося винта.

Изменено пользователем Skin
Опубликовано:

ТАНКОВЫЕ ОШИБКИ ПАТЧА 3.201.

Уважаемые разработчики!

Просьба к вам:

ПОЖАЛУЙСТА!  Изучите, наконец, внимательно руководство по танку Т-34-76, который вы моделируете. Если что-то непонятно в описаниях, рисунках и чертежах – спросите!

Поскольку, в дополнение к ранее описываемым (и не исправленным до сих пор!) ошибкам в реализации танковых моделей добавились следующие:

 

Ошибка № 1. Лишение возможности ведения огня для командира танка Т-34 из пушки и пулемета при открытом люке.

Мотивировка, как я понимаю, была следующая: если в Т-34-76 командир совмещает обязанности и командира и наводчика орудия, а основная система дистанционных спусков пушки и пулемета у него «ножная» - то высунувшись из люка (по-походному)  он, якобы, не может произвести выстрел, поскольку в этом положении не достает ногами до соответствующих педалей.

На первый взгляд, все верно, поскольку основным способом ведения огня из пушки и пулемета являются ножные педальные приводы дистанционного управления спусками:

 

1.thumb.jpg.e574256540a2640737926d765f8e8aef.jpg

2.jpg.bed0004c1adaef972d04186ae63d2157.jpg

 

Однако. 

Смотрим, как было на самом деле.

Источники информации:

00.jpg.2c53367bb38affc00f1e945df0114445.jpg

 

Помимо ножного дистанционного привода спусков пушки и спаренного пулемета в Т-34-76 имелись:

- основной механический спуск пушки (слева на казенной части пушки, доступный командиру, в том числе - для нажатия ногой из положения "по-походному") :

3.jpg.558e591cffb446debb23ad798f6755dd.jpg

На данной картинке, взятой из Руководства механический спуск пушки обозначен номером 14.

 

Вот более доступный для восприятия цветной рисунок:

4.jpg.66e889cf6c6b42728bdfff418e49d836.jpg

 

Таким образом, командир, находясь в положении «по-походному», т.е. высунувшись из люка, мог нажать ногой механический спуск пушки и произвести из нее выстрел.

 

 

Также имелся механический спуск спаренного пулемета ДТ (спусковой крючок непосредственно на пулемете, доступный заряжающему),

11.jpg.31f247b703b1eaa123f10863fa03a2b2.jpg

...на который вела механическая тяга (тросик) от правой педали спуска командира:

9.jpg.34928fbebd748412ed7d239c5bf22924.jpg

Для производства стрельбы из спаренного ДТ, командир, находясь  положении "по-походному", мог подать команду заряжающему на ведение огня из пулемета с использованием ручного спуска.

 

Кстати, такой способ сведения огня, когда прицеливание осуществлял один член экипажа, а непосредственно на спуск нажимал другой член экипажа применялся (и применяется в настоящее время) при выходе из строя системы дистанционного спуска пулемета. Осуществляется он по команде «Заряжающий! Пулемет, длинными (короткими) огонь!».

 

В качестве справки:

Вообще пулемет в спаренной с пушкой установке в танке Т-34-76 крепился при помощи  шарового крепления, что позволяло заряжающему (при расстопорении пулемета) самостоятельно вести из него прицельный огонь в некоторых пределах горизонтального и вертикального секторов, несовпадающих с осью (линией прицеливания) пушки.

 

Таким образом, внесение соответствующего изменения в патче  3.201, ограничивающего возможности по ведению огня из пушки и спаренного пулемета ДТ танка Т-34, является необоснованным.

 

Предложения:

1.       Вернуть возможность ведения огня из пушки и спаренного пулемета ДТ для командира Т-34-76 из положения «по-походному».

2.       Возможно, добавить отдельную кнопку управления для ведения огня из спаренного пулемета ДТ командиром из положения «по-походному» в качестве имитации подачи команды командиром заряжающему «Заряжающий! Пулемет, длинными (короткими) огонь!».

  • Нравится 2
  • Спасибо! 1
  • ХА-ХА 1
  • Поддерживаю! 5
Опубликовано:
14 минут назад, Skin сказал:

Этот вопрос подробно обсуждался в разделе данного форума:Обучение и руководства = >Техника союзников= >Миг-3.

 

Пруф про "подробно" в студию. Или вы про пост, что шваки без трассеров были в 1941? Еще раз читаем, что я спросил

 

"Я бы от 100% фугасной набивки (как на ла5) не отказался бы. Я наверно пропустил, почему нельзя добавить такую "лочку" в игру, для онлайн проектов?"

 

Я на ТАВе в 1942 году от такой раскладки бы не отказался. 

 

 

Опубликовано: (изменено)
33 минуты назад, Norz сказал:

 

Итак, возвращаемся к моему вопросу. Можно ли добавить на Миг3 другую раскладку, как на Ла5? Надеюсь, теперь вы мне сможете по умному объяснить. Почитав, видимо, книжки. Такую же, как на ла5 с HE (для простоты выбоа, я ее называю фугас, einverstanden?).

Выбор в игре - это желания разработчиков. Все варианты они устанавливают сами. Обычный стандарт для Миг-3 сер. 34 ОФС(ОЗ) и БЗ. Мое мнение, возможно это не ошибка разработчика, а вариация на его выбор и взгляд

Изменено пользователем =2ndss=SAMARA-
Опубликовано:
1 минуту назад, =2ndss=SAMARA- сказал:

Выбор в игре - это желания разработчиков. Все варианты они устанавливают сами. Обычный стандарт для Миг-3 сер. 34 ОФС(ОЗ) и БЗ. Мое мнение, возможно это не ошибка разработчика, а вариация на его выбор и взгляд

 

У меня нет сомнений, что это не ошибка. Но, почему бы, для разнообразия геймлея, не добавить? 

Опубликовано:

Ошибка № 2. Автоматический возврат башни танка Т-34 в положение, соответствующее направлению продольной оси машины при занятии командиром танка  положения «по-походному» (высунувшись из люка).

 

Описание ошибки:

При открывании башенного люка и занятии командиром танка положения «по-походному», башня танка Т-34 после патча 3.201 самостоятельно поворачивается в положение, соответствующее продольной оси корпуса машины. Пушка так же автоматически занимает положение в ноль градусов возвышения (склонения).

 

Как должно быть:

           Командир машины осуществляет поворот башни и ведет наблюдение изнутри машины через приборы наблюдения и прицеливания («боевое» положение), либо при открытом люке, высунувшись из него (положение «по-походному»), в зависимости от складывающейся обстановки!

           Командир танка Т-34 в ходе боя (марша), или на остановке имел возможность занять положение «по-походному» (вылезти из люка) при любом положении башни (при различных углах ее поворота относительно продольной оси машины), а также при любых углах возвышения (склонения) пушки.

           При этом, направление (угол поворота) башни и углы возвышения (склонения) пушки должны оставаться в таком же положении, в каком их оставил командир, отпуская механизмы поворота башни и наведения пушки по вертикали при покидании рабочего места. После того, как он отпустил органы управления их просто некому поворачивать в положение параллельное продольной оси машины!

           При возвращении командира в «боевое» положение, направление ствола пушки (угол поворота башни относительно продольной оси машины) должно соответствовать тому, которое он оставил, принимая положение «по-походному».

 

Предложение:

Внести исправление в модель танка, сохраняющее угол поворота башни и угол возвышения (склонения) пушки при занятии командиром положения «по-походному», а также при возвращении его в «боевое» положение.

 

 

  • Нравится 1
  • Поддерживаю! 4
Опубликовано: (изменено)
1 час назад, BRZ513 сказал:

Петрович, а не пробовали вот так считать? В рамках игры должно быть норм. 

Т.е. не по единичному максимальному пятну, а по суммарной площади проекции. В общем, это натяжение совы на глобус, но это слегка компенсирует то, что в жизни зрачок "дрожит". /Т.е. сканирует область на которой сосредоточен взгляд получая не статическую картинку, а мегатонну снимков одного и того же пространства и мозг анализируя данные из этих "сканов" делает вычленение важной (интересующей) информации.

Далее... Светочувствительность клеток сетчатки глаза ЗНАЧИТЕЛЬНО выше любой светопринимающей матрицы, любого современного фотоаппарата. Соответственно глаз может воспринимать гораздо менее контрастные объекты, чем считывание с матрицы монитора. И на это тоже нужно сделать поправку. Ни один монитор не даст пиксель сопоставимый по градации свечения со светочувствительными колбочками глазного дна. В общем, в игре должно быть видно лучше чем в жизни. А вот на сколько? Я посчитать не могу. Это надо тупо балансить руками, до играбельного состояния. 

p.s. недовольные будут в 100% случаев.

yak7b.jpg.440bec2f2253012d9c69fb853910010c.thumb.jpg.b994a7606fb68a082f5508e3f0055acc.jpg

С вашего непозволения, все ж вычленил самое интересно-важное.  

 

"Т.е. не по единичному максимальному пятну, а по суммарной площади проекции".  - это как раз относимо к выше приведенным доводам, о "рядом стоящих точках", и возможности их либо сливаться, либо различаться от иного фона. 

 

Абсолютно поддерживаю тезис, что всегда нужно искать компромисс (игра - таки) между "научно обоснованными угловыми размерами"  и   здравым смыслом.


кхм. При этом поддерживаюсь той точки зрения, что НЕ нужно повышать максимальную видимость самолетов, в отличии от той, которая была До последнего патча.

 

Изменено пользователем Angriff
Опубликовано: (изменено)

Хорошая обнова. Аж захотелось вернуться ) Не знаю как дела обстоят в реале с перегрузками, но играть стало интереснее. Теперь нужно больше продумывать маневры, а не надеяться на триммера с закрылками ). В целом впечатления положительные. Но. Т.к. я являюсь счастливым обладателем VR, то есть несколько вопросов:

1) Есть ли возможность сделать вывод картинки на экран не для двух глаз, а для одного? Т.к. в других играх есть возможность выбора, а тут нету. Приходится для записи видео устраивать танцы с бубнами, дополнительно напрягая комп левыми прогами и теряя драгоценные фпс.

2) Сейчас голова в VR намертво привязана к самому самолету. Т.е. при перегрузках и маневрах смещения взгляда относительно конструкции самолета не происходит. Это безумно удобно для стрельбы, но не реалистично. А так же сильно напрягает при рулении, т.к. зрение привязывается не к линии горизонта, а к конструкции самолета, и все его прыжки на кочках отражаются на моем вестибулярном аппарате ). Отсюда вопрос - будут ли вестись какие либо работы в этом направлении, чтобы было ощущение, что самолет и пилот это отдельные части? ).

3) Планируется ли дать пользователю в распоряжение больше графических настроек? Т.к. сейчас как пользователь VR, я испытываю неудобства. Хочется подогнать оптимально красивую картинку, под хороший фпс. Но сейчас это невозможно... Если я выставлю пресет "низкие", то низким становится все, включая облака, хотя для облаков отдельно включена опция "высокое качество". Но на средних и низких пресетах качество облаков неприемлемо для VR, они уродливы и от  них "укачивает" (((. Хотелось бы отдельно иметь возможность настроить игру под свою систему.

4) Будет (или может уже есть, а я не знаю) возможность для пользователей VR пользоваться турельной установкой По-2? ) Сейчас если пересесть на место стрелка, то появляешься лицом в сторону полета, а турельная установка за спиной. Если взять управление турелью, то чтобы посмотреть в прицел, приходится физически поворачиваться спиной к монитору, что дико неудобно, если учесть что клавиатура, мышь и джойстик остаются за спиной )).

5) КРИК ДУШИ! ))) Верните возможность висеть под куполом парашюта от первого лицаааа!!! Пжалста! ).

 

И это, у вас покойники исчезают! ) Если убить пилота или стрелка, то они дематериализуются через небольшой отрезок времени. Замечал на разных типах самолетов. Если это сделано с целью оптимизации, то идея нехорошая, т.к. убивает погружение в игру. Кстати отсутствие дыма после падения самолета так же негативно сказывается на реализме и погружении ;) 

 

 

Изменено пользователем Bionic
  • Поддерживаю! 1
Опубликовано:
13 минут назад, Bionic сказал:

Не знаю как дела обстоят в реале с перегрузками,

если откровенно то иначе (делаем скидку что это игра) по крайней мере 3-5 сек можно управлять самолетом до того как полностью отключился. (это факт испытано на себе и не только ), но Не факт что   отключение зрения может влиять на двигательные рефлексы, этом даже в Викентии начЁртано (https://ru.wikipedia.org/wiki/Обморок_при_перегрузках), не говоря уже о исследованиях НИИ ВВС СССР.

Опубликовано: (изменено)

Уважаемые разработчики, подскажите пожалуйста как (при новой видимости) я должен определять, хотя бы примерное расстояние до дальнего контакта??? И что мне нужно сделать, что бы при приближении, контакт на моем экране увеличивался а не уменьшался или вовсе не пропадал??? Я думаю, тот "замечательный" человек, который пилил новую видимость, в моей любимой игре, должен знать ответ на этот вопрос?

Андрей Петрович, узнайте пожалуйста. Вы же давали правильные, развернутые ответы, на счет видимости в жизни. Задайте этому человеку мой вопросы. Пусть он ответит за то что натворил в игре.

Жду ответа. 

За раннее благодарен.

Изменено пользователем 72AGs_Zanozza
  • Нравится 1
  • Поддерживаю! 6
Опубликовано:
1 минуту назад, 72AGs_Zanozza сказал:

Уважаемые разработчики, подскажите пожалуйста как (при новой видимости) я должен определять, хотя бы примерное расстояние до дальнего контакта??? И что мне нужно сделать, что бы при приближении, контакт на моем экране увеличивался а не уменьшался или вовсе не пропадал??? Я думаю, тот "замечательный" человек который пилил новую видимость, в моей любимой игре, должен знать ответ на этот вопрос?

Андрей Петрович, узнайте пожалуйста. Вы же давали правильные, развернутые ответы, на счет видимости в жизни. Задайте этому человеку мой вопросы. Пусть он ответит за то что натворил в игре.

Жду ответа. 

За раннее благодарен.

Да, в даль видно, потом некая дистанция не видно вообще, нету, хоть нацарапай метку на мониторе, и потом еще ближе уже видно опять кон. Короче есть дистанция, где не видно кон вообще и она, дистанция, не самая большая из спектра видимости, ну и дальние коны которые  видны, но дистанцию не понять, моник 1080. Главная проблема то что коны пропадают. Сверх дальние коны можно сделать серенькими, что давало бы понимание, что это затык-маркер

Опубликовано: (изменено)
37 минут назад, Cbl4 сказал:

если откровенно то иначе (делаем скидку что это игра) по крайней мере 3-5 сек можно управлять самолетом до того как полностью отключился. (это факт испытано на себе и не только ), но Не факт что   отключение зрения может влиять на двигательные рефлексы, этом даже в Викентии начЁртано (https://ru.wikipedia.org/wiki/Обморок_при_перегрузках), не говоря уже о исследованиях НИИ ВВС СССР.

забыл упомянут за 3 сек можно выровнять самолет в горизонт или поднять/опустить  нос для облегчения перегрузки но это делается на потере периферического зрения при сохранении центрального зрения (в запасе еще два этапа 10-15-17 сек)

Изменено пользователем Cbl4
  • Спасибо! 1
Опубликовано:
33 минуты назад, =M=PiloT сказал:

Да, в даль видно, потом некая дистанция не видно вообще, нету, хоть нацарапай метку на мониторе, и потом еще ближе уже видно опять кон. Короче есть дистанция, где не видно кон вообще и она, дистанция, не самая большая из спектра видимости, ну и дальние коны которые  видны, но дистанцию не понять, моник 1080. Главная проблема то что коны пропадают. Сверх дальние коны можно сделать серенькими, что давало бы понимание, что это затык-маркер

Ааа, так вот оно что... А о я не пойму, вроде вижу кон, приближаюсь и вроде он растет, а потом как будто бы тает. Подумал, ну может это просто глюк и самолет исчез. Развернулся смотрю назад, а кон опять появился и уменьшается, ну я еще раз развернулся и поять 25... Вышел из игры, подумал глюк, а это оказывается новая видимость. Буду знать ). Хотя эти знания много не дадут. Фиксить эту хрень нужно. 

Опубликовано:
2 hours ago, Skin said:

Этот вопрос подробно обсуждался в разделе данного форума:Обучение и руководства = >Техника союзников= >Миг-3.

Угловые размеры не привязаны к какой-то определённой дистанции: это может быть и 5км, и 1км, и 25см от глаз до монитора.

 

Имеет значение не только размер, а и ракурс на цель. В обсуждаемом скриншоте фока находится строго в анфас, виден только её кок, кроме того "накладывается" стробоскопическиёй эффект от вращающегося винта.

Угловые размеры одного и того же объекта с одного и того же ракурса прямо и непосредственно зависят от расстояния до него.
Наибольший диаметр фюзеляжа Fw 190 примерно 1,3 м, дистанция до него на моём скриншоте - 1030м. arcsin(1,3/1030)= 0,072 рад = 4.14 градуса = 248,6 угловых минут.
Из этого следует, что Fw 190 на расстоянии километр во фронтальной проекции отчётливо виден, и на пару-тройку пикселей никак не похож.
Что же до "стробоскопического эффекта от винта" - каким образом он может повлиять на видимость самолёта? Не говоря уже о том, что все номальные люди на дальних LOD'ах винтового самолёта изображают пропеллер полупрозрачным кругом и, соответственно, никакой анимации движения лопастей (и стробоскопического эффекта) не имеют.

Опубликовано:

Ошибка № 3. В пункте 76 анонса версии 3.201 сказано:

«На управляемых танках изменен принцип указания направления орудия на тот, который был ранее применен на танке M4A2».

 

Описание ошибки:

В результате этого решения принцип наведения американского танка был механистически (то есть – без всякого обоснования!) перенесен на советские и немецкие танки.

 

Считаю, что такое решение резко ухудшило игру.

В патче 3.201 реализован принцип наведения орудия - управления башней (при помощи мыши), который создает зависимость на скорость и направление поворота башни (в горизонтальной плоскости) от движения мыши в вертикальной плоскости, что является в корне не верным для советских танков!

При использовании данного способа скорость и направление поворота башни неадекватны историческим реалиям, а также (зачастую!) желаниям и действиям пользователя. Очень часто пользователь в роли командира (наводчика) хочет повернуть башню вправо и одновременно поднять пушку вверх, однако, происходит поворот башни влево, причем на максимальной скорости с практически не изменяемым углом склонения/возвышения. Т.е - от движения мышки вверх/вниз зависит скорость (и направление) поворота башни.

 

Как было на самом деле:

В реальности в советских танках никакой связи между горизонтальным (поворот башни) и вертикальным (угол склонения/возвышения) наведением пушки не существовало в принципе.

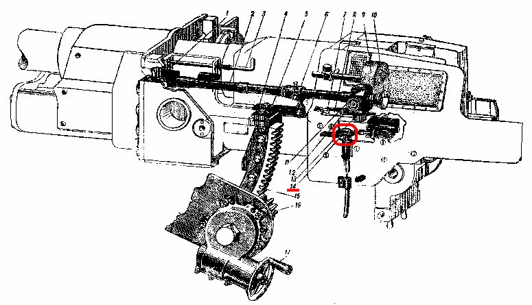
Так, например, на танках Т-34-76 поворот башни (наведение в горизонтальной плоскости) осуществлялся вот таким устройством:

8.jpg.a39e038b0c5c11e9262aad5ac7770813.jpg

 

Это поворотный механизм башни (электромеханический редуктор), который был никак не был связан с механизмом вертикального наведения пушки.

От слова «совсем»!

 

На этой фотографии поворотный механизм башни обведен красным:

7.thumb.jpg.5c08452520077fe08f3d51579c716b44.jpg

Вот его вид сверху, (извините за состояние танка):

12.thumb.jpg.f8d931e3e6ad4d55c26480f7266b982b.jpg

 

Вот его чертеж:

 

15.thumb.jpg.9959b30024e41fe2fa5b29b31e2ae57f.jpg

 

14.thumb.jpg.9d0cd4d5085599bdc816fa5f47752343.jpg

 

Управление поворотом башни на Т-34-76 осуществлялось в двух режимах – электрическом и механическом (ручном). Электрический способ (с использованием электрического двигателя и реостата) обеспечивал три скорости вращения башни в каждую сторону. Управление двигателем производилось посредством поворота маховика контроллера (при нажатой кнопке 46). Контроллер реостата имел три положения, соответствовавших трём скоростям вращения башни, имевшим следующие значения:

 

Показатели вращения башни с использованием электрического привода:

Положение контроллера

Скорость вращения вала

(об/мин)

Скорость вращения башни (град/сек)

Время поворота башни на 360 градусов

1

2,1

6

60 с

2

3,61

10,3

35 с

3

4,2

30

12 с

 

 

Поворот башни в ручном режиме обеспечивался вращением маховика ручного привода (25) после отпускания кнопки, обозначенной на чертеже цифрой 46. Скорость поворота башни в ручном режиме обеспечивала максимальную скорость вращения в пределах 10-15 град/сек.

Основным способом наведения являлся электрический.

Электрический привод обеспечивал вращение башни как при работающем двигателе (питание электродвигателя от основного генератора), так и при выключенном двигателе (питание от АКБ).

Как показывает практика, при питании от полностью заряженных аккумуляторов их заряда хватает на 4-5 проворотов башни на 360 градусов на максимальной (третьей) скорости контроллера. Правда, после таких "прогонов" на заводку танка электрическим стартером остается не более одной попытки.

 

А вот наведение пушки в вертикальной плоскости осуществлялось только вручную, т.е - вращением маховика механизма наведения пушки по вертикали:

При этом никакой связи с поворотным механизмом башни у этого привода не было.

 

Предложение:

В области управления наведением пушки и спаренного с ней пулемета ДТ на советских танках вернуть способ, который был использован до патча 3.201, как более адекватный историческим реалиям. Т.е. – движения мыши вверх/вниз (вперед/назад) и их амплитуда должны влиять только на угол склонения/возвышения пушки и скорость его изменения, а движения мыши вправо/влево и их амплитуда должны обеспечивать только поворот башни (и его скорость) в горизонтальной плоскости.

 

  • Нравится 3
  • Поддерживаю! 7
Опубликовано:
1 minute ago, Skv_Atochi said:

Что за новая обнова? Что там поправили?

Новые самолёты для Боданого Плато, новые звуки, несколько (не намного) менее дубовый ИИ, маркеры, не просвечивающие сквозь самолёт, новый алгоритм управления башней и пушкой в танках (от которого у танкистов горит и полыхает), новая система прорисовки конов в авиации, из за которой на расстоянии видно всё, а вблизи - ничего (её уже откатывали туда сюда, я даже несколько сбился насчёт того, в каком она состоянии). А вообще - вот.

Опубликовано:
1 час назад, =M=PiloT сказал:

Да, в даль видно, потом некая дистанция не видно вообще, нету, хоть нацарапай метку на мониторе, и потом еще ближе уже видно опять кон. Короче есть дистанция, где не видно кон вообще и она, дистанция, не самая большая из спектра видимости, ну и дальние коны которые  видны, но дистанцию не понять, моник 1080. Главная проблема то что коны пропадают. Сверх дальние коны можно сделать серенькими, что давало бы понимание, что это затык-маркер

Вообще сама задумка с видимостью благая, в некотором раскладе очень все хорошо, если не нарваться на вот этот вот провал на зуме.

Опубликовано:

Простой редактор я на Як против  ботов мессеров ( боты АСы)  после нескольких кругов  эти боты пикируют в землю..?.мдя..перегруз у них в мозгах... такого еще никогда не было...?

 

Опубликовано:
3 часа назад, BOPOH625 сказал:

ТАНКОВЫЕ ОШИБКИ ПАТЧА 3.201

Синей стороне тоже нужен такой наныватель, чтобы трехэтажным жирным шрифтом за немецкие танки топил:biggrin: 

  • ХА-ХА 1
Опубликовано:
7 минут назад, Vanka-Vstanka сказал:

Простой редактор я на Як против  ботов мессеров ( боты АСы)  после нескольких кругов  эти боты пикируют в землю..?.мдя..перегруз у них в мозгах... такого еще никогда не было...?

 

Встречная ситуация ; в режиме ''карьера'' на Як-1 пытаюсь виражить с Bf-109E..и в результате у меня уже всё темнеет(в глазах+хрипы)а мессер как виражил так и виражит и быстро собака заходит в хвост...это как ??? Причём, предполагая что дальность результативного огня ~ 300-400 м  получаю огонь и попадания уже с 600м и в результате радиатор пробит - выхожу из боя и ползу домой...Нет сама атмосфера боёв(а я под Сталинградом..ага)когда...их восемь ..нас двое..вполне ...вериться что так оно и было..но...В общем ни на Ла-5 (ни на тем более Як-1) воевать на равных даже с Bf-109F6(а тем более Bf-109G) не получается..уходят как от стоячего..а Миг-3 уже в БЗС нет...

Опубликовано:
13 минут назад, Vanka-Vstanka сказал:

Простой редактор я на Як против  ботов мессеров ( боты АСы)  после нескольких кругов  эти боты пикируют в землю..?.мдя..перегруз у них в мозгах... такого еще никогда не было...?

 

Боты и в карьере втыкаются в землю,и давно.Забавно получается,когда заканчивается БК,садишься последнему плотно на хвост и гоняешь его.Повиражив он стопудово втыкается в землю.

Опубликовано:
4 минуты назад, adds сказал:

Синей стороне тоже нужен такой наныватель, чтобы трехэтажным жирным шрифтом за немецкие танки топил:biggrin: 

Есть и такие. 

По фактической стороне вопроса есть что возразить?

Опубликовано: (изменено)
2 минуты назад, BOPOH625 сказал:

По фактической стороне вопроса есть что возразить?

А ты хочешь со мной поспорить? Я ж не разработчик:biggrin:

Изменено пользователем adds
Опубликовано: (изменено)
5 часов назад, Angriff сказал:

А кто хочет контакты видеть с 30 км  -  сделайте для ОФ-лайна опцию, пусть народ сами с собой забавятся ) это их право...

Уже сделали. Так никто и не заметил новую настройку?

См. спойлер.

Скрытый текст

видимость1.jpg

 

Изменено пользователем Kirill
  • ХА-ХА 1
Опубликовано:
49 минут назад, R_Krabs сказал:

Новые самолёты для Боданого Плато, новые звуки, несколько (не намного) менее дубовый ИИ, маркеры, не просвечивающие сквозь самолёт, новый алгоритм управления башней и пушкой в танках (от которого у танкистов горит и полыхает), новая система прорисовки конов в авиации, из за которой на расстоянии видно всё, а вблизи - ничего (её уже откатывали туда сюда, я даже несколько сбился насчёт того, в каком она состоянии). А вообще - вот.

Спасибо! Об этом я знаю. Вот только что было какое-то новое обновление, небольшое! Я про это))

Опубликовано:
6 minutes ago, Skv_Atochi said:

Спасибо! Об этом я знаю. Вот только что было какое-то новое обновление, небольшое! Я про это))

А, я неправильно понял, сорри :) Было какое-то обновлениие? У меня сегодня никаких обновлений не качалось...

Опубликовано: (изменено)
37 minutes ago, WapentakeLokki said:

Встречная ситуация ; в режиме ''карьера'' на Як-1 пытаюсь виражить с Bf-109E..и в результате у меня уже всё темнеет(в глазах+хрипы)а мессер как виражил так и виражит и быстро собака заходит в хвост...это как ??? Причём, предполагая что дальность результативного огня ~ 300-400 м  получаю огонь и попадания уже с 600м и в результате радиатор пробит - выхожу из боя и ползу домой...Нет сама атмосфера боёв(а я под Сталинградом..ага)когда...их восемь ..нас двое..вполне ...вериться что так оно и было..но...В общем ни на Ла-5 (ни на тем более Як-1) воевать на равных даже с Bf-109F6(а тем более Bf-109G) не получается..уходят как от стоячего..а Миг-3 уже в БЗС нет...

 

Вполне реалистичная картина

 

 

 

Изменено пользователем [HTS]MadFather
Опубликовано:
21 час назад, AnPetrovich сказал:

 

Здесь ошибка в том, что выделено жирным шрифтом.

 

Мессер видно не по причине его размаха, а по причине ширины хорды (при ракурсе "в плане"). Точно так же, как (повторюсь) провод видно или не видно не из-за его длины, а из-за его толщины. Ну или, если приводить пример ближе к самолётам - то трубу на горизонте видно или не видно не из-за её высоты, а из-за её ширины. Из зрительного восприятия объект выпадает по своей узкой стороне, а не по широкой.

 

И тогда 40 км посчитанные по размаху - чудесным образом превращаются в те же  ~10 км, посчитанные по хорде.

Петрович,а нельзя сделать так,чтоб самолет имел адекватные размеры в зависимости от дистанции а не выглядел одинаково как на 3 км так и на 6 ? Просто весь этот ,ваш пост только в этом случае был бы актуален.

 

  • Поддерживаю! 1
Опубликовано:
34 минуты назад, Kirill сказал:

Уже сделали. Так никто и не заметил новую настройку?

См. спойлер.

  Показать содержимое

видимость1.jpg

 

 

Kirill, если ввести в поиск "альтернатива paint", можно для себя открыть целый новый мир. Рекомендую.

Опубликовано:

Подскажите, пожалуйста. Почему скачка обновления не прекращается по достижении порога, а продолжается? Я ее прерываю, запускаю лаунчер заново, и скачивается новый объем обновления, и опять же не останавливается пока я его не прекращу. В итоге, не могу скачать уже в течении долгого периода времени.

 

Опубликовано:
11 минут назад, Norz сказал:

 

Kirill, если ввести в поиск "альтернатива paint", можно для себя открыть целый новый мир. Рекомендую.

Если вы откроете игру и посмотрите внимательно, то увидите это и никакого пэйнта для этого не понадобится. 

Игру обновляли?

Опубликовано:
3 минуты назад, Kirill сказал:

Если вы откроете игру и посмотрите внимательно, то увидите это и никакого пэйнта для этого не понадобится. 

Игру обновляли?

 

Да

Опубликовано:
10 минут назад, Norz сказал:

 

Да

Ну так смотрите внимательно. Там эта настройка должна быть.

Опубликовано:
2 часа назад, R_Krabs сказал:

Угловые размеры......

У Вас не только с математикой плохо, а с элементарным пространственным воображением. Вы серьёзно считаете, что объект размером 1м на расстоянии в 1км будет иметь угловой размер 4 градуса?:clapping:

Опубликовано:

Сегодня ещё раз потестил. В некоторых утверждениях ошибался. Видимость понравилась.ишачок просто зверь.фпс бы поднять .

Опубликовано:
27 минут назад, Kirill сказал:

Там эта настройка должна быть.

Кстати  странно,   нет такой настройки , версия игры вроде последняя 3.201С.

"Альтернативная видимость" есть, а вот этого,  как на твоем  скине  с 20-30 км - нет.

Опубликовано:
14 минут назад, Slon17 сказал:

Кстати  странно,   нет такой настройки , версия игры вроде последняя 3.201С.

"Альтернативная видимость" есть, а вот этого,  как на твоем  скине  с 20-30 км - нет.

 

Kirill только осваивает 2д редакторы. Надо дать человеку время.

  • ХА-ХА 1
Опубликовано:

А ну да , это для  Чака Ягера же индивидуально. )  А я повелся.

Гость
Эта тема закрыта для публикации сообщений.
×
×
  • Создать...