Vumpel18 Опубликовано: 29 октября 2018 Опубликовано: 29 октября 2018 3 часа назад, Johnet сказал: Сухарики для крепления рукоятки должны быть в комплекте? Нет.
Johnet Опубликовано: 30 октября 2018 Опубликовано: 30 октября 2018 Сразу еще вопрос народился. В ручке на кабеле подключения к базе цвета правильные?: Красный - + Черный - 0 Желтый - сигнал?
Johnet Опубликовано: 30 октября 2018 Опубликовано: 30 октября 2018 Короче, не вынесла душа. Разобрал рукоятку. Под министиком КБО кнопка работает, но до того невнятно, что не понятно нажата она или нет.
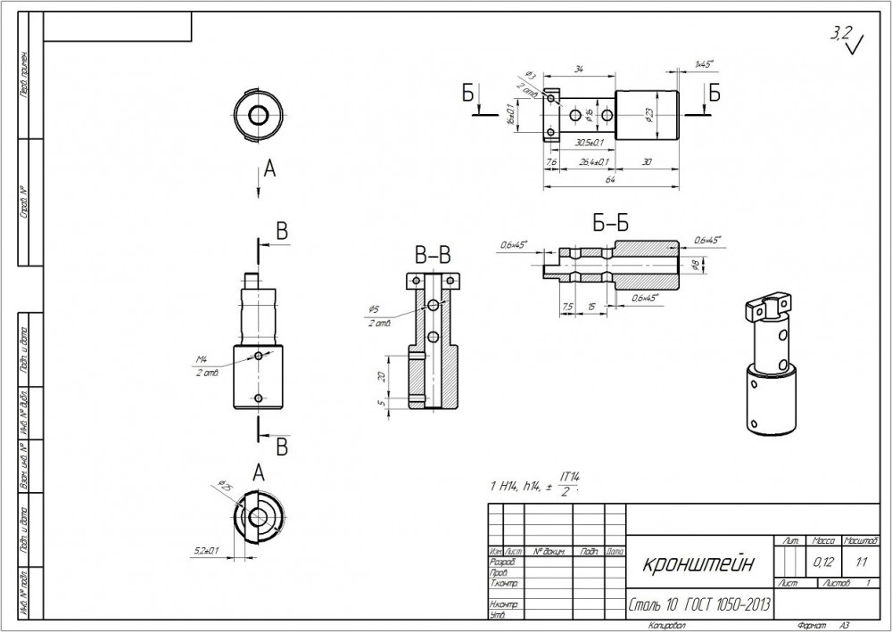
Johnet Опубликовано: 31 октября 2018 Опубликовано: 31 октября 2018 Уважаемые сотрудники ВКБ! Можно ли здесь выложить чертеж детали ручки MCG для крепления на трубу?
Johnet Опубликовано: 31 октября 2018 Опубликовано: 31 октября 2018 (изменено) Разрешение от вас, выложить мною сделанный чертеж детали для крепления MCG на трубу джокер. Илья, в догонку еще один вопрос. Писал выше, что на микростике Режим КБО не чувствуется нажатие на кнопку (ход нажатия менее миллиметра) Что либо можно сделать или так у всех ручек? Изменено 31 октября 2018 пользователем Johnet
uiv Опубликовано: 31 октября 2018 Автор Опубликовано: 31 октября 2018 Да мое разрешение и не требуется. Желаете поделиться с сообществом чертежами здесь - пожалуйста, я буду рад. Это стандартный микростик Сони. Кнопка является частью конструкции. Есть разброс в партии. Где-то клик кнопки четкий, где-то нет. Если кнопка работает, то делать ничего не надо. 1
Johnet Опубликовано: 31 октября 2018 Опубликовано: 31 октября 2018 (изменено) Чертеж детали крепления MCG на трубу Джокер. (правда делать надо на токарном, фрезерном и сверлильном станках). Если кому надо могу дать размеры штока для установки MCG без замены штатного крепления (тогда можно обойтись только токарным и сверлильным станками). Изменено 31 октября 2018 пользователем Johnet 1 1
oltims Опубликовано: 31 октября 2018 Опубликовано: 31 октября 2018 4 часа назад, Johnet сказал: Разрешение от вас, выложить мною сделанный чертеж детали для крепления MCG на трубу джокер. Илья, в догонку еще один вопрос. Писал выше, что на микростике Режим КБО не чувствуется нажатие на кнопку (ход нажатия менее миллиметра) Что либо можно сделать или так у всех ручек? По поводу кнопки Режим КБО не чувствуется нажатие на кнопку, подтверждаю та же проблема была. Решение, стягиваете со штока кнопку, и с помощью шкурки стачиваете хвостовик кнопки на 0.5мм., после этого кнопка прекрасно нажимается.
Magenta Опубликовано: 31 октября 2018 Опубликовано: 31 октября 2018 Буду вас домучивать Распиновку разъема Pedals (на BlackBox) можно ?
-DED-Ron Опубликовано: 31 октября 2018 Опубликовано: 31 октября 2018 Она должна быть унифицированной для всех устройств ВКБ. Можете посмотреть в этой теме. Вот как быть с сигналом Rud_on именно на вашем ВВ уточнит только Илья.
Johnet Опубликовано: 31 октября 2018 Опубликовано: 31 октября 2018 (изменено) 1 час назад, oltims сказал: стягиваете со штока кнопку, С этого момента поподробнее, пожалуйста. Как кнопку стянуть со штока? Она же на плате распаяна и прижата сверху осью министика, которую что бы убрать, министик надо выпаивать. Или между осью и кнопкой вложить шкурку и так ось подточить? Изменено 31 октября 2018 пользователем Johnet
-DED-Ron Опубликовано: 31 октября 2018 Опубликовано: 31 октября 2018 (изменено) Разговор идет только про саму шляпу кнопки, а не всего микростика. Подсаживаете под хатку отвертку и используете её в качестве рычага. Желательно при этом не испортив внешний вид. Изменено 31 октября 2018 пользователем -DED-Ron 1
oltims Опубликовано: 31 октября 2018 Опубликовано: 31 октября 2018 5 минут назад, Johnet сказал: С этого момента поподробнее, пожалуйста. Как кнопку стянуть со штока? Она же на плате распаяна и прижата сверху осью министика, которую что бы убрать, министик надо выпаивать. Или между осью и кнопкой вложить шкурку и так ось подточить? Беретесь за края кнопки и аккуратно тяните на себя , а дальше как я описал.
Johnet Опубликовано: 31 октября 2018 Опубликовано: 31 октября 2018 И так, определимся с терминологией. Имеем: 1. Шляпка министика (крепится саморезиком) 2. Пыльник министика (надевается внатяг на шток министика). 3. Тактовая кнопка (нажимается осью министика, распаяна на плате). Я сильно подозреваю, что вы говорите не о кнопке, а о пыльнике?
Vumpel18 Опубликовано: 31 октября 2018 Опубликовано: 31 октября 2018 (изменено) 2 часа назад, oltims сказал: По поводу кнопки Режим КБО не чувствуется нажатие на кнопку, подтверждаю та же проблема была. Решение, стягиваете со штока кнопку, и с помощью шкурки стачиваете хвостовик кнопки на 0.5мм., после этого кнопка прекрасно нажимается. Стачивание - уменьшение размера самого штока на рабочий ход кнопки с нажатием не влияет. Тут другое - нужно попытаться только увеличить размер от нижнего среза шляпки до корпуса ручки. Приподнять саму шляпку. Скрытый текст Батько сказав, що різати нічого ніхто не будє. Скрытый текст Изменено 31 октября 2018 пользователем Vumpel18
oltims Опубликовано: 31 октября 2018 Опубликовано: 31 октября 2018 Спокуха без паники вот. А ПОНЯЛ! Вы про верхнею хатку, ну там у меня нажатие тоже не четкое, как и на стробе.
-DED-Ron Опубликовано: 31 октября 2018 Опубликовано: 31 октября 2018 Вот и разобрались - каждый о своем . Речь про верхний микростик. Открутив винт можно снять шляпу, оставив пыльник на месте.
oltims Опубликовано: 31 октября 2018 Опубликовано: 31 октября 2018 8 минут назад, Vumpel18 сказал: Стачивание - уменьшение размера самого штока на рабочий ход кнопки с нажатием не влияет. Тут другое - нужно попытаться только увеличить размер от нижнего среза шляпки до корпуса ручки. Приподнять саму шляпку. Показать содержимое Батько сказав, що різати нічого ніхто не будє. Показать содержимое Разве я писал про шток, я писал про хвостовик кнопки!
Vumpel18 Опубликовано: 31 октября 2018 Опубликовано: 31 октября 2018 11 минут назад, oltims сказал: Разве я писал про шток, я писал про хвостовик кнопки! Прошу прощения.
JGr124_boRada Опубликовано: 31 октября 2018 Опубликовано: 31 октября 2018 Ну министик конструктивно сделан с малоощутимым кликом.
uiv Опубликовано: 31 октября 2018 Автор Опубликовано: 31 октября 2018 В 30.10.2018 в 10:45, Johnet сказал: Сразу еще вопрос народился. В ручке на кабеле подключения к базе цвета правильные?: Красный - + Черный - 0 Желтый - сигнал? Да.
Maxyman Опубликовано: 31 октября 2018 Опубликовано: 31 октября 2018 В 30.09.2018 в 08:19, uiv сказал: Прошивку стабильную получили. Через неделю откроем предзаказ (без оплаты), чтобы знать, какое количество ручек произвести. Как у вас прогресс с Мамбами и MCG? В силе решение о повторном предзаказе?
uiv Опубликовано: 1 ноября 2018 Автор Опубликовано: 1 ноября 2018 Планируем выпустить в ближайшей партии. 2
JGr8_3itS Опубликовано: 5 ноября 2018 Опубликовано: 5 ноября 2018 В 31.10.2018 в 05:42, Johnet сказал: Если кому надо могу дать размеры штока для установки MCG без замены штатного крепления (тогда можно обойтись только токарным и сверлильным станками). Надо... Если не сложно...
Johnet Опубликовано: 6 ноября 2018 Опубликовано: 6 ноября 2018 Диаметр отверстия под шток 11,2 мм, Глубина 16,5 мм (при условии, что разъем для подключения базы вынут из ручки). Высота разъема 2 мм. (Если что разъем достается из основания ручки легко). 1
sergeype Опубликовано: 6 ноября 2018 Опубликовано: 6 ноября 2018 В 01.11.2018 в 04:03, uiv сказал: Планируем выпустить в ближайшей партии. Заказ от октября прошлого года (#5288) нужно дублировать или он будет учтен?
uiv Опубликовано: 7 ноября 2018 Автор Опубликовано: 7 ноября 2018 (изменено) Будет учтен. Изменено 7 ноября 2018 пользователем uiv
=Ping=Sarmatt Опубликовано: 8 ноября 2018 Опубликовано: 8 ноября 2018 Присутствие момента страгивания может быть из-за поджатых демпферов? Если это так, то можно как то смазать их чтобы избавиться от этого момента?
uiv Опубликовано: 8 ноября 2018 Автор Опубликовано: 8 ноября 2018 Какие кулачки, какие пружины, какая ручка, есть ли удлинитель, как затянуты демпферы? Видите сколько вопросов нужно, чтобы ответить на ваш вопрос. А еще не помешает скриншот с джойстетера - ручку оттянули на себя и отпустили (чтобы ручка вернулась в центр без вашей руки). Тоже самое сделать для от себя и лево-право.
FrAG_archer Опубликовано: 8 ноября 2018 Опубликовано: 8 ноября 2018 (изменено) коллеги, посоветуйте, пожалуйста USB-концентратор, подходящиий для подключения устройств от VKB? Изменено 8 ноября 2018 пользователем FrAG_archer
SlyF0X Опубликовано: 8 ноября 2018 Опубликовано: 8 ноября 2018 @FrAG_archer в частности, я сейчас собираю на таком игровое кресло - Концентратор USB2.0 STLab U-340 (7 портов, с бп) Скрытый текст 1
=Ping=Sarmatt Опубликовано: 8 ноября 2018 Опубликовано: 8 ноября 2018 2 часа назад, uiv сказал: Какие кулачки, какие пружины, какая ручка, есть ли удлинитель, как затянуты демпферы? Видите сколько вопросов нужно, чтобы ответить на ваш вопрос. А еще не помешает скриншот с джойстетера - ручку оттянули на себя и отпустили (чтобы ручка вернулась в центр без вашей руки). Тоже самое сделать для от себя и лево-право. Кулачки без центра. Пружины: крен- 40+20 тангаж- 40+20. Ручка MCG pro. Удлинитель есть. Затяжка демпферов точно не помню, затягивал так чтобы РУС за три-четыре качка вставала в нейтраль.
Painbeaver Опубликовано: 8 ноября 2018 Опубликовано: 8 ноября 2018 17 минут назад, FrAG_archer сказал: коллеги, посоветуйте, пожалуйста USB-концентратор, подходящиий для подключения устройств от VKB? Вообще тут темка совсем рядом есть: https://forum.il2sturmovik.ru/topic/7869-usb-hub-для-лётных-девайсов-нужен-совет/ От себя могу посоветовать Orico (У меня A3H7), мощная начинка, сделаны, в общем, качественно. У меня претензий нет.
FrAG_archer Опубликовано: 8 ноября 2018 Опубликовано: 8 ноября 2018 видел тему, да. но меня интересует не абстрактный хаб, а тот, что лучше подойдёт к VKB: джойстики - точные и быстрые, хотелось бы минимизировать latency, котрое хаб может внести в их работу
-DED-Ron Опубликовано: 8 ноября 2018 Опубликовано: 8 ноября 2018 Для обсуждения хабов может темку свою заведете? 1
Funk Опубликовано: 8 ноября 2018 Опубликовано: 8 ноября 2018 12 часов назад, =Ping=Sarmatt сказал: Присутствие момента страгивания может быть из-за поджатых демпферов? Если это так, то можно как то смазать их чтобы избавиться от этого момента? Не понимаю суть страгивания, но у меня микрозалипания были демпферов в околонулевой зоне - смазка очень помогла.
JGr124_boRada Опубликовано: 9 ноября 2018 Опубликовано: 9 ноября 2018 2 часа назад, Funk сказал: Не понимаю суть страгивания, но у меня микрозалипания были демпферов в околонулевой зоне - смазка очень помогла. Всё просто: http://opace.ru/a/sily_treniya_pokoya_i_skolzheniya Переход силы трения покоя в силу трения скольжения - это и есть страгивание. Чем больше разница в этих трениях, тем больше момент страгивания, и наоборот. Чем сильнее затянут демпфер, тем разница больше. Смазка (особенно демпферная) уменьшает эту относительную разницу. Пример в условных еденицах: Допустим смазка уменьшает в 2 раза трение без смазки 10 тп - 5 тс / со смазкой 5 - 2.5 разница ( 5 ) против (2.5 со смазкой) 1
uiv Опубликовано: 9 ноября 2018 Автор Опубликовано: 9 ноября 2018 12 часов назад, =Ping=Sarmatt сказал: Кулачки без центра. Пружины: крен- 40+20 тангаж- 40+20. Ручка MCG pro. Удлинитель есть. Затяжка демпферов точно не помню, затягивал так чтобы РУС за три-четыре качка вставала в нейтраль. По оси Х у вас демпфер чуть сильнее затянут, чем по Y. Можете положить чуть-чуть демпферной смазки под фрикцион. Не надо класть много, именно чуть чуть, размер с головку булавки(нам присылали джойстики от бестолковых китайцев, которые буквально заливали механику смазкой. Они делали только хуже, так как смазка была и на платах, и на проводах, и на контактах. Со всеми вытекающими последствиями). Демпфер прилегает плотно, большое количество смазки будет просто выдавлено наружу.
Рекомендованные сообщения
Создайте аккаунт или войдите в него для комментирования
Вы должны быть пользователем, чтобы оставить комментарий
Создать аккаунт
Зарегистрируйтесь для получения аккаунта. Это просто!
Зарегистрировать аккаунтВойти
Уже зарегистрированы? Войдите здесь.
Войти сейчас