pufik Опубликовано: 28 июля 2014 Опубликовано: 28 июля 2014 Точно так же будет неустойчивой. Поскольку, если тянуть за верёвку постоянно в одном направлении, векто силы будет меняться так, что будет стремиться вернуть тележку на траекторию, то с ней будет совладать чуть легче, но "хвостом мести" она будет ничуть не меньше. Если же вектор силы тяги неизменен по отношению к тележке, то без разницы, куда эту силу приложить (с условием, что линия действия проходит через ц.м.). Сильно сомневаюсь - эффект "шимми" возникает как раз при неизменом векторе приложения. Чаще всего он же возникнув разворачивает туже пресловутую тележку на излёте инерции от толчка человеком даже на ровном месте. Вопрос видимо всё таки в задней центровке относительно основных точек опоры и не фиксированном колесе на большом выносе, что по сути рычаг.
flyhog Опубликовано: 28 июля 2014 Опубликовано: 28 июля 2014 Несколько правок по ДМ фоки, а также устранены вылеты игры при атаке самолетов с оборонительными точками. Сейчас зашел в быструю миссию на карте Лапино, взял Пе-2, взлетел на автопилоте. После нескольких минут полета выключил автопилот и покинул самолет. Провожал взглядом падающую машину, как только она коснулась земли - произошел вылет игры на рабочий стол. Видимо, к сожалению, ошибка не полностью устранена.
2BAG_Miron Опубликовано: 28 июля 2014 Опубликовано: 28 июля 2014 Скинул сетевые настройки по-умолчанию, нажал ПРИМЕНИТЬ и игра вылетела
=PUH=Theo Опубликовано: 28 июля 2014 Опубликовано: 28 июля 2014 (изменено) вот тут пожалуй не соглашусь, вспомни чем передний привод отличается от заднего, особенно зимой, в одном случае сила приложена сзади (толкает), с другой впереди (тянет). Но жопа машина на заднем приводе виляет больше, особенно если передние колеса испытывают сопротивление. . На переднем приводе вектор тяги изменяется. За счёт этого устойчивее. Если задние колёса теряют сцепление с дорогой - то уже почти фиолетово, задний или передний. За счёт умелого использования силы трения можно попытаться погасить занос. На заднем приводе вектор тяги неизменен, сорвать задние колёса легче. Фактически - потеря задними колёсами сцепления с дорогой - это как раз та самая схема со свободными задними колёсами. Т.к. передние удерживаются в одном положении водителем. За время развития внезапного заноса водитель не успеет отреагировать. Сильно сомневаюсь - эффект "шимми" возникает как раз при неизменом векторе приложения. Чаще всего он же возникнув разворачивает туже пресловутую тележку на излёте инерции от толчка человеком даже на ровном месте. Вопрос видимо всё таки в задней центровке относительно основных точек опоры и не фиксированном колесе на большом выносе, что по сути рычаг. Эффект "шимми" - это не свойство схемы, это эффект конкретной конструкции, возникающий при совокупности люфтов и упругостей звеньев. Чем меньше люфты и выше жёсткость конструкции - тем меньше вероятность возникновения "шимми!". В данном случае траекторная устойчивость - это свойство схемы. Изменено 28 июля 2014 пользователем =PUH=Theo
Tenzo Опубликовано: 28 июля 2014 Опубликовано: 28 июля 2014 А зачем примеры "тележки и веревочки", "переднего и заднего привода" если это никак не относится к самолетным схемам шасси?
=PUH=Theo Опубликовано: 28 июля 2014 Опубликовано: 28 июля 2014 Почему не относится? Самолёт на земле - та же тележка. Люди пытаются понять, почему схема с передними свободными самоориентирующимися клёсами устойчива, а с задними - нет.
pufik Опубликовано: 28 июля 2014 Опубликовано: 28 июля 2014 . На переднем приводе вектор тяги изменяется. За счёт этого устойчивее. Если задние колёса теряют сцепление с дорогой - то уже почти фиолетово, задний или передний. За счёт умелого использования силы трения можно попытаться погасить занос. На заднем приводе вектор тяги неизменен, сорвать задние колёса легче. Фактически - потеря задними колёсами сцепления с дорогой - это как раз та самая схема со свободными задними колёсами. Т.к. передние удерживаются в одном положении водителем. За время развития внезапного заноса водитель не успеет отреагировать. Эффект "шимми" - это не свойство схемы, это эффект конкретной конструкции, возникающий при совокупности люфтов и упругостей звеньев. Чем меньше люфты и выше жёсткость конструкции - тем меньше вероятность возникновения "шимми!". В данном случае траекторная устойчивость - это свойство схемы. Что за привычка читать поперёк? Вопрос видимо всё таки в задней центровке относительно основных точек опоры и не фиксированном колесе на большом выносе, что по сути рычаг. Догадайтесь кто написал последнее . Кстати по "шимми" где там у вас жёсткость конструкции и идеальность форм нарисовалась как в тележке так и в ЛА?
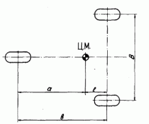
=PUH=Theo Опубликовано: 28 июля 2014 Опубликовано: 28 июля 2014 Центр масс всегда внутри фигуры, образованной точками опоры. Иначе - упадёт. Разворачивает потому, что задней точке опоры ничего не мешает двигаться как вдоль телеги, так и поперёк. Из-за этого возникает положительная обратная связь. Т.е. создаётся разворачивающий, а не стабилизирующий момент. Если свободное колесо впереди ЦМ, а неуправляемые - позади, тогда возникает восстанавливающий момент. ,
1CGS =FB=LOFT Опубликовано: 28 июля 2014 1CGS Опубликовано: 28 июля 2014 Здравствуйте! Всё отлично. Пожелание- может когда- нибудь сделаете,чтоб пилот видел свои ноги и руки " от первого лица в кабине" ? Сделать можно, но придется тогда отказаться от некоторых других фич в проекте ради этого. А вот стоит или не стоит, не так явно. 6
Zak Опубликовано: 28 июля 2014 Опубликовано: 28 июля 2014 Сейчас зашел в быструю миссию на карте Лапино, взял Пе-2, взлетел на автопилоте. После нескольких минут полета выключил автопилот и покинул самолет. Провожал взглядом падающую машину, как только она коснулась земли - произошел вылет игры на рабочий стол. Видимо, к сожалению, ошибка не полностью устранена. и Скинул сетевые настройки по-умолчанию, нажал ПРИМЕНИТЬ и игра вылетела Ясно, понятно, будем смотреть.
Tenzo Опубликовано: 28 июля 2014 Опубликовано: 28 июля 2014 Почему не относится? Самолёт на земле - та же тележка. Люди пытаются понять, почему схема с передними свободными самоориентирующимися клёсами устойчива, а с задними - нет. Да, но без веревочки привязанная к стойкам. В общем разговор уже ни о чем Вот хорошие картинки выложу. Эта схема устойчива, с передней стойкой. А вот эта нет, с хвостовой опорой(хвост поднят). Мд - дестабилизирующий момент. А шимми-шасси это местная потеря устойчивости колеса, а мы про устойчивость самой схемы.
EMJ_9Gramm Опубликовано: 28 июля 2014 Опубликовано: 28 июля 2014 (изменено) Молодцы ребята, быстро среагировали насчёт бага с крыльями. Даже анимацию кнопки автомата шага винта на место поставили. Мелочь, а приятно Спасибо! Пы Сы, нормально Фока ездит. В начале резче газу давайте с правой педалькой. РУС на себя. Блокируем и спокойно рулим. Надо круче повернуть РУС от себя, разблокировали. Тормозим при циркуле там где надо, и опять РУС на себя, правую педаль на всю и резче РУДом. Фока скорость набрала сбросили газ. Вообщем тренируйтесь Изменено 28 июля 2014 пользователем 9Gramm
pufik Опубликовано: 28 июля 2014 Опубликовано: 28 июля 2014 Заглянул сейчас в РОФ. Пострелял после двухлетнего перерыва. Моды блин грёбанные, Пап ф7 на пологом снижении догоняет, охренеть от этих мододелов доморощенных .
Finn Опубликовано: 28 июля 2014 Опубликовано: 28 июля 2014 гм...со штопорм надо поработать. долго не может стабилизироваться, хотя нос тяжелый, крылья вперёд выдвинуты и хвост длинный - должна быть по идее более передняя центровка.
Rossi Опубликовано: 28 июля 2014 Опубликовано: 28 июля 2014 Кстати в фоках тоже. Начиная вроде с доры лопасти часто были деревянными а стабилизатор частично фанерный. На А-8 уже деревянные лопасти стояли ...Эка проблема отслеживать перегрев синих движков. Там на пару с оборота есть стрелочка интересная... тянете руд назад она "прыгает" иногда назад. Двигаете вперёд она на тех же давлениях прыгает вперёд. Это и есть переключение автоматики когда изменяются температурные режимы. На 1,2=норма - 1,26-1,28 "прыжок" всё считай ресурс "переключился" на 10-15 минутный. Двигаешь дальше опять прыгнет где то около 1,34-1,4 - это уже 5-ти минутка а там уже осталось к 1,6 дотянуть и 1 минута жизни. При пилотировании когда ЛА идёт вниз откатывайте руд назад на предыдущую отметку, в разгоне и скорости он не потеряет зато не сгорит. Нос по горизонту и выше - возврат на предыдущее место. Так двигло будет жить вечно без всяких датчиков. Главное держите в голове что для "жизни" без потери характеристик время режима лучше ограничить 50% от максимального. а можно на скриншоте показать, что за такая волшебная стрелочка?...а то что-то не совсем понял чего куда скачет...
volonter Опубликовано: 28 июля 2014 Опубликовано: 28 июля 2014 гм...со штопорм надо поработать. долго не может стабилизироваться, хотя нос тяжелый, крылья вперёд выдвинуты и хвост длинный - должна быть по идее более передняя центровка. может эта не более передняя центровка и разворачивает фоку, но на то РД чтобы тестить пробовать, думаю все поправят
NOnaME1911 Опубликовано: 28 июля 2014 Опубликовано: 28 июля 2014 Сделать можно, но придется тогда отказаться от некоторых других фич в проекте ради этого. А вот стоит или не стоит, не так явно Дык можно на выбор пользователя оставить , с галкой в меню )
Val67 Опубликовано: 29 июля 2014 Опубликовано: 29 июля 2014 (изменено) И всё таки она вертится, то бишь ездит Фулл реал, топливо 100, включены только внешки и двигатель прогретый. https://www.youtube.com/watch?v=PUAbS0gZl5o Нет, молодец конечно, вырулил, хотя видно с каким трудом это все дается. Вместе с тем, очень много хроники в сети, где фоки очень бодренько так выруливают, при этом не видно ни разворотов/дерганий влево/вправо, ни тычков с тормозами. Вот, навскидку, с 6-й минуты, там правда по прямой, без поворотов, но на малой скорости. Явно видно что нет такого напряга как в игре, да и РН совсем не в упор http://www.youtube.com/watch?v=Ihd7ox20QRg Изменено 29 июля 2014 пользователем Val67 3
2BAG_Detka Опубликовано: 29 июля 2014 Опубликовано: 29 июля 2014 (изменено) Нет, молодец конечно, вырулил, хотя видно с каким трудом это все дается. Спасибо на добром слове, я как и Вы изучаю это чудесный аппарат, и стараюсь максимально точно следовать инструкциям Пилотенхандбух, при рулежке снимал фиксатор заднего колеса, при прямолинейном движении фиксировал, хотя можно было в принципе и не снимать фиксацию колеса РУСом от себя, но тогда для меня не кошерно бы выглядело. Изменено 29 июля 2014 пользователем 2BAG_Detka
Anatolich Опубликовано: 29 июля 2014 Опубликовано: 29 июля 2014 Нету, есть переставной стабилизатор Триммеров на Мессере никогда не было. Раздельные тормоза на разные колёса шасси работают, смотрите настройки. С настройками всё нормально. Со взлётом и посадкой тоже. Я пишу о том, что если нажать правый тормоз и дать РУД от себя то всё равно разворачивает влево, а не вправо.
-DED-TuxoH Опубликовано: 29 июля 2014 Опубликовано: 29 июля 2014 Понаговорили, схем нарисовали, привели исторические воспоминания пилотов и прочую теорию... И каков вывод? Аппарат с передней точкой опоры устойчивее, чем с задней? 15 страниц научных исследований!!! ЛаГГ-3 и Як-1 оба с задними точками опоры. Посадите Як, а потом посадите ЛаГГ. Почему? После ЛаГГа взлетел на фоке без особых усилий. Педалью компенсирую и всего делов.
pufik Опубликовано: 29 июля 2014 Опубликовано: 29 июля 2014 На А-8 уже деревянные лопасти стояли а можно на скриншоте показать, что за такая волшебная стрелочка?...а то что-то не совсем понял чего куда скачет... На тахометре две стрелки. Одна показывает в тысячах. другая в сотнях - это она. Очень чувствительно реагирует сигнализируя об пороговых значениях.
=WAR=Serge-99 Опубликовано: 29 июля 2014 Опубликовано: 29 июля 2014 Супер.... у Фоки крылья сразу не отваливаются ... Хотел спросить, а можно сделать, чтобы у врага у которого шесть, чтобы он не спокойно летел и в носу ковырялся, а чтобы ёрзал и оглядывался в сторону того, кто на шести??? лихорадочно... а то сидишь на шести, пилишь его, а он кроссворды чтоль отгадывает и смотрит вперёд.... ) http://www.youtube.com/watch?v=kpoxdGiajbY&feature=youtu.be
=0v0=Frozenath Опубликовано: 29 июля 2014 Опубликовано: 29 июля 2014 (изменено) Пешка чего-то неубиваемая стала. Стрелял стрелял - ни царапинки, Только стрелки убиваются и пилот. Вторая меня с прохода первой очередью подожгла) Кино прилагаю. Tracks.zip Изменено 29 июля 2014 пользователем =0v0=Sovushkin
Ebot Опубликовано: 29 июля 2014 Опубликовано: 29 июля 2014 Дык можно на выбор пользователя оставить , с галкой в меню ) 2
Finn Опубликовано: 29 июля 2014 Опубликовано: 29 июля 2014 Супер.... у Фоки крылья сразу не отваливаются ... Хотел спросить, а можно сделать, чтобы у врага у которого шесть, чтобы он не спокойно летел и в носу ковырялся, а чтобы ёрзал и оглядывался в сторону того, кто на шести??? лихорадочно... а то сидишь на шести, пилишь его, а он кроссворды чтоль отгадывает и смотрит вперёд.... ) http://www.youtube.com/watch?v=kpoxdGiajbY&feature=youtu.be это пинг. 1
=UA=TORT Опубликовано: 29 июля 2014 Опубликовано: 29 июля 2014 Пешка чего-то неубиваемая стала. Стрелял стрелял - ни царапинки, Только стрелки убиваются и пилот. Вторая меня с прохода первой очередью подожгла) Кино прилагаю. Стрелять мало, надо еще и попадать Вчера онлайн на ме-109Ф (стандартное вооружение) зажег Пеху с короткой очереди. Горит так же прекрасно как и раньше.
Finn Опубликовано: 29 июля 2014 Опубликовано: 29 июля 2014 это с ботом.. ) упс, я забыл что можно ещё и не в он-лайне летать)))
=Xone_96=Allen_and_Heath Опубликовано: 29 июля 2014 Опубликовано: 29 июля 2014 (изменено) Циркуля убрали, крыло уже не хрустальное но за то сила залпового огня Фоку, уменьшилась или точность ли что ли!!?!?!?! Ну как то не красиво получается - сидит у тебя на шести то лавка то лагг то як и пилят с 600 - 700 метра, а то и больше и попадают видно все до пилоты были снайперы! А чтоб завалит с Фоку или месс кого ни-будь надо прям в упор от 100метров максимум и то не всегда попадешь! Баллистика у одних и у другие разная но чтоб прям так! Летаю и на красных и на синих - так что есть с чем сравнить! Изменено 29 июля 2014 пользователем =VNVV=Steata_Stemar
=WAR=Serge-99 Опубликовано: 29 июля 2014 Опубликовано: 29 июля 2014 (изменено) Стало похоже как в БзБ.... Можно хоть посадить вражину (бота) на шесть и потаскать его и попытаться сбросить.... а то сядут, стрельнут один раз за три версты, попадут и заново... начинать ....) а может быть то, что сведение 500 стоит... мажешь... (мажу) Изменено 29 июля 2014 пользователем =WAR=Serge-99
=Xone_96=Allen_and_Heath Опубликовано: 29 июля 2014 Опубликовано: 29 июля 2014 Стало похоже как в БзБ.... Можно хоть посадить вражину (бота) на шесть и потаскать его и попытаться сбросить.... а то сядут, стрельнут один раз за три версты, попадут и заново... начинать ....) а может быть то, что сведение 500 стоит... мажешь... (мажу) Ну как раз если на 500 стоит то и по идеи, теории и практики, если цель находится на 400 - 500 метра то почти 90% гарантия что вес залп попадет! А у нас (потому что не только у меня) не получается! И еще такой вопрос никто больше не заметил - но на EU Normal - на карту Сталинграда (большую) ручную управление шаг винта Фоку работает, а на маленькую карту нет - (даже тумблер - ручной/автомат в кабине не переключается) И еще исправили анимации индикатора закрылки Фоку - теперь оба (правы и левы) работают - Спасибо!!!
72AGk_JEKA52 Опубликовано: 29 июля 2014 Опубликовано: 29 июля 2014 (изменено) Вот так вот идти на поводу у игроков! Дайте фоку,дайте фоку. Поторопились, дали! Хотя с другой стороны как быстро ИГРОКИ нашли кучу проблем с ФМ фоки, в игровом процессе и помогли тестерам. Изменено 29 июля 2014 пользователем =HPh=GoodDeeDsMasteR
Player777 Опубликовано: 29 июля 2014 Опубликовано: 29 июля 2014 (изменено) Вчера пробовал летать онлайн, всё в общем то нормально для моей не очень мощной конфигурации, но кое-что заметил - при нажатии М для вызова карты заметно так подтормаживает. Грешу на свою слабую видеокарту с малым объёмом памяти (GTX 460 768 Mb - да да знаю прошлый век, но настройки средние. разрешение 1280 на 960, полёт нормальный - пока). И в конце концов вылет на рабочий стол после частых вызовов карты (опять же думаю о малом объёме видеопамяти). Кто-нибудь наблюдал что-то подобное? P.S. Карту непременно сменю как-нибудь. Изменено 29 июля 2014 пользователем MaKS
=Xone_96=Allen_and_Heath Опубликовано: 29 июля 2014 Опубликовано: 29 июля 2014 Вот так вот идти на поводу у игроков! Дайте фоку,дайте фоку. Поторопились, дали! Хотя с другой стороны как быстро ИГРОКИ нашли кучу проблем с ФМ фоки, в игровом процессе и помогли тестерам. Здесь тема для обсуждение - никто видь не рвется в багов отписываться! Хотя с другой стороны как быстро ИГРОКИ нашли кучу проблем с ФМ фоки, в игровом процессе и помогли тестерам. - Совершенно согласен! 1
DeadlyMercury Опубликовано: 29 июля 2014 Опубликовано: 29 июля 2014 (изменено) Сделать можно, но придется тогда отказаться от некоторых других фич в проекте ради этого. А вот стоит или не стоит, не так явно. ммм... а можно озвучить список фич, которые перебиваются шкуркой пилота? единственное, что я знаю о таких шкурках - обычно они не перемещаются по кабине (нет анимации тела) и, соответственно, часто плечами и конечностями приборы закрывают... Изменено 29 июля 2014 пользователем deadlymercury 1
=0v0=Frozenath Опубликовано: 29 июля 2014 Опубликовано: 29 июля 2014 Стрелять мало, надо еще и попадать Вчера онлайн на ме-109Ф (стандартное вооружение) зажег Пеху с короткой очереди. Горит так же прекрасно как и раньше. Так я ж вон ролик приложил. Там видно как снаряды попадают в Пешку, а следов от попаданий нет.
CCCP_Viper Опубликовано: 29 июля 2014 Опубликовано: 29 июля 2014 (изменено) Кто-нибудь может взлететь на Фоке с полным топливным баком? Я сколько ни пытаюсь, получается очень редко. Как только заднее колесо поворачивается не по курсу, даже полный газ с трудом тянет самолет. Даже если удалось раскочегарить самолет и оторваться от земли, движок тут же дохнет в воздухе. С баком на 40% особых затруднений не испытываю, кроме того что самолет "каруселит" более желаемого. После посадки самолет вообще невозможно удержать прямо. Он сразу после посадки разворачивается на 180 градусов и заканчивает пробежку задом наперед. Изменено 29 июля 2014 пользователем CCCP_Viper
Renv Опубликовано: 29 июля 2014 Опубликовано: 29 июля 2014 Кто-нибудь может взлететь на Фоке с полным топливным баком? Я сколько не пытаюсь, не получается. Как только заднее колесо поворачивается не по курсу, даже полный газ с трудом тянет самолет. Даже если удалось раскочегарить самолет и оторваться от земли, движок тут же дохнет в воздухе. С баком на 40% особых затруднений не испытываю, кроме того что самолет "каруселит" более желаемого. Переключись с ручного управления шагом винта на автоматическое (RShift+P по дефолту)
Рекомендованные сообщения
Создайте аккаунт или войдите в него для комментирования
Вы должны быть пользователем, чтобы оставить комментарий
Создать аккаунт
Зарегистрируйтесь для получения аккаунта. Это просто!
Зарегистрировать аккаунтВойти
Уже зарегистрированы? Войдите здесь.
Войти сейчас