Перейти к публикации
Запуск нового форума ×

Рекомендованные сообщения

Опубликовано:
2 минуты назад, Milit сказал:

Не догоню :dash: Если не трудно, можно рисуночек? 

Через пару часов.

Опубликовано: (изменено)
11.03.2021 в 15:36, 3BAG_Orion33 сказал:

Конфигуратор ВЕБ, безусловно, упрощает обновление, но при этом появляется головная боль с постоянной поддержкой ресурса. Когда в конце-концов это все надоест и сайт умрет, сообщество останется без конфигуратора.

 

Хорошенько подумал и склонен согласиться.

 

 

15.03.2021 в 18:13, 3BAG_Orion33 сказал:

А я вот подумал...
А может, все эти хорошести надо было реализовывать программно?

 

Я согласен. Програмно реализовывать надо.

 

Произвожу внедрение скриптового движка в свои поделки. У меня там есть немного флеша и рамы для виртуальной машины, а компилятор будет жить в конфигураторе.

Флешу понадобится приблизительно 10к, а рамы в районе 1.5к. Но это пока прикидочно, поглядим чем закончится.

 

 

15.03.2021 в 18:13, 3BAG_Orion33 сказал:

Сделать виртуальный джойстик, на который подавать данные после обработки софта. А софтом по ЮСБ получать сырые данные с контроллера.

Тогда, по идее, никакого ограничения в объеме для паршивки не будет.
Или еще вариант: сделать совсем базовый режим стандартного джойстика без конфигуратора, если не нужен навороченный функционал, а второй режим - через виртуальный джойстик.

 

Так, а кому я давал ссылку на гремлина?

Изменено пользователем l3VGV
Опубликовано:
7 минут назад, Milit сказал:

...

Не догоню :dash: Если не трудно, можно рисуночек? 

как то так, например:

2021-03-17_17-01-43.png.0412485cfe224d2da7e7e02f4dd0c60b.png

Опубликовано:
3 минуты назад, Zurabik сказал:

как то так, например:

Именно!

Опубликовано: (изменено)
15 минут назад, Zurabik сказал:

как то так, например:

2021-03-17_17-01-43.png.0412485cfe224d2da7e7e02f4dd0c60b.png

 

11 минут назад, Johnet сказал:

Именно!

:russian_ru:

Нажатия отрабатываются попарно: D c H, C c H. Н притянул обратно к VCC.

В конфигураторе поставил галку "инверт". Есть подозрение, что она не работает (я ж правильно понимаю, что с "инверт" кнопка, притянутая к 3,3 должна зеленеть? этого не происходит) .

 

Изменено пользователем Milit
  • Спасибо! 1
Опубликовано: (изменено)
49 минут назад, Milit сказал:

В конфигураторе поставил галку "инверт". Есть подозрение, что она не работает (я ж правильно понимаю, что с "инверт" кнопка, притянутая к 3,3 должна зеленеть? этого не происходит) .

Да, не работает в конфигураторе, но в винде всё отображается. В ближайшее время исправлю

А возможно и в прошивке проблема с репортом для конфигуратора, он отличается от репорта для ОС. Тогда фикс будет позже

Изменено пользователем Reksotiv
  • Нравится 1
  • Спасибо! 1
Опубликовано:

Инверсию кнопок и несколько других мелких багов починили, качайте v1.7.0b2

  • Нравится 3
  • Спасибо! 3
Опубликовано: (изменено)

Скачал, прошил. С инверсией все в порядке. Спасибо!

 

 

Изменено пользователем Milit
Опубликовано:

Добрый день. 

Подскодыте пожалуйсто по поводу TLE5012, у него разводка/разпиновка остаётся такаеже как на 5010/5011?

Задумывалось  заказать пару плат по етому образцу и вместо 5011 посадить туда 5012

https://oshpark.com/shared_projects/DSH0FhMU

 

Ето будет работать? 

По datasheet вижу что по суте отличаются пины 5 и 8

Опубликовано:
15 часов назад, mixedd сказал:

Добрый день. 

Подскодыте пожалуйсто по поводу TLE5012, у него разводка/разпиновка остаётся такаеже как на 5010/5011?

Задумывалось  заказать пару плат по етому образцу и вместо 5011 посадить туда 5012

https://oshpark.com/shared_projects/DSH0FhMU

 

Ето будет работать? 

По datasheet вижу что по суте отличаются пины 5 и 8

Добрый день. 

Вот в этих (5 и 8 ) пинах и разница, для 5010/5011 это вход/выход, и они "по даташиту" могут быть посажены непосредственно на землю.

image.png.5c99f23b275ea54540659e8a50e26747.png

 

Для 5012 это выходы, и непосредственно на землю их садить не стоит(нельзя). В тех платках эти ноги на земле, соответственно ставить туда 5012, без разрезания дорожек, не нужно. 

image.png.9594f6f680cee73531762af1a6c2ca7b.png

  • Нравится 1
  • Поддерживаю! 1
Опубликовано:
4 часа назад, Zurabik сказал:

Добрый день. 

Вот в этих (5 и 8 ) пинах и разница, для 5010/5011 это вход/выход, и они "по даташиту" могут быть посажены непосредственно на землю.

image.png.5c99f23b275ea54540659e8a50e26747.png

 

Для 5012 это выходы, и непосредственно на землю их садить не стоит(нельзя). В тех платках эти ноги на земле, соответственно ставить туда 5012, без разрезания дорожек, не нужно. 

image.png.9594f6f680cee73531762af1a6c2ca7b.png

 

Огромное спасибо за ответ, то есть теоретически на 5012 если не замыкать ноги 5 и 8 на землю, а оставить их не подключеными, то он должен работать также как и 5011 на той же плате? 

Опубликовано:

Должен работать. У меня так работает, хоть и в другом проекте. 

Опубликовано:
25 минут назад, Komaroff сказал:

Должен работать. У меня так работает, хоть и в другом проекте. 

Спасибо. 

Перерисую плату убрав дорожку соединения пинов 5 и 8 на землю и посмотрим. А то как-то смотрю что 5011 довольно редким стал, а 5012 в два раза дешевле и досиупней 

Опубликовано:

Я оставлял чип-перемычки (отдельно для 5 и 8 ножек) для возможности устанавливать и 5011. Место было на плате. И линию тактирования оставлял.

Тем более говорили, что дешевые 5010 тоже могут работать на 3,3В питания (но лично пока не пробовал).

  • Нравится 1
Опубликовано:
35 минут назад, Komaroff сказал:

Должен работать. У меня так работает, хоть и в другом проекте. 

Тогда по идею на 5012 схема получается что-то вроде етого? 

ezgif.com-gif-maker.jpg

Опубликовано:
4 минуты назад, Komaroff сказал:

Я оставлял чип-перемычки (отдельно для 5 и 8 ножек) для возможности устанавливать и 5011. Место было на плате. И линию тактирования оставлял.

Тем более говорили, что дешевые 5010 тоже могут работать на 3,3В питания (но лично пока не пробовал).

работают

  • Спасибо! 1
Опубликовано:
5 минут назад, mixedd сказал:

Тогда по идею на 5012 схема получается что-то вроде етого? 

На ножку 4 тле резистор-подтяжку поставьте. Формально и на остальные не помешает, в зависимости от длины шлейфа соединения.

Опубликовано:

Спасибо. Оригинальная схема из репа MMJoy2 которую рисовал Captainblood. Про ножку 4 порисуем ещё 

Опубликовано: (изменено)
5 минут назад, mixedd сказал:

Оригинальная схема из репа MMJoy2 которую рисовал Captainblood

На линии данных ( 4 ножка тле) должна быть подтяжка. Если несколько тле висят на линии, то можно ставить только на одном, или ставить на стороне контроллера.

Резистор подтяжки позволяет достичь более высокой скорости обмена контроллера с тле, зависит от длины шлейфа.

Изменено пользователем Komaroff
Опубликовано:
25 минут назад, Komaroff сказал:

На линии данных ( 4 ножка тле) должна быть подтяжка. Если несколько тле висят на линии, то можно ставить только на одном, или ставить на стороне контроллера.

Резистор подтяжки позволяет достичь более высокой скорости обмена контроллера с тле, зависит от длины шлейфа.

Спасибо большое, 

Подправим

  • Поддерживаю! 1
Опубликовано:
2 часа назад, Komaroff сказал:

На линии данных ( 4 ножка тле) должна быть подтяжка. Если несколько тле висят на линии, то можно ставить только на одном, или ставить на стороне контроллера.

Резистор подтяжки позволяет достичь более высокой скорости обмена контроллера с тле, зависит от длины шлейфа.

Перерисовал схему с подтяжкой на четвёртую ногу. 

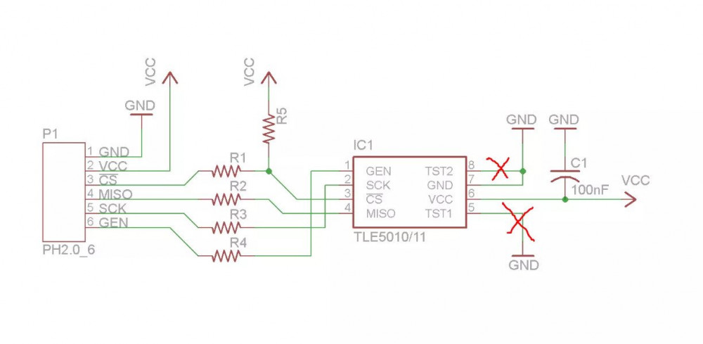
Появился ещё один вопрос по поводу резисторов R1-R4 и на сколько они там нужны? Как смотрю на схему с репозитория в гитхабе FreeJoy, то они там вообще не задействованы. Только 10k резисторы на подтяжку к 3й и 4й ноге 

Schematic_TLE5012 sensor_2021-03-22.png

Опубликовано:
49 минут назад, mixedd сказал:

Появился ещё один вопрос по поводу резисторов R1-R4 и на сколько они там нужны? Как смотрю на схему с репозитория в гитхабе FreeJoy, то они там вообще не задействованы.

Эти резисторы выполняют две функции.
1. Сглаживают дребезг при переключении фронтов на шине (так называемые антизвонные)
2. Выполняют защиту выходов микросхемы от случайного КЗ.

Поэтому лучше их не убирать - хуже не будет.

  • Поддерживаю! 2
Опубликовано:
4 минуты назад, 3BAG_Orion33 сказал:

Эти резисторы выполняют две функции.
1. Сглаживают дребезг при переключении фронтов на шине (так называемые антизвонные)
2. Выполняют защиту выходов микросхемы от случайного КЗ.

Поэтому лучше их не убирать - хуже не будет.

Спасибо. 

По сопротивление резисторов надеюсь что не промахнулся R1-R4 на 50 и резисторы подтяжки на 1k (пересматриваю схемы с репозитория mmjoy2 там так и реализовано на 5010/5011)

Опубликовано:
5 минут назад, 3BAG_Orion33 сказал:

хуже не будет

Добавлю. У 5012 в датащите линия данных по умолчанию идёт в push-pull режиме. Поэтому последовательный резистор также поэтому не помешает. У себя только его оставил, другие последовательные не ставил, но у меня линии короткие. Кстати для 5012 линию с ножки 1 можно убрать, но без этой линии 5011 не будет работать.

  • Поддерживаю! 1
Опубликовано:
18 часов назад, Komaroff сказал:

Добавлю. У 5012 в датащите линия данных по умолчанию идёт в push-pull режиме. Поэтому последовательный резистор также поэтому не помешает. У себя только его оставил, другие последовательные не ставил, но у меня линии короткие. Кстати для 5012 линию с ножки 1 можно убрать, но без этой линии 5011 не будет работать.

Спасибо. На линию данных последовательный резистор какой велечены ставили? Как на версиях с 5010 на 50ом?

Опубликовано:

В конкретном проекте у меня установлены 51 ом, подтяжки 4,7кОм. В датащите рекомендуют последовательные 100 ом. Честно говоря, поставил 50 ом потому что видел здесь ставили и просто они были в запасах.

 

Опубликовано:
22 минуты назад, Komaroff сказал:

В конкретном проекте у меня установлены 51 ом, подтяжки 4,7кОм. В датащите рекомендуют последовательные 100 ом. Честно говоря, поставил 50 ом потому что видел здесь ставили и просто они были в запасах.

 

Спасибо 

Опубликовано:
28 минут назад, Komaroff сказал:

естно говоря, поставил 50 ом потому что видел здесь ставили и просто они были в запасах

потомучто счетверенный можно сдуть с дохлой материнки/видяхи!

 

19 часов назад, Komaroff сказал:

но у меня линии короткие

 

я стараюсь ставить всегда. входную емкость никто не отменял, и бросок от её заряда надо давить неважно какая индуктивность проводника. но это личное аудифилическое. а для домашнего DIY, каждый резистор это мостик и облегчение разводки односторонних плат под лут!

  • Нравится 1
Опубликовано: (изменено)
17 минут назад, l3VGV сказал:

потомучто счетверенный можно сдуть с дохлой материнки/видяхи!

 

Жаль, что у меня нет дохлой материнки/видяхи ;)

Зы. Вспомнилось про "счетверенный" и "сдуть" :cool:

11320281.jpg.d583931b8cc684b5a016e4c1893dfb30.jpg

Изменено пользователем Komaroff
  • ХА-ХА 1
Опубликовано:
1 минуту назад, Komaroff сказал:

Жаль, что у меня нет дохлой материнки/видяхи

У меня теперь есть. MSI MPG Z490 GAMING PLUS (((

  • Расстроен 1
Опубликовано:
24 минуты назад, l3VGV сказал:

входную емкость никто не отменял, и бросок от её заряда надо давить неважно какая индуктивность проводника

Наверно имеется в виду ёмкость шлейфа? Емкостями входов чипов на наших скоростях можно пренебречь.

Опубликовано:
1 час назад, Komaroff сказал:

Наверно имеется в виду ёмкость шлейфа? Емкостями входов чипов на наших скоростях можно пренебречь.

 

Ну, с одной стороны как я уже упоминул - аудифилия. Маниакальность надежно вжилась в подход.

 

С другой, ну скоростью то можно пренебречь, а скоростью нарастания фронта? Стараюсь их валить чтобы и работало надежно но и небыло слишком резко. Вошпем - только резисторы, только хардкор!

 

 

1 час назад, Komaroff сказал:

Жаль, что у меня нет дохлой материнки/видяхи 

 

Я навел дружбу с одним из местных контукперных магазинов, там иногда разживаюсь тем что всёравно выкидывать. Так жил долгие годы, а потом в городе появилась точка выдачи чипдипа. Мелочевка имеет вполне доступный ценний, чтобы купить оперативно. Ну или таки тотсамыйэкспрес, чтобы 1000шт.

Опубликовано:
52 минуты назад, l3VGV сказал:

Ну, с одной стороны как я уже упоминул - аудифилия

Коллега ? ?

Опубликовано:

Наверное достал я уже всех своими вопросами ?

Но тут следующие пару штук. 

 

Видел два варианта на TLE5012 

  - TLE5012B E1000

  - TLE5012BE1000XUMA1

В чем разница так и не понял. Будут работать оба? 

 

Второй вопрос про AS5600, читая наткнулся и задумался как по сравнению с тем же самым TLE? 

Кто-то схему разводил или пробовали готовые с Алика только? 

Опубликовано:
16 минут назад, mixedd сказал:

Видел два варианта на TLE5012 

  - TLE5012B E1000

  - TLE5012BE1000XUMA1

В чем разница так и не понял. Будут работать оба? 

Обычно это производитель маркирует корпус и вариант поставки. В данном случае вариантов корпусов нет, поэтому это одна и та же микросхема.

17 минут назад, mixedd сказал:

Второй вопрос про AS5600, читая наткнулся и задумался как по сравнению с тем же самым TLE?

Если верить даташитам, то первый имеет разрядность 12 бит, второй - 16.

Опубликовано:
2 минуты назад, 3BAG_Orion33 сказал:

Обычно это производитель маркирует корпус и вариант поставки. В данном случае вариантов корпусов нет, поэтому это одна и та же микросхема.

Если верить даташитам, то первый имеет разрядность 12 бит, второй - 16.

Спасибо, 

Останемся на TLE5012, как не как почти плату дорисовал ?

Опубликовано:
7 часов назад, mixedd сказал:

Останемся на TLE5012, как не как почти плату дорисовал ?

Дык есть же отрисованные. Если не устраивают те, что в викивыложены, то рекомендую скачать последний релиз MMJoy2 в соотв. Теме. В папке PCB архива содкожится 100500 плат TLE5011.  С минимальными переделками они подойдут для 5012.

Опубликовано:
7 часов назад, Johnet сказал:

Дык есть же отрисованные. Если не устраивают те, что в викивыложены, то рекомендую скачать последний релиз MMJoy2 в соотв. Теме. В папке PCB архива содкожится 100500 плат TLE5011.  С минимальными переделками они подойдут для 5012.

Спасибо, видел их и в архиве mmjoy, и ту которая с архива freejoy. Вот етим и занимаюсь, вырезаю дорожку земли с 5 и 8 пина, и добовляю последовательный резистор на линию данных. Была идея поставить коннектор JST PH2.0-6p для более удобного подключения размещённый по центру платы и смешенный вверх, но разводка дарожки начинает напоминать хорошый итальянский спагетти ?

Прка что получилось что-то такое 

5012_3.JPG

5012_2.JPG

5012_1.PNG

5012.PNG

Gerber_PCB_TLE5012 (FreeJoy)_Alt_2021-03-24.zip

  • Нравится 1
Опубликовано:
6 часов назад, mixedd сказал:

Спасибо, видел их и в архиве mmjoy, и ту которая с архива freejoy. Вот етим и занимаюсь, вырезаю дорожку земли с 5 и 8 пина, и добовляю последовательный резистор на линию данных. Была идея поставить коннектор JST PH2.0-6p для более удобного подключения размещённый по центру платы и смешенный вверх, но разводка дарожки начинает напоминать хорошый итальянский спагетти ?

Прка что получилось что-то такое 

5012_3.JPG

5012_2.JPG

5012_1.PNG

5012.PNG

Gerber_PCB_TLE5012 (FreeJoy)_Alt_2021-03-24.zip 13 \u041a\u0431 · 1 скачивание

А что не сделаешь вырезы вместо отверстий? Я например для аналоговой платы as5600 вот так делал.

as56002.jpg

Опубликовано:
2 часа назад, ZERgyt сказал:

А что не сделаешь вырезы вместо отверстий? Я например для аналоговой платы as5600 вот так делал.

as56002.jpg

Спасибо за совет. 

Порисуем прикинем как будет. Изначально разсчытывалось на посадочные места под 35мм для механики Объект 77б v2 от Karavan. 

Но думаю нарисую несколько вариантов с вырезамы и под разные посадочные 

Создайте аккаунт или войдите в него для комментирования

Вы должны быть пользователем, чтобы оставить комментарий

Создать аккаунт

Зарегистрируйтесь для получения аккаунта. Это просто!

Зарегистрировать аккаунт

Войти

Уже зарегистрированы? Войдите здесь.

Войти сейчас
×
×
  • Создать...