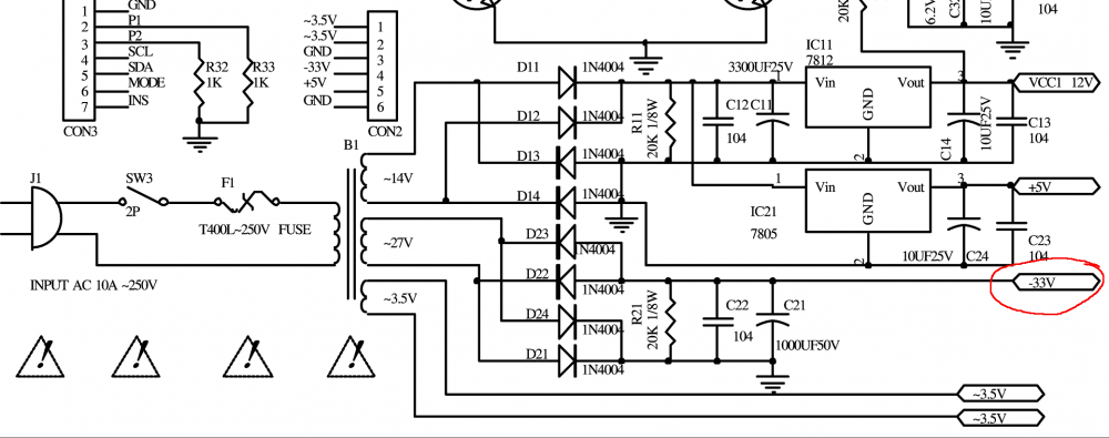
SSV Опубликовано: 24 марта 2019 Опубликовано: 24 марта 2019 Вот кусок схемы. "Сломался" трансформатор, заменить его нечем, просто не нашел такой. Есть вариант перемотать, но вот сомнения у меня по обмотке 27 В. Чтоб получить в итоге -33В направление намотки какое должно быть? Помогите бестолковому, ошибиться нельзя)
=FA=CATFISH Опубликовано: 24 марта 2019 Опубликовано: 24 марта 2019 (изменено) 15 минут назад, SSV сказал: Вот кусок схемы. "Сломался" трансформатор, заменить его нечем, просто не нашел такой. Есть вариант перемотать, но вот сомнения у меня по обмотке 27 В. Чтоб получить в итоге -33В направление намотки какое должно быть? Помогите бестолковому, ошибиться нельзя) Направление - не играет роли. Перематывать надо эмалированым проводом проводом ПЭЛ, ПЭВ, того же или чуть большего диаметра, что и у сгоревшей обмотки. Количество витков должно быть не меньше чем у исходной и не больше чем на 2-3% А вообще надо поискать равный по мощности из серии ТПП. Токи обмоток надо бы знать. Обмотки можно последовательно включать, суммируя их напряжения . Вот тогда то начало и конец обмотки станут важными https://docviewer.yandex.ru/view/9912744/?*=5pXmD68TViGrxkiTN4ZJeiegmPl7InVybCI6Imh0dHA6Ly93d3cucGxhdGFuLnJ1L3BkZi9kYXRhc2hlZXRzL3J1c3NpYS90cHAucGRmIiwidGl0bGUiOiJ0cHAucGRmIiwidWlkIjoiOTkxMjc0NCIsInl1IjoiMjU4MzE5MjM5MTUwMjAzNjEzMiIsIm5vaWZyYW1lIjp0cnVlLCJ0cyI6MTU1MzQ1NDk2NzM1NSwic2VycFBhcmFtcyI6Imxhbmc9cnUmdG09MTU1MzQ1NDk2MSZ0bGQ9cnUmbmFtZT10cHAucGRmJnRleHQ9JUQxJTgyJUQwJUJGJUQwJUJGKyVEMSU4MiVEMSU4MCVEMCVCMCVEMCVCRCVEMSU4MSVEMSU4NCVEMCVCRSVEMSU4MCVEMCVCQyVEMCVCMCVEMSU4MiVEMCVCRSVEMSU4MCslRDElODElRDAlQkYlRDElODAlRDAlQjAlRDAlQjIlRDAlQkUlRDElODclRDAlQkQlRDAlQjglRDAlQkEmdXJsPWh0dHAlM0EvL3d3dy5wbGF0YW4ucnUvcGRmL2RhdGFzaGVldHMvcnVzc2lhL3RwcC5wZGYmbHI9MjEzJm1pbWU9cGRmJmwxMG49cnUmc2lnbj0yOTRmZThiYzMwMDE2NjIzNDUzYTZiY2Y1NGI2NjgyNSZrZXlubz0wIn0%3D&page=1&lang=ru Изменено 24 марта 2019 пользователем =FA=CATFISH 1
SSV Опубликовано: 25 марта 2019 Автор Опубликовано: 25 марта 2019 (изменено) 11 часов назад, =FA=CATFISH сказал: Направление - не играет роли. Получается, что итоговая полярность задается диодным мостом совместно с GND? 11 часов назад, =FA=CATFISH сказал: проводом ПЭЛ, ПЭВ ПЭТ? Честно говоря, не смог найти, что из представленной номенклатуры использовать... 14В - 0,9А 3,5 и 27В - 0,2А. Изменено 25 марта 2019 пользователем SSV
=FA=CATFISH Опубликовано: 25 марта 2019 Опубликовано: 25 марта 2019 25 минут назад, SSV сказал: Получается, что итоговая полярность задается диодным мостом совместно с GND? Вот именно 26 минут назад, SSV сказал: ПЭТ? Честно говоря, не смог найти, что из представленной номенклатуры использовать... ПЭТ, ПЭТВ, короче любой эмалированный обмоточный. 28 минут назад, SSV сказал: 14В - 0,9А 3,5 и 27В - 0,2А. Для подбора транса ТПП достаточно. Вечером гляну
-DED-SkyFreeman Опубликовано: 25 марта 2019 Опубликовано: 25 марта 2019 Если есть место, покупаешь обыкновенный понижающий трансформатор 220/27. Проверяешь диодный мост на пробой (4 диода), проверяешь электролит 1000/50v на предмет пробоя. И подключаешь к диодному мосту новый транс(отрезав от сдохшей обмотки естественно). Но нужно точно знать, что твой родной транс не имеет коротыша во вторичной понижающей обмотке 27v.
-DED-SkyFreeman Опубликовано: 25 марта 2019 Опубликовано: 25 марта 2019 (изменено) 44 минуты назад, SSV сказал: Родного уже нет, уехал на свалку. Понятно, тогда только тороид найти с обмотками на 220-24/12 -1А., а 3.4v домотать самому не сложно будет. Скрытый текст Изменено 25 марта 2019 пользователем -DED-SkyFreeman
=FA=CATFISH Опубликовано: 25 марта 2019 Опубликовано: 25 марта 2019 (изменено) 2 часа назад, SSV сказал: Родного уже нет, уехал на свалку. тюююю.... а как тогда перематывать собрался?? Изменено 25 марта 2019 пользователем =FA=CATFISH
SSV Опубликовано: 25 марта 2019 Автор Опубликовано: 25 марта 2019 Точно, неверно выразился. Не перемотать, а намотать. Тогда получается, я ваши идеи нихрена не понял...
=FA=CATFISH Опубликовано: 25 марта 2019 Опубликовано: 25 марта 2019 2 минуты назад, SSV сказал: Точно, неверно выразился. Не перемотать, а намотать. Тогда получается, я ваши идеи нихрена не понял... что-то перематывать - надо иметь исходный транс. В какие габариты надо вписаться при подборе нового? в мм ?
SSV Опубликовано: 25 марта 2019 Автор Опубликовано: 25 марта 2019 4 часа назад, =FA=CATFISH сказал:  В какие габариты надо вписаться Вообще пофиг, в разумных пределах конечно. Товарищ сказал можно и наружу вынести.
DiBos_ Опубликовано: 3 апреля 2019 Опубликовано: 3 апреля 2019 Мощность какая, ампераж на выходе важен? ? Попробуй переделать транс осм-220/5-29. Это кстати не от саба схема? Хотя больше на кусок предусилителя похоже. Если так, то скорее всего придется заменить микросхему PT2804 или PT2322 или что-то похожее. Они при проблеме с питанием в первую очередь вылетают.
SSV Опубликовано: 4 апреля 2019 Автор Опубликовано: 4 апреля 2019 14 часов назад, =LwS=DiBos_ сказал: Мощность какая, ампераж на выходе важен? ? Попробуй переделать транс осм-220/5-29. Это кстати не от саба схема? Хотя больше на кусок предусилителя похоже. Если так, то скорее всего придется заменить микросхему PT2804 или PT2322 или что-то похожее. Они при проблеме с питанием в первую очередь вылетают. Да, это Микролаб Н-500. Надеюсь, что остальное живо. У транса в первичке был обрыв, вторичные были живы, горелостей не заметно на плате. Хотя все это конечно не гарантия целости. 14 часов назад, =LwS=DiBos_ сказал: Мощность какая, ампераж на выходе важен? Выше в посте указывал.
He6o Опубликовано: 4 апреля 2019 Опубликовано: 4 апреля 2019 =FA=CATFISH написал инструкцию. Но понимаю, что дальше вопросов ещё больше будет. Исходника то нет(сгоревший транс) и прошу мне напомнить - если в цепи первичной обмотки происходит обрыв, напряжение на выходе должно просто пропасть, без скачков и изменение симметрии вторичного напряжения. И тут же вопрос к ТС - был холостой ход или под нагрузкой система?
=FA=CATFISH Опубликовано: 4 апреля 2019 Опубликовано: 4 апреля 2019 7 минут назад, He6o сказал: =FA=CATFISH написал инструкцию. Но понимаю, что дальше вопросов ещё больше будет. Исходника то нет(сгоревший транс) и прошу мне напомнить - если в цепи первичной обмотки происходит обрыв, напряжение на выходе должно просто пропасть, без скачков и изменение симметрии вторичного напряжения. И тут же вопрос к ТС - был холостой ход или под нагрузкой система? "Инструкция" - коту под хвост без остатков сгоревшего транса
SSV Опубликовано: 4 апреля 2019 Автор Опубликовано: 4 апреля 2019 (изменено) 13 минут назад, He6o сказал: Но понимаю, что дальше вопросов ещё больше будет. Ага, хоть в моем случае уже не применимо, как понял "исходник" нужен был, но для общего развития хотелось бы понять что предлагалось. 13 минут назад, He6o сказал: без скачков и изменение симметрии вторичного напряжения. Мой любящий искать крайности мозг шепчет: а если в первичной был хороший скачек и затем обрыв, то не привело ли это к таким же скачкам во вторичных с последствиями? 13 минут назад, He6o сказал: вопрос к ТС - был холостой ход или под нагрузкой система? Этого сказать не могу. Притащил товарищ, по его словам отдал попользоваться, вернули уже в таком виде. Изменено 4 апреля 2019 пользователем SSV
He6o Опубликовано: 4 апреля 2019 Опубликовано: 4 апреля 2019 Тут ведь важно, если не помочь - то хоть не навредить. Я перематываю редко трансы, больше двигатели от постоянного напряжения 12 вольт. Был случай на Citroen C3 с электронным приводом вкл сцепления. Перемотал мотор, плохо пролачил, не выдержал ключ на силовом выходе с ЭБУ, сгорел. Потерял три дня, востановил обмотку, товарищ по цеху перепаял транзистор. Я обучил коробку. На тот момент клиенту даже цена в 17 тысяч не представляла проблему, месяц нужно было ждать заказ с деталью. А на дворе было лето и Ситроенчик с открытым верхом был. К чему это я ? К тому, что Вы же сами будете перематывать транс. И вот как бы дымок не пошёл дальше с микросхем.
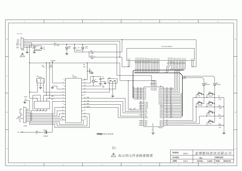
=FA=CATFISH Опубликовано: 4 апреля 2019 Опубликовано: 4 апреля 2019 1 час назад, SSV сказал: Ага, хоть в моем случае уже не применимо, ... Можешь дать ссылку на полную схему всего устройства или выложи тут картинку со схемой
DiBos_ Опубликовано: 4 апреля 2019 Опубликовано: 4 апреля 2019 (изменено) я уже нашел, сижу курю как раз и вот на схеме PT2322 либо PT2804 http://www.rom.by/files/datasheet2322.pdf Изменено 4 апреля 2019 пользователем =LwS=DiBos_
=FA=CATFISH Опубликовано: 4 апреля 2019 Опубликовано: 4 апреля 2019 увы, на гифках нифига не видно обозначений
He6o Опубликовано: 4 апреля 2019 Опубликовано: 4 апреля 2019 Фото платы в студию. Бум аккуратно смотреть по DIP или SO вычислять микросхему
DiBos_ Опубликовано: 4 апреля 2019 Опубликовано: 4 апреля 2019 Микросхему уже вычислил, а вот по трансу инфы нигде нет,
He6o Опубликовано: 4 апреля 2019 Опубликовано: 4 апреля 2019 (изменено) Пока вот нашёл из старых закладок: первоисточник Увеличение индуктивности первичной обмотки (индуктивности намагничивания) улучшает передачу сигнала на нижних частотах диапазона, однако ее невозможно сделать бесконечно большой. Там же: Допустимые сопротивления обмоток определяются исходя из допустимой величины рабочего затухания на средней частоте рабочего диапазона. А вот тут мне не совсем понятно: Индуктивности рассеяния, емкости обмоток и межобмоточная емкость влияют на параметры трансформатора на верхней частоте рабочего диапазона частот Изменено 4 апреля 2019 пользователем He6o
DiBos_ Опубликовано: 4 апреля 2019 Опубликовано: 4 апреля 2019 Собственная емкость трансформатора может привести к большим перенапряжениям и влияет (хоть и не значительно) на коэффициент трансформации, особенно когда снять нагрузку со вторичной обмотки и при отсутствии заземления на одном из концов обмотки. 1
=FA=CATFISH Опубликовано: 4 апреля 2019 Опубликовано: 4 апреля 2019 куда вас понесло? Сгорел транс питания
SSV Опубликовано: 4 апреля 2019 Автор Опубликовано: 4 апреля 2019 4 часа назад, =LwS=DiBos_ сказал: а вот по трансу инфы нигде нет Какая вам инфа по нему нужна? Вот такой там был sy-48a14090a01. Нашел такой в Киеве, но товарищ этот мой в свете известных событий парится за доставку и возможную итоговую сумму. Схемы вот. Pictures.zip
=FA=CATFISH Опубликовано: 4 апреля 2019 Опубликовано: 4 апреля 2019 Короче получилось следующее в качестве замены: - основной трансформатор для питания ~14 V и ~27 V - ТПП271 https://www.chipdip.ru/search?searchtext=тпп271 - трансформатор для накаливания дисплея ~3,5 V - ТПП 239 или ТПП 227 или ТПП 228 или ТПП219 https://www.chipdip.ru/search?searchtext=ТПП227 https://www.chipdip.ru/product1/8338028973 https://www.chipdip.ru/product1/8411003646?from=suggest_product https://static.chipdip.ru/lib/245/DOC000245970.pdf
He6o Опубликовано: 4 апреля 2019 Опубликовано: 4 апреля 2019 Скрытый текст 5 часов назад, =FA=CATFISH сказал: Короче получилось следующее в качестве замены: - основной трансформатор для питания ~14 V и ~27 V - ТПП271 https://www.chipdip.ru/search?searchtext=тпп271 - трансформатор для накаливания дисплея ~3,5 V - ТПП 239 или ТПП 227 или ТПП 228 или ТПП219 https://www.chipdip.ru/search?searchtext=ТПП227 https://www.chipdip.ru/product1/8338028973 https://www.chipdip.ru/product1/8411003646?from=suggest_product https://static.chipdip.ru/lib/245/DOC000245970.pdf Ну вот, мы тут уже начали расчёты увеличения индуктивности. Далее у нас по плану, бескислородная медь и по серебряные контакты. Выравнивание АЧХ с возможной заменой предусилителя. Пришёл =FA=CATFISH обозначил простое решение, так не интересно
DiBos_ Опубликовано: 7 апреля 2019 Опубликовано: 7 апреля 2019 В 04.04.2019 в 23:23, SSV сказал: Какая вам инфа по нему нужна? Вот такой там был sy-48a14090a01. Нашел такой в Киеве, но товарищ этот мой в свете известных событий парится за доставку и возможную итоговую сумму. Схемы вот. Pictures.zip 707 \u041a\u0431 · 1 download В Украине меньше 100гр стоит, не в курсе сколько это в рублях, но думаю не дорого. По пересылу можно попросить Украинских вирпилов, мне так помогали
He6o Опубликовано: 7 апреля 2019 Опубликовано: 7 апреля 2019 В перводе на рубли 245 рублей. А в chipdip стоит 800 рублей. Выгодней получается в Украине купить
=FA=CATFISH Опубликовано: 7 апреля 2019 Опубликовано: 7 апреля 2019 22 минуты назад, He6o сказал: В перводе на рубли 245 рублей. А в chipdip стоит 800 рублей. Выгодней получается в Украине купить В Чипе Дипе безусловно сидят грабители, просто там поиск удобнее, чем лазить по яндексу. На Авите нашел по 250 рэ ТПП271 https://www.avito.ru/moskva/audio_i_video/radiodetali_sssr_70-80h_godov_539743319 А остальные продавцы вообще рехнулись с их ценами выше чипдиповских
SSV Опубликовано: 8 апреля 2019 Автор Опубликовано: 8 апреля 2019 В 04.04.2019 в 22:10, =FA=CATFISH сказал: Короче получилось следующее в качестве замены: - основной трансформатор для питания ~14 V и ~27 V - ТПП271 Правильно понимаю, что обмотки надо соединить (10+4,9; 20+4,9)? Ток не маловат для 14В?
=FA=CATFISH Опубликовано: 8 апреля 2019 Опубликовано: 8 апреля 2019 47 минут назад, SSV сказал: Правильно понимаю, что обмотки надо соединить (10+4,9; 20+4,9)? Ток не маловат для 14В? Да про обмотки правильно. Если купишь его, то надо будет внимательно изучить схему. Важно какие контакты соединять. Начало дополнительной обмотки - с концом основной. Про ток. Прикинул по даташитам - общий ток потребления микросхем где-то в диапазоне 200 - 300 mА. На пассивных элементах предположим , что столько же. Итого общее потребление от этой обмотки 14 V - 0,6 А 1 1
SSV Опубликовано: 13 мая 2019 Автор Опубликовано: 13 мая 2019 (изменено) Вобщем намотал новый транс, попутно собрав станок). В габариты даже почти влез. Выявилась следующая проблема - а звука-то тю-тю. При включении как будто все работает. Дисплей все отображает, кнопки отрабатываются, энкодер меняет значения на дисплее, но все это в тишине. Факты такие. Во первых не сохраняет установки последние. Даже если нажимать stand-by, а не дергать из розетки. Во вторых, энкодер работает, но делает это странно. Включил я аппарат, громкость у него по умолчанию стоит 40 едениц, кручу ручку, число растет какое-то время, а потом начинает плясать туда-сюда и в итоге может скатиться до нуля. Бросишь это дело, он постоит немного и какое-то количество щелчков отработает снова нормально. И в третьих. Пробовал я дать сигнал минуя коммутатор прям на ногу PT2322, эмоций ноль. И вот тут вопрос. Так как эта ИМС имеет управление по I2C, то надо ли давать ей какую команду на начало работы или она и без управления по умолчанию работает? Другими словами, как ее проверить? По моему разумению, то, что на дисплее картинки меняются в такт нажимаемым кнопкам это заслуга еще одной ИМС PT6311, а все остальное может быть банально нерабочим. Смущает меня энкодер. Подключен он к МК. По схеме не понятно что это за ИМС, пришлось открывать панель чтоб опознать. Это SONiX SN8P1604. Этот энкодер как бы работает, значит ли это, что МК живой? С другой стороны, энкодер же глючит, да и "память" у аппарата отшибло. Скрытый текст Изменено 13 мая 2019 пользователем SSV
SSV Опубликовано: 13 мая 2019 Автор Опубликовано: 13 мая 2019 Дополню. По энкодеру, я ошибся. "Вниз" он нормально работает, "Вверх" плохо. Всеж похоже, что МК живой, реакция на IR пульт нормальная. И тогда вот это верно получается скорее всего. 03.04.2019 в 21:08, =LwS=DiBos_ сказал: Если так, то скорее всего придется заменить микросхему PT2804 или PT2322 или что-то похожее. Они при проблеме с питанием в первую очередь вылетают.
He6o Опубликовано: 13 мая 2019 Опубликовано: 13 мая 2019 Проверь температуры на микросхемах на передней панели.Вот микросхема PT2322 http://www.orion43.ru/shared/pt2322.pdf 1
SSV Опубликовано: 13 мая 2019 Автор Опубликовано: 13 мая 2019 Про температуру не понял. За русскоязычный ПДФ спасибо.
He6o Опубликовано: 13 мая 2019 Опубликовано: 13 мая 2019 (изменено) Микросхема питается от 9вольт. Когда сгорел транс, мы можем предполагать, что напруга подскочила. Теперь при подаче питания нужно вычислить по цепочке сгоревшие резисторы диоды пробитые. И если сильно греется PT2322 то и она сгорела. Мультиметр в руки и по схеме пройтись https://xn----7sbabfc9cl.xn--p1ai/pirometry/514-amtast-amf008a?utm_source=googlemerchant&utm_medium=cpc&gclid=CjwKCAjwq-TmBRBdEiwAaO1en_ob4pew4LbJnK1CUw_OPbswKcVP96OJEJIXfSY1DWPGsZRPz4foShoCFwEQAvD_BwE Нужен ещё пирометер Изменено 13 мая 2019 пользователем He6o
Рекомендованные сообщения
Создайте аккаунт или войдите в него для комментирования
Вы должны быть пользователем, чтобы оставить комментарий
Создать аккаунт
Зарегистрируйтесь для получения аккаунта. Это просто!
Зарегистрировать аккаунтВойти
Уже зарегистрированы? Войдите здесь.
Войти сейчас