Fokuspokus Опубликовано: 10 сентября 2018 Опубликовано: 10 сентября 2018 подозреваю, что надо сначала назначить хотя бы одну физическую ось или кнопку. Иначе виртуальный джойстик создавать не из чего. 1
V_TUZ_GUN Опубликовано: 10 сентября 2018 Опубликовано: 10 сентября 2018 Огромная те благодарность бро, все получилось.
23AG_Sinchuk Опубликовано: 16 сентября 2018 Опубликовано: 16 сентября 2018 Кто нить подскажите , собрал платку IN32 , прошил через програмный конфигуратор в нее бутлоадер, все записалось ошибок нет, рестарт ... на шине SPI как было 0/7 так и осталось. Контроллер F2 c переходником под UART. Что я не так делаю ?
Fokuspokus Опубликовано: 17 сентября 2018 Опубликовано: 17 сентября 2018 14 часов назад, 23AG_Sinchuk сказал: Кто нить подскажите , собрал платку IN32 , прошил через програмный конфигуратор в нее бутлоадер, все записалось ошибок нет, рестарт ... на шине SPI как было 0/7 так и осталось. Контроллер F2 c переходником под UART. Что я не так делаю ? кроме бутлоадера надо бы еще и прошивку установить... (Все необходимое есть здесь https://www.dropbox.com/sh/xufrz5h4en7gehb/AADqcXuUUKurQPkxWJXGJXiwa/extboard/spi?dl=0&subfolder_nav_tracking=1)
23AG_Sinchuk Опубликовано: 17 сентября 2018 Опубликовано: 17 сентября 2018 (изменено) Это понятно но прошивка ставится когда платка появляется после заливки бутлоадера , у меня же она не появляется вообще в конфигураторе, хотя бутлоадер шьется без проблем Изменено 17 сентября 2018 пользователем 23AG_Sinchuk
Fokuspokus Опубликовано: 17 сентября 2018 Опубликовано: 17 сентября 2018 По памяти: для установки модифицированного бутлоадера надо подключить разъем SPI платы расширения к разъему SPI основной платы. И дополнительный проводок от RESET платы расширения к разъему КМА основной платы. После установки бутлоадера, отключить проводок от ресета и перегрузить контроллер. Допплата должна увидеться основным контроллером. Если не видится проверяйте разъемы.
23AG_Sinchuk Опубликовано: 17 сентября 2018 Опубликовано: 17 сентября 2018 Вообщем заработало только со старым BootLoader_SPI_ver7 , и теперь почему то отображает как будто у меня две платы подключено In32 .
VilliV Опубликовано: 22 ноября 2018 Опубликовано: 22 ноября 2018 Для заливки бутлоадера в связке SPI - SPI необходимо откинуть одну жилу. Если не ошибаюсь CS. Ну и провод на Reset - KMA. А есть у кого прошивка in96 с поддержкой светодиодов? И схема платы in2(а лучше разводка платы))
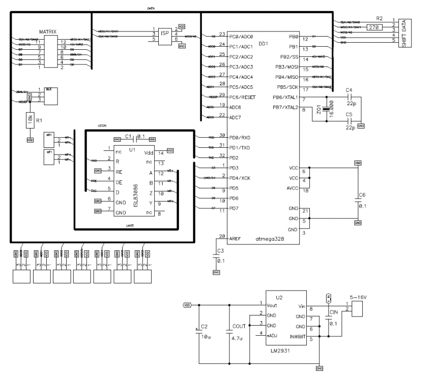
2./SG2_Semyon- Опубликовано: 23 ноября 2018 Опубликовано: 23 ноября 2018 (изменено) 11 часов назад, VilliV сказал: И схема платы in2(а лучше разводка платы)) Схема в пдф по ссылке https://www.dropbox.com/sh/db517v0631or43o/AABeA8K6YxVwfrBj4vtgLFima/IN2?dl=0&subfolder_nav_tracking=1 . Только необходимо учесть, что для неё нужно внешнее питание отдельно подключать. Так как она подключается через UART. За прошивками лучше к автору обратиться. Вот ещё схема в виде картинки. Скрытый текст Изменено 23 ноября 2018 пользователем semenovkr 1 1
kreml Опубликовано: 23 ноября 2018 Опубликовано: 23 ноября 2018 вот финальная схема ин96 и прошивка линии х0-х7 работают как цифровые выходы. К ним можно подключать св.диоды, только конечно не на прямую, а через резисторы. Номинал резистора подбирается по требуемой яркости (от 220 Ом, до 10 кОм). in96.zip 2
VilliV Опубликовано: 2 декабря 2018 Опубликовано: 2 декабря 2018 Начал знакомство с шиной UART, и возникло много вопросов. В инструкции к F3-L3 есть платы OUT256, а схему нашел только на OUT201 и OUT203. Они же по ходу одинаковые?. Схему IN328 даже не нашел( Вопрос вообщем - где можно найти схемы на платы? ( ссылок на прошивки много, а на схемы что-то не нашел) Что к чему таки подключается. На саму шину нужны in2,in328, out203\256, stepper. А к ним уже матрицы на диоды, цифровые индикаторы и драйвера двигателей. Я правильно понял?
2./SG2_Semyon- Опубликовано: 2 декабря 2018 Опубликовано: 2 декабря 2018 (изменено) 40 минут назад, VilliV сказал: Начал знакомство с шиной UART, и возникло много вопросов... Планируется строительство кабины самолёта со стрелочными приборами? Изменено 2 декабря 2018 пользователем semenovkr
VilliV Опубликовано: 2 декабря 2018 Опубликовано: 2 декабря 2018 Строительство кабины это слишком амбициозно)) скорее панели с парой основных приборов - если получится)) С надеждой на API в иле. А так хочу сделать панель на монитор с кнопками и индикаторами под симулятор на 3 буквы)
2./SG2_Semyon- Опубликовано: 2 декабря 2018 Опубликовано: 2 декабря 2018 (изменено) Если делать приборы или строить кабину, то без UART не обойтись. В остальных случаях можно обойтись тремя платами расширения через SPI. Вот здесь можно почитать про стрелочные приборы https://www.avsimrus.com/forum/topic/121167-подключение-устройств-индикации-через-юсб-контроллер/?page=34. Только придётся по страницам полазить? По ссылке можно схемы поискать https://www.dropbox.com/sh/db517v0631or43o/AAArGzwWjBp62Kol-TIL3sVDa?dl=0. Может сайт Летяга.ру поможет разобраться. Изменено 2 декабря 2018 пользователем semenovkr
VilliV Опубликовано: 2 декабря 2018 Опубликовано: 2 декабря 2018 Спасибо за ссылки. Будем разбираться) А IN96 делал по вашей схеме - работает отлично. Спасибо за разводку. Но там всего 7 диодов, а мне хочется попробовать цифровые индикаторы. Хотя бы запустить) 1
2./SG2_Semyon- Опубликовано: 2 декабря 2018 Опубликовано: 2 декабря 2018 Цифровые светодиодные индикаторы и платы драйверов светодиодов только к плате OUT можно подключить (судя по инструкции). Тогда без UART не обойтись. На авиасимрус есть пользователь Personal, он судя по всему в курсе плат светодиодной индикации. Там есть его платы на MAX7219.
VilliV Опубликовано: 3 декабря 2018 Опубликовано: 3 декабря 2018 Да. Нашел его платы. Но учиться разводить придется самому. Нашел даже разводку платы OUT203. Над внимательнее почитать ветку. Как я понимаю на авиасиме это оснавная ветка Станислава? На других форумах наверно нет смысла искать.
2./SG2_Semyon- Опубликовано: 3 декабря 2018 Опубликовано: 3 декабря 2018 (изменено) 24 минуты назад, VilliV сказал: Как я понимаю на авиасиме это оснавная ветка Станислава? На других форумах наверно нет смысла искать. Думаю. что да. Там люди строят кабины гражданских самолётов? Если есть желание, то разводить не очень сложно. Главное документацию по atmega почитать и по профильным сайтам полазить. И программу взять не хуже KiCad или DipTrace. Но можно обратиться к Станиславу и купить у него готовые платы. Самому имеет смысл делать специфические платы. Например плата на базе in32/64 в РУС TM Warthog, которую сделал Fokuspokus. Изменено 3 декабря 2018 пользователем semenovkr
=FA=CATFISH Опубликовано: 3 декабря 2018 Опубликовано: 3 декабря 2018 4 минуты назад, semenovkr сказал: ...Например плата на базе in32/64 в РУС TM Warthog, которую сделал Fokuspokus. Можно ссылку?
VilliV Опубликовано: 3 декабря 2018 Опубликовано: 3 декабря 2018 Хочется попробовать свои силы) в свое время освоил Лазерноутюжный метод - теперь пробую фоторезист) можно сказать - маленькое хобби.
2./SG2_Semyon- Опубликовано: 4 декабря 2018 Опубликовано: 4 декабря 2018 11 часов назад, =FA=CATFISH сказал: Можно ссылку?
=FA=CATFISH Опубликовано: 4 декабря 2018 Опубликовано: 4 декабря 2018 10 часов назад, semenovkr сказал: ни одной живой ссылки ((
2./SG2_Semyon- Опубликовано: 4 декабря 2018 Опубликовано: 4 декабря 2018 1 час назад, =FA=CATFISH сказал: ни одной живой ссылки (( Ссылка на разведенную плату нужна? В сообщении Fokuspokus написано: "...могу дать разводку платы In32wDAX в ручку Cougar...".
2./SG2_Semyon- Опубликовано: 6 февраля 2019 Опубликовано: 6 февраля 2019 Нашёл в описании изменений прошивок контроллера F3/L3: "версия 135 от 01.11.2017 (Требуется конфигуратор версии 1.3.162720 и выше) - изменены настройки вирт.джойстиков, в качестве кнопок, помимо виртуальных, теперь можно назначать и физические кнопки основной платы.- добавлены настройки режимов работы портов SPI. Для входа в настройки, необходимо запустить контроллер с замкнутыми контактами "SAFE" ("INIT" в версиях F2/L2). Режимы: 1. "STANDART I/O" - обычный режим работы с платами расширения 2. "DISCRETE OUT" - режим последовательного вывода с эмуляцией платы OUT_256, к порту SPI в данном режиме можно подключать платы дискретных и светодиодных (на драйвере STP) драйверов, без использования отдельной платы OUT_256. 3. "DISCRETE OUT MAX7219" - тоже, что и предыдущий режим, но для подключения светодиодных плат на основе драйвера MAX7219" Для тех кто захочет подключать большое количество светодиодов или индикаторы по шине SPI. 1
72AG_Olega Опубликовано: 6 февраля 2019 Опубликовано: 6 февраля 2019 1 час назад, semenovkr сказал: теперь можно назначать и физические кнопки основной платы Я пробовал в своем квадранте, у меня не вышло. Наверно руки кривые. Так и пришлось ч/з плату расширения кнопок подключать (хотя мне нужно было 6 кнопок из восьми, т.е. с основной платы разъемов хватало)
2./SG2_Semyon- Опубликовано: 6 февраля 2019 Опубликовано: 6 февраля 2019 (изменено) 2 часа назад, 72AG_Olega сказал: Я пробовал в своем квадранте, у меня не вышло. Наверно руки кривые. Так и пришлось ч/з плату расширения кнопок подключать (хотя мне нужно было 6 кнопок из восьми, т.е. с основной платы разъемов хватало) На основной плате есть разъём для подключения диодной матрицы. Восемь линий по восемь кнопок. Через две диодные матрицы 64 кнопки можно подключить. Или через сдвиговые регистры 64 кнопки к 4 или 5 разъёму цифровой оси. В зависимости от версии контроллера. В любом случае напрямую кнопки подключить нельзя. Диоды к кнопкам паять придётся, если диодной матрицы нет. Назначение физических кнопок основной платы в виртуальном джойстике, позволяет не настраивать виртуальные кнопки в кнопочном вводе. Скрытый текст Замкнул контакты SAFE контроллера и подключил к компьютеру. Действительно появились настройки портов SPI Скрытый текст Изменено 6 февраля 2019 пользователем semenovkr
72AG_Olega Опубликовано: 6 февраля 2019 Опубликовано: 6 февраля 2019 3 часа назад, semenovkr сказал: В любом случае напрямую кнопки подключить нельзя. Диоды к кнопкам паять придётся, если диодной матрицы нет. А вот про это я балда и забыл совсем. Проехали...
Boris185 Опубликовано: 4 апреля 2020 Опубликовано: 4 апреля 2020 Всем привет! При включении режима "Ручная центровка" направление меняется на противоположное. Т.е. хочу 1500 отсчётов виртуальной оси, а получаю 750. Возможно-ли инвертировать ручную центровку?
2./SG2_Semyon- Опубликовано: 4 апреля 2020 Опубликовано: 4 апреля 2020 Непонятно как ручная центровка меняет направление оси. Этот режим устанавливает центр в текущем положении оси. С картинками из конфигуратора будет проще понять суть вопроса.
Boris185 Опубликовано: 5 апреля 2020 Опубликовано: 5 апреля 2020 (изменено) Направление оси не меняется, меняется направление центровки. На втором скрине нажал кнопку, на третьем отпустил. Направление центра изменилось на противоположное от желаемого Изменено 5 апреля 2020 пользователем Boris185
Boris185 Опубликовано: 5 апреля 2020 Опубликовано: 5 апреля 2020 (изменено) Прошивка frm. ver:133 Скрытый текст Изменено 5 апреля 2020 пользователем Boris185
kreml Опубликовано: 5 апреля 2020 Опубликовано: 5 апреля 2020 Проверил на этой прошивке, все отрабатывает как было задумано. Центральным, становится положение физ. оси в момент отпускания кнопки. Пока кнопка нажата, вирт. ось всегда в центральном положении. Записал видео, там это хорошо видно. Если у вас не так, сделайте пож. видео некорректной работы. https://youtu.be/aPFhMltr9JY.
Boris185 Опубликовано: 5 апреля 2020 Опубликовано: 5 апреля 2020 https://www.youtube.com/watch?v=AQeWs5iSujw Видео.
Boris185 Опубликовано: 6 апреля 2020 Опубликовано: 6 апреля 2020 Вопрос закрыт! С помощью semenovkr, разобрался. Просто нужно использовать для вертолётного триммера режим Стоп.
kreml Опубликовано: 6 апреля 2020 Опубликовано: 6 апреля 2020 Да я тоже уже догадался, что интересует вертолетное триммирование. А это функция совсем не тоже самое что центровка.
Vumpel18 Опубликовано: 8 апреля 2020 Опубликовано: 8 апреля 2020 45 минут назад, eagle1602 сказал: Эта ветка больше похожа на издевательство перед теми, кто больше не может купить контроллер от Kreml, так как он больше не производится. Как вообще можно было задушить такой проект и зачем????!!!!!!! Больше не производится по решению разработчика.
Komaroff Опубликовано: 8 апреля 2020 Опубликовано: 8 апреля 2020 Не все так печально. Вот, такой себе лицензионный рестайлинг Подключены кнопочные платы на основе сдвиговых регистров CD4021. 3
Рекомендованные сообщения
Создайте аккаунт или войдите в него для комментирования
Вы должны быть пользователем, чтобы оставить комментарий
Создать аккаунт
Зарегистрируйтесь для получения аккаунта. Это просто!
Зарегистрировать аккаунтВойти
Уже зарегистрированы? Войдите здесь.
Войти сейчас