Shimmy Опубликовано: 4 ноября 2020 Опубликовано: 4 ноября 2020 Я думаю, что если брызнуть то можно залить. Лучше попробовать силиконовой смазкой - точечно. У меня тоже иногда заедает. Но редко. Ничего не делал.
PryamovMaksim Опубликовано: 8 ноября 2020 Опубликовано: 8 ноября 2020 02.11.2020 в 18:35, kreml сказал: Приехали новые платы для РУДов. Можно уже начинать отправку. Платы полностью готовы, останется только самостоятельно перепаять usb кабель со старой платы на новую. Также к концу месяца жду пробную партию кабелей, чтобы была возможность сразу комплектовать платы, тогда и паять ничего не придется. Доброго дня. Сколько стоит такая плата?
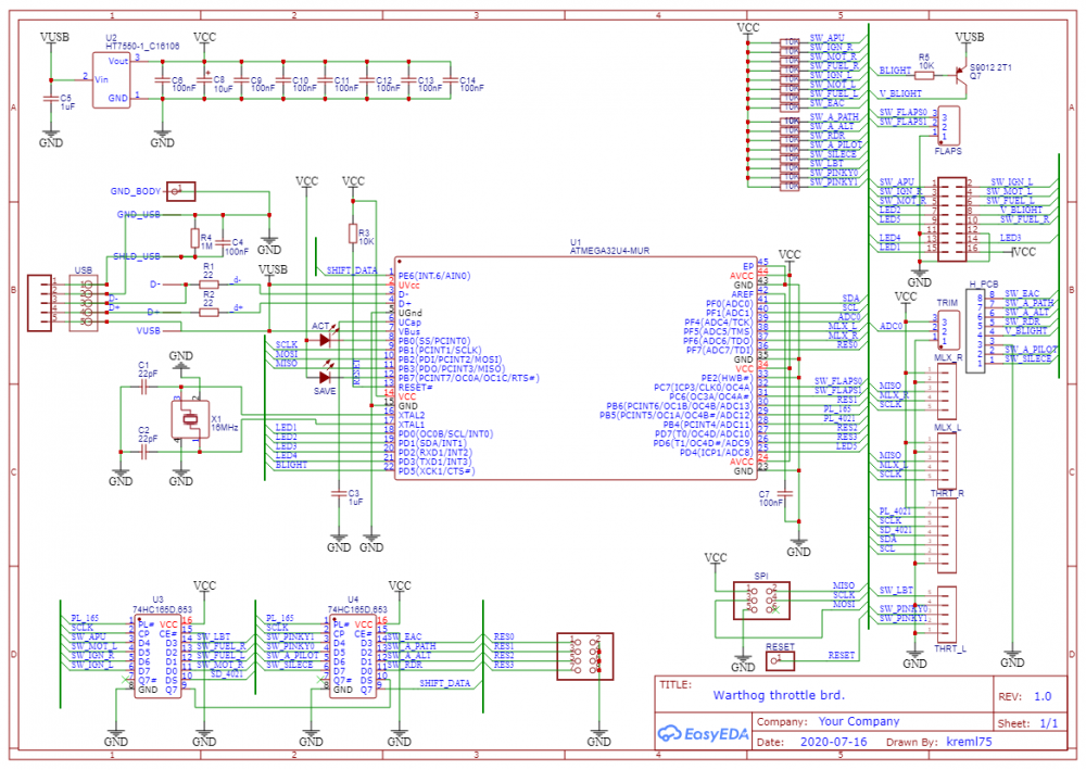
kreml Опубликовано: 9 ноября 2020 Опубликовано: 9 ноября 2020 (изменено) Схема платы, тем кто просил. Изменено 9 ноября 2020 пользователем kreml 2 1
Shimmy Опубликовано: 22 ноября 2020 Опубликовано: 22 ноября 2020 Поменял родной потенциометр слайдера на купленный Bourns с аналогичными характеристиками 100кОм, линейный однооборотный. По габаритам он почти такой же. Пришлось укоротить ручку и ножки крепления частично оставить (оригинал немного толще). Однако оказалось, что новый "шумит" как бы не больше чем родной. "Шум" в отличие от старого стабилен и одинаков во всём диапазоне регулировки... Печалька... Возможно можно убрать его как-то программно - через JoyCtrl. Но тонкости настроек конфигуратора мне не понятны. Только до уровня прошивки, калибровки... Увы, ни какой-то "инструкции", ни tutorial не нашёл. Всё интуитивно... Может установленный потенциометр просто низкого качества? И стоит поискать что-то получше. Покупал в филиале ЧипаДипа - там есть и японские (до 200р) Но только под заказ. Кто что посоветует?... Опять вернулся к мысли о датчике Холла... Стоящие на РУДе и педалях БРД не имеют никакого шума.
D959 Опубликовано: 22 ноября 2020 Опубликовано: 22 ноября 2020 Как вы определяете «шум» через какую программу?
kreml Опубликовано: 22 ноября 2020 Опубликовано: 22 ноября 2020 1 час назад, Shimmy сказал: Поменял родной потенциометр слайдера на купленный Bourns с аналогичными характеристиками 100кОм, линейный однооборотный. По габаритам он почти такой же. Пришлось укоротить ручку и ножки крепления частично оставить (оригинал немного толще). Однако оказалось, что новый "шумит" как бы не больше чем родной. "Шум" в отличие от старого стабилен и одинаков во всём диапазоне регулировки... Печалька... Возможно можно убрать его как-то программно - через JoyCtrl. Но тонкости настроек конфигуратора мне не понятны. Только до уровня прошивки, калибровки... Увы, ни какой-то "инструкции", ни tutorial не нашёл. Всё интуитивно... Может установленный потенциометр просто низкого качества? И стоит поискать что-то получше. Покупал в филиале ЧипаДипа - там есть и японские (до 200р) Но только под заказ. Кто что посоветует?... Опять вернулся к мысли о датчике Холла... Стоящие на РУДе и педалях БРД не имеют никакого шума. В конфигураторе, можно зайти в настройку нужной оси, и там задать коэффициент фильтрации шумов.
sergeype Опубликовано: 22 ноября 2020 Опубликовано: 22 ноября 2020 2 часа назад, Shimmy сказал: Однако оказалось, что новый "шумит" как бы не больше чем родной. "Шум" в отличие от старого стабилен и одинаков во всём диапазоне регулировки... Речь идет о "шуме" при неподвижном движке или о "бросках" при его перемещении? Если первое, то это естественный собственный шум аналогового резистора плюс (возможно) наводки на соединительные провода. Кстати, 100- килоомный резистор в любом случае будет шуметь прилично; я бы туда поставил максимум 10 кОм. Ну, и да, фильтрация шумов в конфигураторе- это наше все (в смысле Ваше, у меня слайдер пока живой ?). Когда сдохнет, попробую заменить на бесконтактный датчик на AS5600; там тесновато, но, думаю, можно впихнуть. 1
RED_REX Опубликовано: 14 января 2021 Опубликовано: 14 января 2021 On 11/2/2020 at 6:35 PM, kreml said: Приехали новые платы для РУДов. Можно уже начинать отправку. Платы полностью готовы, останется только самостоятельно перепаять usb кабель со старой платы на новую. Также к концу месяца жду пробную партию кабелей, чтобы была возможность сразу комплектовать платы, тогда и паять ничего не придется. Станислав, приветствую! Куда на этой новой плате подключается аналоговый министик (тот, который вместо штатного slew)? Спасибо.
kreml Опубликовано: 15 января 2021 Опубликовано: 15 января 2021 Для этого используются теже самые линии, что и под штатный slew. И в конфигураторе нужно будет изменить тип датчика, на аналоговый.
RED_REX Опубликовано: 15 января 2021 Опубликовано: 15 января 2021 Станислав, мне бы подробно - какой провод куда впаивать. ))). И что в конфигураторе настраивать, если ставишь министик вместо slew. Еще было бы неплохо, если бы Вы выложили прошивку для Вашего контроллера для штатного slew и для варианта с министиком. На всякий случай.
kreml Опубликовано: 15 января 2021 Опубликовано: 15 января 2021 А какой министик используете, есть фото?
TheLT Опубликовано: 15 января 2021 Опубликовано: 15 января 2021 (изменено) 1 час назад, kreml сказал: А какой министик используете, есть фото? Привет, Rex-у РУД делал я, поздно увидел эту тему, как увидел схему разобрался. Все работает нормально, министик RKJXV1224005 с серым штоком. Есть несколько вопросов: 1. Можно-ли RES0-RES3 использовать для доп.кнопок? 2. Штатный slew не взлетел с прошивкой контроллера. Как я понял из темы, есть альтернативная прошивка. Можно ее получить, "чтоб была."? Спасибо, 3. Раньше брал конфигуратор и описания проекта с сайта Летяги. Теперь сайта нет. Где можно ознакомиться с платами расширения и подробной информацией по проекту F3, а то отстал от жизни. Изменено 15 января 2021 пользователем TheLT
kreml Опубликовано: 15 января 2021 Опубликовано: 15 января 2021 Т.е. непосредственно вопрос министика решен? Тогда идем дальше 1. Да, можно. На исправленной плате (с логотипом F3) работают все 4 линии. Каждую можно сконфигурировать либо как вход (кнопка) либо как выход (светодиод), также три из этих линий, могут быть осями. На предварительной плате, будут доступны только 3 таких линии. 2. Да, прошивка есть. Она не альтернативная, а просто обновленная, где добавлена поддержка второго типа штатного slew. Все прошивки/конфигуратор находятся тут непосредственно прошивка ...\mainboard\Warthog_Throttle_32u4_v4.7z конфигуратор ...cfg\275020.7z 3. информация пока вся разрозненна, никак руки не дойдут собрать все воедино. Пока к ресурсу с прошивками добавлю еще вот мунуал (требует обновления) f3route - программа роутер, со встроенным сервером sioc и gui для настройки ввода/вывода в контроллер.
TheLT Опубликовано: 15 января 2021 Опубликовано: 15 января 2021 30 минут назад, kreml сказал: Т.е. непосредственно вопрос министика решен? Да, просто аккуратно отпаял от штатной питюльки провода. Не хотелось трогать чтобы можно было быстро вернуть как было но потом плюнул. 30 минут назад, kreml сказал: Тогда идем дальше 1. Да, можно. На исправленной плате (с логотипом F3) работают все 4 линии. Каждую можно сконфигурировать либо как вход (кнопка) либо как выход (светодиод), также три из этих линий, могут быть осями. На предварительной плате, будут доступны только 3 таких линии. 2. Да, прошивка есть. Она не альтернативная, а просто обновленная, где добавлена поддержка второго типа штатного slew. Все прошивки/конфигуратор находятся тут непосредственно прошивка ...\mainboard\Warthog_Throttle_32u4_v4.7z конфигуратор ...cfg\275020.7z 3. информация пока вся разрозненна, никак руки не дойдут собрать все воедино. Пока к ресурсу с прошивками добавлю еще вот мунуал (требует обновления) f3route - программа роутер, со встроенным сервером sioc и gui для настройки ввода/вывода в контроллер. Отлично, спасибо, буду разбираться. Я правильно понимаю что дополнительно нарастить функционал доп.платами расширения с этим контроллером не получится ввиду отсутствия RS485 шины?
kreml Опубликовано: 15 января 2021 Опубликовано: 15 января 2021 Да, это только замена штатного контроллера РУДа, шины RS485 и SPI для плат расширения, в данном случае не реализованы.
RED_REX Опубликовано: 15 января 2021 Опубликовано: 15 января 2021 1 hour ago, kreml said: Т.е. непосредственно вопрос министика решен? Да, вроде как все получилось, спасибо TheLT, я бы сам пожалуй не разобрался. Для таких как я нужно пошаговые инструкции писать.
TheLT Опубликовано: 28 января 2021 Опубликовано: 28 января 2021 Вопрос Станиславу, Обновил JCC3 до 269121, обновил прошивку на кабанской плате (старой, на AT90) до 139. Всё хорошо работает, кроме Бауровского РУСа на С5 с 137 прошивкой, в которой не видно раздел осевого ввода. Есть-ли обновлённая прошивка 139 для С5?
kreml Опубликовано: 28 января 2021 Опубликовано: 28 января 2021 Да, конечно. На выходных выложу полный комплект прошивок.
TheLT Опубликовано: 10 февраля 2021 Опубликовано: 10 февраля 2021 28.01.2021 в 18:40, kreml сказал: Да, конечно. На выходных выложу полный комплект прошивок. Прошу прощения, не дошли-ли руки до прошивки? Спасибо,
kreml Опубликовано: 11 февраля 2021 Опубликовано: 11 февраля 2021 Срочно пришлось уехать, только вернулся. Все сделаю)
FurryTaco Опубликовано: 30 июля 2021 Опубликовано: 30 июля 2021 @kreml, почистите личку, пожалуйста. "Пользователь не может получать сообщения" Хотел уточнить про наличие и стоимость сменных плат.
Alator Опубликовано: 31 июля 2021 Опубликовано: 31 июля 2021 А где найти материал по самостоятельному изготовлению плат и? Если есть конечно такой..
Vumpel18 Опубликовано: 31 июля 2021 Опубликовано: 31 июля 2021 1 час назад, Alator сказал: А где найти материал по самостоятельному изготовлению плат и? Если есть конечно такой.. http://stigltd.ru/catalog/folgirovannyy-steklotekstolit/?utm_source=eLama-google&utm_medium=cpc&utm_campaign=[Контекст][СТИГ+-+общая][РФ]&utm_content=cid|13907521350|gid|127424170000|aid|534112394618|dvc|c|pid|kwd-1391199148015|pos||adn|g|mt|p&utm_term=стеклотекстолит фольгированный&gclid=Cj0KCQjw6ZOIBhDdARIsAMf8YyHF7erqpcR9_4kx1ZhAK0OWZyBwNs_9W8tW7RlXI845pvK2_ogyCcQaAk-rEALw_wcB Только что, Vumpel18 сказал: http://stigltd.ru/catalog/folgirovannyy-steklotekstolit/?utm_source=eLama-google&utm_medium=cpc&utm_campaign=[Контекст][СТИГ+-+общая][РФ]&utm_content=cid|13907521350|gid|127424170000|aid|534112394618|dvc|c|pid|kwd-1391199148015|pos||adn|g|mt|p&utm_term=стеклотекстолит фольгированный&gclid=Cj0KCQjw6ZOIBhDdARIsAMf8YyHF7erqpcR9_4kx1ZhAK0OWZyBwNs_9W8tW7RlXI845pvK2_ogyCcQaAk-rEALw_wcB Гораздо проще приобрести уже готовые с запайкой платы. Этим Вы экономите своё время и нервы близких родственников. 1 1
Rouslan Опубликовано: 31 июля 2021 Опубликовано: 31 июля 2021 Дык он про схемы и прошивки А не про канифоль с текстолитом.
Alator Опубликовано: 31 июля 2021 Опубликовано: 31 июля 2021 3 часа назад, Alator сказал: А где найти материал по самостоятельному изготовлению плат и? Если есть конечно такой.. Пардоньте.... написал не в ту тему. Имел ввиду контроллер Станислава (Kreml) и сопутствующие платы расширения к нему.
wos Опубликовано: 11 сентября 2021 Опубликовано: 11 сентября 2021 @kremlЗдравствуйте, подскажите правильную схему подключения министика, куда подключать - напрямую на плату контролера или вместо штатного. Пробовал вместо штатного сильно дрожат оси, не помогают фильтры, землю и питание на разные концы потенциометров или в воздухе один конец висеть оставлять?
FrAG_archer Опубликовано: 19 февраля 2022 Опубликовано: 19 февраля 2022 Коллеги, кто-нибудь в курсе: где взять шлейф - который от правой рукоятки идёт на материнчкую плату контроллера? Гд-то в шлейфе, похоже, проводок надломился: флапают все кнопки правой ручки ((
FrAG_archer Опубликовано: 19 февраля 2022 Опубликовано: 19 февраля 2022 Кто знает - как извлечь 7-пиновый шлейф из рукоятки? Скрытый текст
FurryTaco Опубликовано: 21 февраля 2022 Опубликовано: 21 февраля 2022 (изменено) Надо открутить два винта, держащие рукоятку (на Вашем фото рядом со шлейфом), отключить шлейф от платы в основании, снять крышку удерживающую детенты и сам детент. За этими двумя винтами пружинка которая удерживает ручку прижатой к детенту, не потеряйте. Дальше аккуратно вытаскиваете рукоятку вверх, следя за тем, чтобы не зацепился шлейф (рукоятка насажена на пластиковое основание). После того как вытащили, раскручиваете два винта у основания и три основных винта, после этого снимаете боковую крышку ручки и достаете шлейф из канала ручки. Писал по памяти, мог забыть какой-то пункт. Изменено 21 февраля 2022 пользователем FurryTaco
=K=Shadow_LW Опубликовано: 7 марта 2022 Опубликовано: 7 марта 2022 03.11.2020 в 02:35, kreml сказал: Приехали новые платы для РУДов. Можно уже начинать отправку. Платы полностью готовы, останется только самостоятельно перепаять usb кабель со старой платы на новую. Также к концу месяца жду пробную партию кабелей, чтобы была возможность сразу комплектовать платы, тогда и паять ничего не придется. здравствуйте.подскажите есть ещё в продаже платы?если есть то хотел бы узнать цену.
pombur Опубликовано: 31 марта 2022 Опубликовано: 31 марта 2022 Здравствуйте, тоже проблем на руде комп не видит оси, переустановка, прошивка ,калибровка, юсб с питанием и без, толку ноль, может еще есть варианты или плата на замену, всё кроме осей работает.
LAN Опубликовано: 19 мая 2022 Опубликовано: 19 мая 2022 (изменено) @kremlСтанислав, тема с платами для Warthog жива? Изменено 19 мая 2022 пользователем LAN
kreml Опубликовано: 21 мая 2022 Опубликовано: 21 мая 2022 (изменено) Платежи за рубеж не работают, заказать изготовление на заводе ( jlcpcb.com ) для меня сейчас невозможно. Если у кого то есть такая возможность и готов за это взяться, я могу предоставить все необходимые для изготовления файлы. Изменено 21 мая 2022 пользователем kreml 1 2
Krysnic Опубликовано: 22 мая 2022 Опубликовано: 22 мая 2022 23 часа назад, kreml сказал: Платежи за рубеж не работают, заказать изготовление на заводе ( jlcpcb.com ) для меня сейчас невозможно. Если у кого то есть такая возможность и готов за это взяться, я могу предоставить все необходимые для изготовления файлы. На днях получил платы от jlcpcb. Заказать можно на алиэкспресс, из минусов немного гемморно и немного дороже. Но лучше так чем никак, так что кому нужны платы может заказать таким образом.
72AG_Pumuch25 Опубликовано: 22 мая 2022 Опубликовано: 22 мая 2022 Есть инструкция как заказать платы с jlcpcb https://vk.com/doc145613276_634308204?hash=WOAT6azVOcN732S5Uc7I8eS060uzoZP1MBJj4h8Ye2w&dl=8vwR0fLfO4k0S0FkEN1XDM1XLmWvCjepAJ8sswiwBM0 1 3
Рекомендованные сообщения
Создайте аккаунт или войдите в него для комментирования
Вы должны быть пользователем, чтобы оставить комментарий
Создать аккаунт
Зарегистрируйтесь для получения аккаунта. Это просто!
Зарегистрировать аккаунтВойти
Уже зарегистрированы? Войдите здесь.
Войти сейчас