Перейти к публикации

Рекомендованные сообщения

Опубликовано: (изменено)
5 часов назад, Akademik сказал:

Получается  один контакт на Push (они все соединенены между собой, по крайней мере тестер звенит), один - GND (земля), один СОМ и по одному на стороны? Т.е. Земля и 6 контактов?

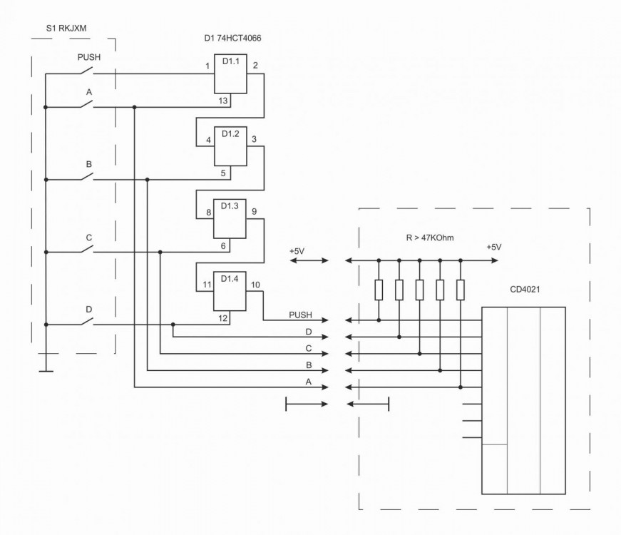
Правильно. Земля- это металлический корпус. PUSH соединяем с землей, к направлениям и COM цепляем резисторы подтяжки на плюс питания. Но еще раз- центральная кнопка (COM) будет срабатывать и при нажатии на нее, и после нажатия любого из направлений. Избежать этого можно или программно (скажем, у ВКБ в контроллерах хатку можно сконфигурировать, как ALPS, но MMJoy2 этого не позволяет), или нужно ставить схему, блокирующую сигнал COM при наличии любого из сигналов направлений. Например, как в прицепленном варианте на двух транзисторах и четырех диодах, который я рисовал для американского коллеги с другого форума; захотите повторить- учтите, что диоды нужно ставить только Шоттки (с малым падением напряжения); это плата за простоту?. Или сделать на одной 74HCT4066, как предложил коллега с этого форума; только там верхняя кнопка (контакт)- не PUSH, а COM. 

RKJXM Sketch.jpg

post-56549-0-46558800-1506775796.jpg

Изменено пользователем sergeype
  • Поддерживаю! 1
Опубликовано:

Спас

3 минуты назад, sergeype сказал:

Правильно. Земля- это металлический корпус. PUSH соединяем с землей, к направлениям и COM цепляем резисторы подтяжки на плюс питания. Но еще раз- центральная кнопка (COM) будет срабатывать и при нажатии на нее, и после нажатия любого из направлений. Избежать этого можно или программно (скажем, у ВКБ в контроллерах хатку можно сконфигурировать, как ALPS, но MMJoy2 этого не позволяет), или нужно ставить схему, блокирующую сигнал COM при наличии любого из сигналов направлений. Например, как в прицепленном варианте на двух транзисторах и четырех диодах, который я рисовал для американского коллеги с другого форума; захотите повторить- учтите, что диоды нужно ставить только Шоттки (с малым падением напряжения); это плата за простоту?. Или сделать на одной 74HCT4066, как предложил коллега с этого форума; только там верхняя кнопка (контакт)- не PUSH, а COM. 

RKJXM Sketch.jpg

post-56549-0-46558800-1506775796.jpg

Спасибо

Опубликовано:

Не могу понять, что не так. У меня есть 2 контроллера на ардуине с шилдом от Swift'а. К шилду напрямую подключаю кнопки, они работают. Подключаю и настраиваю оси, оси работают, но кнопки пропадают. Программа показывает такую картинку

Buttons.thumb.jpg.6ad5a58aa0e99ebebc1cb6aa71e0f57a.jpg

 

При этом оси работают просто на ура. Что может быть с кнопками не так?

Опубликовано:
7 минут назад, micro-flight сказал:

Не могу понять, что не так. У меня есть 2 контроллера на ардуине с шилдом от Swift'а. К шилду напрямую подключаю кнопки, они работают. Подключаю и настраиваю оси, оси работают, но кнопки пропадают. Программа показывает такую картинку

Buttons.thumb.jpg.6ad5a58aa0e99ebebc1cb6aa71e0f57a.jpg

 

При этом оси работают просто на ура. Что может быть с кнопками не так?

D3 надо переписать на D1 и сохранить в контроллер.

  • Нравится 1
Опубликовано:
51 минуту назад, MYCYJIbMAHUH сказал:

D3 надо переписать на D1 и сохранить в контроллер.

О, спасибо! Вот это сработало!

Но теперь другой адский глюк. Поставил систему с нуля, пока она чистая, конфигуратор мджоя работает на ура. Но по мере того, как ставлю программы, последними были opentrack и блютухные проги, при вызове конфигуратора система валится с синим экраном. Этому есть какое то объяснение?

Опубликовано:
1 час назад, micro-flight сказал:

Не могу понять, что не так. У меня есть 2 контроллера на ардуине с шилдом от Swift'а. К шилду напрямую подключаю кнопки, они работают. Подключаю и настраиваю оси, оси работают, но кнопки пропадают. Программа показывает такую картинку

Buttons.thumb.jpg.6ad5a58aa0e99ebebc1cb6aa71e0f57a.jpg

 

При этом оси работают просто на ура. Что может быть с кнопками не так?

Перейти в закладку USBDeview-в нижнем правом углу.Там почистить (юнистал) все ммджои и прочие устройства когда либо подключаемые к компу.Потом перезагрузите компьютер.Возможно поможет.

Опубликовано:
4 часа назад, MYCYJIbMAHUH сказал:

Перейти в закладку USBDeview-в нижнем правом углу.Там почистить (юнистал) все ммджои и прочие устройства когда либо подключаемые к компу.Потом перезагрузите компьютер.Возможно поможет.

Теперь кнопки на шилде видны, но со сдвиговыми регистрами непонятно. Плату подключил к Data out и на шилде к соответственно подписанной

Untitled-1.thumb.jpg.0d467ee44d339e0c9000e644fe68c1c9.jpg

 

На панели управления теперь красных кнопок нет, мигает только подключенная,

image_2021_10_05T13_25_47_013Z.thumb.png.10bb98a00041d995c82fd8190db79dbb.png

Но когда замыкаю контакты или кнопки на плате сдвиговых регистров, результата не вижу. Тоже что-то неправильно делал?

 

Опубликовано: (изменено)
10 минут назад, micro-flight сказал:

Но когда замыкаю контакты или кнопки на плате сдвиговых регистров, результата не вижу. Тоже что-то неправильно делал?

В конфигурации всего пять регистров.

Вот их количество нужно и прописать с сохранением в памяти настроек контроллера.

Скрытый текст

image_2021_10_05T13_25_47_013Z.png.d1180ee940366dc6a9e94561ecdc1785.thumb.png.a8c443bcf1239d9e4aca7002e94bfc33.png

 

Изменено пользователем Vumpel18
  • Нравится 1
Опубликовано:
30 минут назад, micro-flight сказал:

Теперь кнопки на шилде видны, но со сдвиговыми регистрами непонятно. Плату подключил к Data out и на шилде к соответственно подписанной

Untitled-1.thumb.jpg.0d467ee44d339e0c9000e644fe68c1c9.jpg

 

На панели управления теперь красных кнопок нет, мигает только подключенная,

image_2021_10_05T13_25_47_013Z.thumb.png.10bb98a00041d995c82fd8190db79dbb.png

Но когда замыкаю контакты или кнопки на плате сдвиговых регистров, результата не вижу. Тоже что-то неправильно делал?

 

Скачайте и распакуйте архив на корневой диск.https://drive.google.com/file/d/1cxT1d43cWDY0rQdOZN9p48kZiwf9v6Be/view эта версия отлично работает.

Придётся перепрошить ардуинку.Только смотрите автоматом прошивочный HEX в строке будет от предыдущего конфигуратора.Его надо будет заменить на HEX версии 20161125.

Опубликовано: (изменено)

Сначала не помешает проверить правильность подключения платы расширения с плате Shield.

Скрытый текст

На платах с обратной стороны нанесена цоколёвка подключения шелкографией белого цвета.

В помощь: 

Порядок контактов в разъемах подключения плат регистров:

1. GND (G) (ground) — заземление, общий для всех,

2. (+5 V) — питание, общий для всех,

3. (chip select) — выбор микросхемы, индивидуальный (для цепочки регистров),

4. — передача данных от устройства контроллеру, индивидуальный для каждой цепочки сдвиговых регистров,

5. (serial clock) — передача тактового сигнала ведомым устройствам, общий для всех.

437940797_24.rev_CMMJOY2design.thumb.jpg.39e992bfacc7de51205b2ef584bfb291.jpg

От смены прошивки не верно подключенным регистрам фиолетово.

Изменено пользователем Vumpel18
Опубликовано:

Я просто предложил установить рабочую версию прошивки на которой кнопки прописываются и видятся от первой и до какой-то.

В прошивке 20161101 глюк на кнопках №37,38,39,40.

  • Поддерживаю! 1
Опубликовано:
14 часов назад, Vumpel18 сказал:

В конфигурации всего пять регистров.

Вот их количество нужно и прописать с сохранением в памяти настроек контроллера.

  Показать содержимое

image_2021_10_05T13_25_47_013Z.png.d1180ee940366dc6a9e94561ecdc1785.thumb.png.a8c443bcf1239d9e4aca7002e94bfc33.png

 

Спасибо! Теперь работает

Опубликовано:
05.10.2021 в 10:22, micro-flight сказал:

с шилдом от Swift'а

Это шилд от Capitanblood.

Целиком его мозг и руки.

Я только спаял.

  • ХА-ХА 1
  • Поддерживаю! 1
Опубликовано:

Как назначать кнопки, в случае если используется тумблер или ползунковый переключатель которые постоянно включены? Галка "автоматически назначать активную кнопку" снята, но кнопки все равно самоназначаются. Если кнопку зажать и нажимать на поле физической кнопки, то можно назначить, но далеко не все кнопки подхватываются.

image_2021_10_09T17_20_53_236Z.thumb.png.044d6e3ebf57dd6fe719d68b25d650e3.png

Опубликовано:
7 часов назад, micro-flight сказал:

Как назначать кнопки, в случае если используется тумблер или ползунковый переключатель которые постоянно включены? Галка "автоматически назначать активную кнопку" снята, но кнопки все равно самоназначаются. Если кнопку зажать и нажимать на поле физической кнопки, то можно назначить, но далеко не все кнопки подхватываются.

image_2021_10_09T17_20_53_236Z.thumb.png.044d6e3ebf57dd6fe719d68b25d650e3.png

Столбик "Режим". Нажимаешь "Кнопка (норм)". Появляется треугольник и раскрывается меню. Там варианты. Твои варианты не смогу подсказать, т.к. сам не использую. Применяй метод научного тыка.

Опубликовано:
7 часов назад, micro-flight сказал:

Как назначать кнопки, в случае если используется тумблер или ползунковый переключатель которые постоянно включены? Галка "автоматически назначать активную кнопку" снята, но кнопки все равно самоназначаются. Если кнопку зажать и нажимать на поле физической кнопки, то можно назначить, но далеко не все кнопки подхватываются.

image_2021_10_09T17_20_53_236Z.thumb.png.044d6e3ebf57dd6fe719d68b25d650e3.png

Можно на листок выписать номера кнопок.Отключить устройсьво от компьютера,записать кнопки.подключить устройство и сохранить в контроллер.

Опубликовано:

К примеру как прописать обычный тумблер on-off.

К примеру тумблер -физ.кнопка 1. 

 

      физ.кнопка                 режим                таймер

 

                1           \           тумб.вкл          \     таймер 1

                 1            \          тумб.выкл        \    таймер 1.

 

Не забываем назначить самому  таймер  время задержки .К примеру 60 м\сек достаточно.

Сохраняем всё в контроллер.

Теперь наш тумблер видится как две кнопки,которая включает и отключает.

Такие функции кнопкам можно прописать только до физ.кнопки 32.Поэтому постарайтесь назначать в режимах энкодеры или другие реверсные кнопки ,до физ.кнопки 32.

 

Опубликовано:
1 час назад, MYCYJIbMAHUH сказал:

К примеру как прописать обычный тумблер on-off.

К примеру тумблер -физ.кнопка 1. 

 

      физ.кнопка                 режим                таймер

 

                1           \           тумб.вкл          \     таймер 1

                 1            \          тумб.выкл        \    таймер 1.

 

Не забываем назначить самому  таймер  время задержки .К примеру 60 м\сек достаточно.

Сохраняем всё в контроллер.

Теперь наш тумблер видится как две кнопки,которая включает и отключает.

Такие функции кнопкам можно прописать только до физ.кнопки 32.Поэтому постарайтесь назначать в режимах энкодеры или другие реверсные кнопки ,до физ.кнопки 32.

 

Ок, спасибо, буду пробовать. Есть ли способ удалять уже прописанные кнопки?

p.s. Кстати определил причину синего экрана вызываемой запуском программы-конфигуратора. Это блютуф. 

Опубликовано:
2 минуты назад, micro-flight сказал:

Ок, спасибо, буду пробовать. Есть ли способ удалять уже прописанные кнопки?

 

Сброс конфигурации кнопок.

 

Опубликовано:
4 часа назад, =SOVA=Teiger сказал:

Столбик "Режим". Нажимаешь "Кнопка (норм)". Появляется треугольник и раскрывается меню. Там варианты. Твои варианты не смогу подсказать, т.к. сам не использую. Применяй метод научного тыка.

Да, пробовал, проблема в оставшемся автозахвате.

 

3 часа назад, MYCYJIbMAHUH сказал:

К примеру как прописать обычный тумблер on-off.

К примеру тумблер -физ.кнопка 1. 

 

      физ.кнопка                 режим                таймер

 

                1           \           тумб.вкл          \     таймер 1

                 1            \          тумб.выкл        \    таймер 1.

 

Не забываем назначить самому  таймер  время задержки .К примеру 60 м\сек достаточно.

Сохраняем всё в контроллер.

Теперь наш тумблер видится как две кнопки,которая включает и отключает.

Такие функции кнопкам можно прописать только до физ.кнопки 32.Поэтому постарайтесь назначать в режимах энкодеры или другие реверсные кнопки ,до физ.кнопки 32.

 

Мне нужно, чтобы каждый переключатель это были 2 кнопки. Самым простым решением оказалось отпайка и перепайка контактов переключателя и последовательное назначение. 

Опубликовано:
7 часов назад, micro-flight сказал:

Ок, спасибо, буду пробовать. Есть ли способ удалять уже прописанные кнопки?

 

Выделить строку, нажать Del на клавиатуре.

Опубликовано:
19 минут назад, =FB=Tokar сказал:

Выделить строку, нажать Del на клавиатуре.

Без перезаписи в память контроллера такие действия что мёртвому припарки.

Опубликовано:

Наткнулся на алике вот на такую штуку. Знающие поясните пож, это уже готовый контроллер? Или что для него нужно ещё чтобы можно было ставить в свои изделия? 

1 981,53 руб.  7%СКИДКА | Mjoy Atmega 32u4 DIY Имитация гоночного автомобиля центр управления полетной панелью ножного руля mmjoy16
https://a.aliexpress.com/_Ap95On

Опубликовано: (изменено)
17 минут назад, MYCYJIbMAHUH сказал:

https://a.aliexpress.com/_Ap95On

Для руда пойдёт.

Виктор, а в качестве датчиков сюда только tle шки идут или обычные резисторы тоже можно переменные? И не указали они сколько кнопок можно подключить. Я с этим не сталкивался, не понимаю. На кремлёвском все понятно и у вирпил тоже, а здесь не понимаю. 

Изменено пользователем doktor_3007
Опубликовано:
6 минут назад, doktor_3007 сказал:

Виктор, а в качестве датчиков сюда только tle шки идут или обычные резисторы тоже можно переменные? И не указали они сколько кнопок можно подключить. Я с этим не сталкивался, не понимаю. На кремлёвском все понятно и у вирпил тоже, а здесь не понимаю. 

По шилду я прочитал,что на него можно повесить восемь аналоговых осей(обычные потенциометры на 10ком).Двадцать четыре кнопки,и светодиоды.

 

Опубликовано:
12 минут назад, MYCYJIbMAHUH сказал:

По шилду я прочитал,что на него можно повесить восемь аналоговых осей(обычные потенциометры на 10ком).Двадцать четыре кнопки,и светодиоды.

 

То есть по идее магниторезисторы тоже будут работать (от gvl к примеру) 

Опубликовано:
3 минуты назад, doktor_3007 сказал:

То есть по идее магниторезисторы тоже будут работать (от gvl к примеру) 

Да,будут.

Опубликовано:
4 минуты назад, MYCYJIbMAHUH сказал:

Да,будут.

Спасибо

Опубликовано:
7 минут назад, MYCYJIbMAHUH сказал:

Да,будут.

Только на тех рабочих углах которые "прибиты гвоздями" к конкретному датчику.

Опубликовано:

А что лучше поставить? 

Я так понимаю tle здесь не поддерживается, хотя вроде тот же mmjoy

Опубликовано:
1 минуту назад, doktor_3007 сказал:

А что лучше поставить? 

Комароф вроде делал\делает магниторезисторы похожие как на COBRA M5 3.rev

Горянский Виталий может сделать датчик на требуемый угол.

4 минуты назад, doktor_3007 сказал:

 

Я так понимаю tle здесь не поддерживается, хотя вроде тот же mmjoy

Я по картинке не увидел чтобы есть разъёмы под TLE.А там один Бог знает что туда можно подключить.

Опубликовано:
14 минут назад, doktor_3007 сказал:

А что лучше поставить? 

Я так понимаю tle здесь не поддерживается, хотя вроде тот же mmjoy

Это китайская подделка под MMJOY2.

Датчики на чипах  TLE не поддерживаются.

Скрытый текст

Не пытайтесь себя обмануть.

 

Опубликовано:
7 часов назад, doktor_3007 сказал:

А что лучше поставить? 

Я так понимаю tle здесь не поддерживается, хотя вроде тот же mmjoy

MMJOY2 (бесплатная прошивка и софт для самодельного контроллера джойстика)

аппаратный USB 2.0, обновление данных до 1000 пакетов в секунду.
возможность изменения USB VID/PID/Названия, можно подключать несколько платок как разные независимые игровые устройства.
 
ввод до 8 осей и 128 кнопок.
подключение оси аналоговые: резисторы, холлы, магрезы. можно подключить через внешние 12 битные(4000 отсчетов) АЦП линейки MCP3201/3202/3204/3208.
подключение оси цифровые: TLE5010/5011, KMA200, KMZ60+MCP3202.
подключение кнопки: матрица кнопок через диоды, сдвиговые регистры 74HC165, сдвиговые регистры HEF4021B (ручки джойстиков Defender Cobra M5, Thrustmaster FLCS/Cougar/Warthog).
функции работы с осями: калибровка, инвертирование, фильтр-сглаживание шумов, мертвые зоны, кривые отклика, зум, оси в кнопки.
функции работы с кнопками: хатка, тумблеры, енкодеры, софт-тумблеры, шифты, кнопки в оси.

вывод светодиоды WS2811/2812 RGB до 20 штук (можно задать любой оттенок RGB любому светодиоду в цепочке независимо от других), символьные числовые экранчики MAX7219 до 4х экранчиков (всего 32 знака, также каждый управляется независимо).

  • Нравится 1
Опубликовано:
17.10.2021 в 09:44, doktor_3007 сказал:

Наткнулся на алике вот на такую штуку.
https://a.aliexpress.com/_Ap95On

Эта штука поддерживает 8 аналоговых осей (переменные резисторы), 24 кнопки непосредственно и остальные через дополнительные платы расширения, подключаемые к двум слотам расширения.

У меня более сложная предыдущая версия. Эта пришла на смену :-(.

На ней D0 и D1 для HC165 (соединены с распаянными на плате), D2 и D3 непосредственно к контроллеру - можно и для HC165, и для 4021.

  • 2 недели спустя...
Опубликовано:

Коллеги во джоестроении, прошу вашей помощи/консультации. Передельівая РУС-2 в напольньій ддойстик, использовпл в качестве контроллера Arduino Pro Micro  с подключенньіми через сдвиговьій регистр  74HC165 кнопками разделенньіми на две группьі: 3 кнопки собственно на РУС и 4 - хатка от джойстика- донора. Но вот тут полезли первьіе проблемьі: при указанной конфигурации , т.е. 3+4 - кнопки работабт безупречно, а вот хатка в одном положении обеспечивает срабатьівание двух кнопок одновременно: срабатьівает кнопка на хатке и кнопка на РУС. При активации єтой же кнопки на РУС активация кнопки на хатке не происходит.

При подключении же еще одной постоянно замкнутой кнопки (тормоз) в группу РУС - попядок сработок кнопок меняется полностью, они начинают отрабатьівать хаотические нажатия, иногда с мигающим подключением.

Проверил - подкючено все верно, замьікание контактрв непосредственно на плате СР работает корректно, за исключением описанной вьіше ситуации с отбаботкой двойного нажатия.

Понимаю - сумбурно, но может подскажете, куда рьіть?

Может слишком длинньіе кабеля подключения, или имеет значения из разное сечение?

Опубликовано:

Комрады, на двух Ардуино и всех датчиках ТЛЕ имею такую проблему. Существуют такие положения магнита, при которых ММджой не может выдать единственное зафиксированное значение по оси. 

Т.е. мы передвигаем рычаг на некоторые угол, удерживаем и получаем кардиограмму

133695890_2021-11-05230958.thumb.jpg.f1f7d802b98e9b9b036599fa6b2cb204.jpg

Значение оси перескакивает в данном случае с 1504  1150431732_2021-11-05231039.jpg.4e134b31842b99dc19b92aa369b5eae7.jpgдо 1798032354_2021-11-05231050.jpg.46f8b24336ec3ad519b25c2e915cc1e3.jpg

Данный пример собран в тисках на отдельном устойчивом подшипнике без каких-либо люфтов, дрожи и т.д. В ММджое выставлен диапазон в 1000 отсчетов для отлавливания скачков.

Если такое случается в околонулевой зоне на оси тангажа, то тонкое прицеливание становится неприятным. Приходится ловить метку. Это слегка лечится увеличением числа отсчетов до 4000 и выше, сглаживанием х4. Но если наш джойстик имеет небольшие углы физ.хода, то мы никак не можем выставить высокое значение отсчетов в калибровке.

Что-то я неправильно делаю? Не так калибрую, не так ставлю магниты. Проблема не фатальная, но встречать её неприятно.

Опубликовано:
13 минут назад, =FB=Tokar сказал:

Комрады, на двух Ардуино и всех датчиках ТЛЕ имею такую проблему. Существуют такие положения магнита, при которых ММджой не может выдать единственное зафиксированное значение по оси. 

Т.е. мы передвигаем рычаг на некоторые угол, удерживаем и получаем кардиограмму

133695890_2021-11-05230958.thumb.jpg.f1f7d802b98e9b9b036599fa6b2cb204.jpg

Значение оси перескакивает в данном случае с 1504  1150431732_2021-11-05231039.jpg.4e134b31842b99dc19b92aa369b5eae7.jpgдо 1798032354_2021-11-05231050.jpg.46f8b24336ec3ad519b25c2e915cc1e3.jpg

Данный пример собран в тисках на отдельном устойчивом подшипнике без каких-либо люфтов, дрожи и т.д. В ММджое выставлен диапазон в 1000 отсчетов для отлавливания скачков.

Если такое случается в околонулевой зоне на оси тангажа, то тонкое прицеливание становится неприятным. Приходится ловить метку. Это слегка лечится увеличением числа отсчетов до 4000 и выше, сглаживанием х4. Но если наш джойстик имеет небольшие углы физ.хода, то мы никак не можем выставить высокое значение отсчетов в калибровке.

Что-то я неправильно делаю? Не так калибрую, не так ставлю магниты. Проблема не фатальная, но встречать её неприятно.

Заменить магниты.

Ручная калибровка.

Опубликовано:

Может покопатся в допустимых положениях магнитной диаграммы магнита относительно датчика?

Например у AS5600 все совсем очень не просто, пока не прочтешь usermanual.

А как прочтешь - проще вообще не бывает

 

  • 3 недели спустя...
Опубликовано:

Что-то я ребята засомневался. Хочу в один корпус РУД вставить Промикро + контроллер от х52Про (чтобы у меня осей было больше чем 8 штук). Подключить их в разные порты USB компа. А сомневаюсь я в возможности Ил-2БЗС работать в игре одновременно с 2 джойстиками. Кто пробовал? Или не получится у меня?

Создайте аккаунт или войдите в него для комментирования

Вы должны быть пользователем, чтобы оставить комментарий

Создать аккаунт

Зарегистрируйтесь для получения аккаунта. Это просто!

Зарегистрировать аккаунт

Войти

Уже зарегистрированы? Войдите здесь.

Войти сейчас
×
×
  • Создать...