Перейти к публикации

Рекомендованные сообщения

Опубликовано:

Во-первых он Расстренин, во-вторых - будут оригиналы отчетов по обстрелу с удовольствием обсужу их хоть с тобой, хоть с Акселем, хоть за попкорном, хоть за пивом :)

:) Аксель "дуплетствовать" не любит. Легче жить по клише и безоговорочно верить всякому загрузу. Но если все же "подуплетствовать". Имеем повреждение маслопровода пулей 7,62 на М-105 и на DB601. Оба двигателя гарантированно выведены из строя. Вот только немец заглохнет сразу, как давление в маслосистеме упадет, поскольку выключился гидромуфта нагнетателя, и двиг захлебнется без воздуха. А наш еще протарахтит минуты три, пока коленвал не заклинит. А три минуты,- это 15 км полета, можно и линию фронта перетянуть. Вряд ли это игра учитывает, но жизнь учитывает это однозначно.

  • Поддерживаю! 6
Опубликовано: (изменено)
Вот только немец заглохнет сразу, как давление в маслосистеме упадет, поскольку выключился гидромуфта нагнетателя, и двиг захлебнется без воздуха.

Я вижу что ты тоже совсем не любишь клише))). Двигатель вполне сможет работать как обычный атмосферник, конечно с мощностью будет полный швах - только домой и в кратчайшие сроки. Более того, трехрядные роликовые подшипники качения в конструкции КШМ DB позволит дольше проработать без масла чем конструкция на подшипниках скольжения.

 

А наш еще протарахтит минуты три

Двигатель в руках опытного летчика способен работать сутками. ;)

 

 

Вряд ли это игра учитывает, но жизнь учитывает это однозначно.

А еще жизнь учитывает то, что огромное количество повреждений от стрелкового оружия техники и личного состава, в том числе крупного калибра, я видел лично своими глазами.

 

зы: Саша, слово "дуплетствовать" я применил не как оскорбительное или уничижительное а как значение сухих расчетов без учета случая и человеческого фактора (читай рандома в игре). К сожелению в игре, надеюсь пока, нет множества систем которые легко повреждаются осколками и пулеметными калибрами т.к. при наличии этих систем живучесть самолета сильно изменится.  

Изменено пользователем =R=Axel*
Опубликовано: (изменено)

Возможно кто-то тоже переоценивает эффективность МК-108 но вот вопрос - куда им попасть. attachicon.gifmk108VSblenheim.jpg Саша, я выше написал, что все зависит от места куда 20мм прилетело.

Тоже тот же боеприпас.

post-8261-0-72400100-1453886483_thumb.jpgpost-8261-0-52345000-1453886503_thumb.jpgpost-8261-0-66884900-1453886518_thumb.jpg

Но самолеты и сели, и потом летали.

Изменено пользователем =MG=Dooplet11
Опубликовано:

 

 

Тоже тот же боеприпас.
Откуда это известно, что тот же? И какой тот же?
Опубликовано:

Я вижу что ты тоже совсем не любишь клише))). Двигатель вполне сможет работать как обычный атмосферник, конечно с мощностью будет полный швах - только домой и в кратчайшие сроки. Более того, трехрядные роликовые подшипники качения в конструкции КШМ DB позволит дольше проработать без масла чем конструкция на подшипниках скольжения.

 

 

Двигатель в руках опытного летчика способен работать сутками. ;)

 

 

 

А еще жизнь учитывает то, что огромное количество повреждений от стрелкового оружия техники и личного состава, в том числе крупного калибра, я видел лично своими глазами.

 

зы: Саша, слово "дуплетствовать" я применил не как оскорбительное или уничижительное а как значение сухих расчетов без учета случая и человеческого фактора (читай рандома в игре). К сожелению в игре, надеюсь пока, нет множества систем которые легко повреждаются осколками и пулеметными калибрами т.к. при наличии этих систем живучесть самолета сильно изменится.

 

В отношении к ДБ 601 ,установленному на самолете, атмосферника не выйдет, не всосет он ничего в себя с заблокированным нагнетателем. Посмотри устройство. Так что и двухрядные шарикоподшипники не помогут. Но это частности. Главное рандом и человеческий фактор. ;)

Откуда это известно, что тот же? И какой тот же?

Тот же миненгешос. Не бронебойная болванка.

  • Поддерживаю! 1
Опубликовано: (изменено)
Посмотри устройство

Смотрел. Поршни сами по себе являются прекрасным насосом и способны без участия нагнетателя обеспечить работу двигателя. Я думаю что при повреждении масляной системы скорее произойдет возгорание и три минуты не протянет и твой Як и мой BF-109.

 

Так что и двухрядные шарикоподшипники не помогут. Но это частности. Главное рандом и человеческий фактор.

Главное верить, что есть твое мнение и неправильное.

 

Тот же миненгешос.

Откуда известно, что эти два самолета продолжили летать? Может их в ПАРМе на донора разбирают?

Изменено пользователем =R=Axel*
  • Поддерживаю! 1
Опубликовано:

Более того, трехрядные роликовые подшипники качения в конструкции КШМ DB позволит дольше проработать без масла чем конструкция на подшипниках скольжения.

А можно поподробнее?db601n.jpg

 

  • Поддерживаю! 1
Опубликовано:

Смотрел. Поршни сами по себе являются прекрасным насосом и способны без участия нагнетателя обеспечить работу двигателя. Главное верить, что есть твое мнение и неправильное. Откуда известно, что эти два самолета продолжили летать? Может их в ПАРМе на донора разбирают?

Поршни хороший насос. Но прососут ли они закрытые заслонки и остановившуюся крыльчатку? post-8261-0-89770100-1453888205_thumb.jpgpost-8261-0-66806500-1453888217_thumb.jpg

Твое мнение правильное, - в парме разбирают.

  • Поддерживаю! 1
Опубликовано:

Тоже тот же боеприпас.

 

Но самолеты и сели, и потом летали.

Минненгешосс-минненгешоссу рознь, начиная от калибра и заканчивая типом взрывателя. На фотографии, что привел Аксель, снаряд разорвался внутри, пробив обшивку и обеспечив такие серьезные разрушения конструкции. Ну и заодно проиллюстрировал то, что скорость все-таки важна :)

  • Поддерживаю! 1
Опубликовано: (изменено)

Но прососут ли они закрытые заслонки и остановившуюся крыльчатку?

Какие заслонки? Дроссельные? Они, точнее степень их открытия,  РУДом управляются. Между корпусом нагнетателя и насосным колесом всегда есть зазор и весьма большой, мне не раз приходилось видеть двигатели с заклиненным турбокомпрессором, автомобили своим ходом доезжали до СТО с жалобой на "не тянет".  Кроме того, ЕМНИП магистрали на гидромуфту, впускные коллектора, ТНВД находятся в развале двигателя и повредить их весьма затруднительно. Корпус нагнетателя в этом плане более подвержен повреждению (сорри за тавтологию).

Сань, к нам тетка недавно приехала без масла в моторе. Проехала 50 км, мотор конечно стучал но работал пока его не заглушили. А бывает наоборот когда прихватит на горячу а крутиться колено начинает когда мотор остынет - вот и пойми эти металлы и степени их расширения.

 

 

А можно поподробнее?

Конечно можно. Трехрядный роликовый подшипник в месте шатунная шейка коленвала/шатун.

post-4620-0-90451600-1453889848_thumb.jpgpost-4620-0-73128400-1453889862_thumb.jpgpost-4620-0-63907500-1453889870_thumb.jpg

Почему было выбрано именно такое решение, мне до сих пор непонятно.

Изменено пользователем =R=Axel*
  • Поддерживаю! 1
Опубликовано:

post-8261-0-85368300-1453890885_thumb.jpg

При отсутствии давления масла заслонка будет перекрыта, двигатель либо не заведется (это как защита от дурака), либо заглохнет.

Пысы. Херомант! Я закончил.

Это тайная операция для того, чтобы подвигнуть разработчиков к добавлению различных систем самолета и включению их в ДМ)))))

100500+

  • Поддерживаю! 1
Опубликовано:

 

 

При отсутствии давления масла заслонка будет перекрыта, двигатель либо не заведется (это как защита от дурака), либо заглохнет
Пока двигатель работает она запросто может остаться в положении по потоку.

 

 

Пысы. Херомант! Я закончил.
Аналогично!
  • Поддерживаю! 1
Опубликовано:

Пока двигатель работает она запросто может остаться в положении по потоку.

Аналогично!

Запросто! Если еще одна пуля повредит устройство управления наддувом. Рандом, однако! Дэн! Почту почисть!
  • Поддерживаю! 1
Опубликовано:

post-8261-0-42571800-1453895541_thumb.jpg

Для "подуплетствовать" ;)

  • Поддерживаю! 1
Опубликовано: (изменено)

Mode Offtop ON (не знаю как спрятать под спойлер)
 
Интересная конструкция однако

 

Mode Offtop OFF

post-210-0-68753900-1453896039_thumb.jpg

Изменено пользователем LbS_ValeryK
  • Поддерживаю! 2
Опубликовано:

Mode Offtop ON (не знаю как спрятать под спойлер)

 

Интересная конструкция однако

 

Mode Offtop OFF

Но не прижилась в двигателестроении. Габариты узла, масса, инерция.
Опубликовано: (изменено)
Но не прижилась в двигателестроении. Габариты узла, масса, инерция.

Отчего же? На мотоциклетных двигателях применялись игольчатые подшипники в месте соединения шатунного пальца и поршня. Только уже не помню на явах или ижах(((.

 

 

Для "подуплетствовать"

Тяговые привода. Тяговые. ПМСМ Ladedruckregler выполняет функцию управляемого демпфера для согласования растянутой работы гидромуфты и управления ростом давления - плавно растет давление и плавно открываются заслонки. Сань, согласись глупо ставить в середине тяговых приводов гидравлический исполнитель?

Изменено пользователем =R=Axel*
Опубликовано:

Reglersklappe и его привод. Полностью закрыт при отсутствии давления масла.

Опубликовано: (изменено)
Полностью закрыт при отсутствии давления масла

Кинь перевод, я глаза сломал пытаясь прочитать готику.  Reglerklappe синхронизирован по открытию с нижней заслонкой. Мы можем резко двинуть сектор газа открыв дросслеть, но обороты резко не поднимутся, Ladedruckregler замедлит передвижение тяги и открытие Reglerklappe увеличив по времени рост наддува и снизив скчок давления в системе и в камерах сгорания тем самым продолжив дело гидромуфты в деле увеличения моторесурса двигателя.   Сам перевод говорит за это Ladedruckregler - регулятор давления наддува.

Изменено пользователем =R=Axel*
Опубликовано: (изменено)

attachicon.gifмес4.jpg

Для "подуплетствовать" ;)

Дуплетствуй его, дуплетствуй его полностью!

Изменено пользователем AlexVVV
Опубликовано:

Дуплетствуй его, дуплетствуй его полностью!

Кто в армии не служил тот права голоса не имеет :P

Опубликовано:

Отдуплетчиваю дальше. Дублирую личку, раз тема в курилке. При падении давления масла байпас регулятора наддува пойдет влево, сильфон его туда двинет. Остаточное давление масла передвинет поршень сервопривода, закрыв регулировочную заслонку, и заглушит двигатель.

Игольчатые подшипники, - вынужденная мера на двухтактниках из-за отсутствия принудительной смазки. Когда смазка маслом, растворенным в топливе.

Так что мое имхо, ДБ601 должен сразу глохнуть при падении давления масла. Самолет планирует на вынужденную с целым двигателем. Дойчи жуткие жмоты.:)

Опубликовано:

Так что мое имхо, ДБ601 должен сразу глохнуть при падении давления масла.

НА схеме не понятно есть давление масла или нет. Во вторых скажи мне, почему они долетели и мотор при падении давления в системе не заглох?

post-4620-0-26581300-1453900212_thumb.jpgpost-4620-0-62790100-1453900216_thumb.jpg

Опубликовано:

А откуда масло текло, и в каком количестве? Если из сапуна, сальника, или трещины в сливной магистрали, то на давление масла в рабочей магистрали это влиять не будет, пока заборник масла в маслобаке не оголится. Но если перебита магистраль большого давления, сам понимаешь, пролетишь не долго.

Опубликовано:

Короче, дядя, считаю тему флеймогонной и непродуктивной. Пока это все догадки на нашем ИМХО и предположениях. Надо дуть в музей Задорожного и с глазами котов из Шрека просить открыть капот и подвигать РУДом. Или просить об этом Германских товарищей или товарищей из FLUGMUSEUM MESSERSCHMITT .

Опубликовано:

Кто в армии не служил тот права голоса не имеет :P

Аксель, у тебя дети к компу пробрались, меняй пароль!

Опубликовано:

Не,это не предположение, а анализ схемы управления заслонкой. На самом деле флуд начался в момент выяснения, того, сколько снарядов в среднем надо, чтобы вынести двигатель. Тут ключевое слово "в среднем". При большой выборке может оказаться, что какому-нибудь "счастливчику" и пяти мало будет, а какой-нибудь от одного осколка загнется.

Опубликовано:

Аксель, у тебя дети к компу пробрались, меняй пароль!

post-4620-0-96605400-1453901564_thumb.jpg

 

 

На самом деле флуд начался в момент выяснения, того, сколько снарядов в среднем надо,
Где это?

 

При большой выборке может оказаться, что какому-нибудь "счастливчику" и пяти мало будет, а какой-нибудь от одного осколка загнется
В том то и цимус, Саня. Я об этом и толкую. А мы пошли в дебри гулять. Я еще раз повторяю, что внедрение дополнительных систем и агрегатов, повреждаемых в бою, давно назрела.
Опубликовано:

Ты в немецком силен, отпиши в флюгмузей, спроси, в каком положении находится регулирующая заслонка при остановленном двигателе. Или при нулевом давлении масла.

attachicon.gifLico1.jpg Где это? В том то и цимус, Саня. Я об этом и толкую. А мы пошли в дебри гулять. Я еще раз повторяю, что внедрение дополнительных систем и агрегатов, повреждаемых в бою, давно назрела.

Назрела, назрела. Но, во-первых, надо их правильно смоделировать, а не так, как триммер мига, который продолжает работать, когда отстрелен.:) И во-вторых, сначала ты хотел По-2? ;)

Опубликовано:

Но чем хорошо у немца, да и у наших тоже, с наиболее вероятных углов обстрела масляные магистрали высокого давления закрыты либо самим двигателем, либо чем-нибудь ишшо. Посмотри, где все агрегаты сгруппированы, между двиглом и переборкой, или в развале цилиндров. А проводка к свечам спрятана за впускным коллектором. Думали о живучести больше, чем о ремонт о пригодности.

Опубликовано: (изменено)
а не так, как триммер мига, который продолжает работать, когда отстрелен

Вздыхает и разводит руками пожимая плечами.

 

 

И во-вторых, сначала ты хотел По-2

Не,  не правильно. Во первых я хотел По-2, а во вторых Шторьха. :)

 

 

Но чем хорошо у немца, да и у наших тоже, с наиболее вероятных углов обстрела масляные магистрали высокого давления закрыты либо самим двигателем, либо чем-нибудь ишшо

Зато бачки поверх блока торчат. ;) Исходя из современных реалий боя, когда танк рассчитан на 10 мин боя, то, что тогда говорить о самолетах :cray:  :umnik2:

Наверняка видел фотки самолета ( Вильга вроде) который на Ярославке на разделительный отбойник сел, у меня первой мыслёй было - как это г-но вообще летает?

Изменено пользователем =R=Axel*
Опубликовано:

Бачки сверху. И это тоже разумно от обстрела снизу с земли закрыты, от обстрела сзади, да и спереди, тоже, а вероятность обстрела истребителя сверху мала.

Опубликовано:

Бачки сверху

Нет, ты не про те. Я про вот эти.

post-4620-0-85963800-1453904280_thumb.png

Опубликовано:

Нет, ты не про те. Я про вот эти.

attachicon.gifБезымянный.png

Это расширительные бачки системы охлаждения. Если не ошибаюсь, каждую из веток можно было отключить, урезав производительность системы охлаждения, но сохранив систему. Тоже борьба за живучесть, и эту фишку вроде обещали включить в игру.
Опубликовано:

 

 

Если не ошибаюсь, каждую из веток можно было отключить, урезав производительность системы охлаждения, но сохранив систему
ЕМНИП там можно исключить один из радиаторов из работы.
Опубликовано:

ЕМНИП там можно исключить один из радиаторов из работы.

Так, исключив радиатор, выключаешь и бак, в который из радиатора течет? Нет?

Опубликовано: (изменено)
Нет?

Нет, там в районе кабины трехходовой кран, либо в оба либо в один из. Бачки симметрично расположены просто для компоновки, система охлаждения однообъёмная.

Изменено пользователем =R=Axel*
Опубликовано:

Там, где разветвление, он должен стоять? Но, судя по рисунку, это выход из радиатора. Смысл перекрывать выход из пролитого радиатора? Через вход в него будет поступать ОЖ и благополучно утекать в пробоину. На схеме либо стрелки направления потока неверно, либо я чего-то не догоняю.

Опубликовано: (изменено)

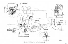
Нарыл вот такую инфу:

post-8261-0-86526900-1453961422_thumb.jpg

Что можно из нее вынести.

1. На серии F отсечные краны не стали заводской доработкой ( значит, такая модификация не являлась штатной, и была полевой самодеятельностью? Вопрос к знатокам месса и его модификаций).

2. Кран, как я и думал, ставился на вход а радиатор, а значит, на твоей схемке, Дэн, перепутано направление потока жидкости, и при отсечке радиатора, в автомате отсекался и соответствующий расширительный бачек.

Изменено пользователем =MG=Dooplet11
Опубликовано: (изменено)

Что за источник,Сань? Может я с Е путаю? Там различия по компановке и расположению есть. А бачки не исключить, они через возврат и блок цилиндров сообщаются.

Изменено пользователем =R=Axel*

Пожалуйста, войдите для комментирования

Вы сможете оставить комментарий после входа



Войти сейчас
×
×
  • Создать...