Drunky Опубликовано: 24 ноября 2017 Опубликовано: 24 ноября 2017 (изменено) Почитайте немцев внимательней. У пилотов мессершмиттов в книгах проскакивает их особое внимание к работе двигателя. Или случаи того как у напарника встал мотор или загорелся без причины. У пилотов было то, чего нет у нас - ресурс и неисправности. У нас мотор всегда новый и идеально работающий. Выход из строя нового мотора через минуту работы не на закритическом, а на вполне штатном, прописанном в РЛЭ режиме, выглядит балансным бредом. Все эти поломки новых моторов через минуту-две - костыль, который не знают чем заменить. Действительно, как позднее метанол лили по 10 минут, если до этого через минуту чрезвычайного моторы дохли? Изменено 24 ноября 2017 пользователем Drunky 9
Melitara Опубликовано: 24 ноября 2017 Опубликовано: 24 ноября 2017 Так соберите данные и отправьте Джейсону, даже если искать "баланс", то можно спокойно сделать модификацию движка для Г-2 с разблокированным 1,42Ата, а все выше без ограничений, учитывая что их противники это поздние самолеты СССР (для проекта БЗх), огромного перекоса не будет. Тот же более легкий Ф-4 можно и оставить с ограничением. 2
72AG_terror Опубликовано: 24 ноября 2017 Опубликовано: 24 ноября 2017 (изменено) Я, Конечно, извиняюсь - "бумажек" не читал, а вот документах по движке все четко прописано, как-то так Ну, в общем-то, я поэтому и написал, так как сразу понял, что эту бумажку двумя постами выше ты не прочитал, но экспертное мнение высказал. Изменено 24 ноября 2017 пользователем 72AG_terror 1
II./JG51Schmalter Опубликовано: 24 ноября 2017 Опубликовано: 24 ноября 2017 Да что там бумажка ,террор пиши сразу фашисская-пропогансская-листовка)) 1
Makz Опубликовано: 24 ноября 2017 Опубликовано: 24 ноября 2017 Не забудьте только неубираемый костыль на Г-2 попросить ))
=LwS=Wize Опубликовано: 24 ноября 2017 Опубликовано: 24 ноября 2017 Не забудьте только неубираемый костыль на Г-2 попросить )) Про винты!Винты забыл еще!!!1111
Autobahnkurier Опубликовано: 24 ноября 2017 Опубликовано: 24 ноября 2017 Вот же в бумажке выше немецким по белому написано, что были ограничения по двигателю. Не разрешено, мол, на моторах без поршней с усиленными днищами и без хромированых клапанов ни Start-, ни Notleistung, а только Kampf- и Steig-. Так что... И в бумажке про 3-5 минут у новых моторов ничего не говорится, а говорится что вообще можно, без указаний на время. Может это час, а может и 30 секунд. Или 1 минута, например. Еще раз - у нас в игре не моделируется износ двигателя. По дефолту мы всегда летаем на новых моторах. Эти указания носили характер скорее рекомендации, чтобы ресурс не снижался. А в бою эти рекомендации всегда исполнялись? Так же получается, что в игре у Густавов приняты за основу двигатели первого типа, которые имели меньший ресурс. К 43-му году эти вопросы были разрешены. Что в игровой реальности просит увеличенное время чрезвычайного режима у Г4/6 и соответствующий анлок для Г2. Мне кажется это очевидно.
Max_Damage Опубликовано: 11 января 2018 Опубликовано: 11 января 2018 (изменено) Не благодарите! Кстати точно соответствует поведению в игре. " The latest variant, the DB 605 was essentially the same DB 601 that had powered the 109 at the outbreak of the war. While the engine had been overhauled it was very vulnerable and breakdowns and failures piled up. When we flew for just three or four minutes at full-throttle and with emergency power, the engine was finished. " Walter Wolfrum 137 credited aerial victories from his book "Unbekannte Pflicht" Изменено 11 января 2018 пользователем Max_Damage 2
CCCP Опубликовано: 11 января 2018 Опубликовано: 11 января 2018 Даже если рассуждать чисто теоретически, без оглядки на выложенные данные, то слабо представляю - как в бою летать с блокировкой или каким-то там исскуственным ограничением в одну минуту?! Как ни почитаешь, что с одной, что с другой - никто движок в бою не щадил! Выжимали максимум возможного! Наверняка эти ограничения носили чисто рекомендательный характер. И проблемы не могли так долго существовать. А у нас уже третий Густав, судя по всему, хотят выкатить с такими же ограничениями. То есть проблемы у Люфтваффе с DB были на протяжении почти всего периода 42-43 г.г.? Настолько долго? Как бы они тогда воевали, вполне успешно, замечу, имея такие "нежные" движки? А откуда про то, что уже третий густав выкатят с такими же ограничениями? И с такими же - это с какими? У Г-2 1,42 запрещён в принципе, у Г-4 - ограничение в 1 минуту. Уже не одно и то же. Ну, а если пофантазировать, тоу Г-6, кмк, будет ограничение не менее 3-х минут.
Autobahnkurier Опубликовано: 13 января 2018 Опубликовано: 13 января 2018 Не благодарите! Кстати точно соответствует поведению в игре. Благодарить за что? За банальный репост с англоязычной версии форума? Это что, цитата из документа о конкретных ограничениях? И, кстати, даже исходя из этой информации - 3-4 минуты на полной мощности до поломки двигателя. В игре уже через полторы минуты ловишь клина, если не раньше. А откуда про то, что уже третий густав выкатят с такими же ограничениями? И с такими же - это с какими? У Г-2 1,42 запрещён в принципе, у Г-4 - ограничение в 1 минуту. Уже не одно и то же. Ну, а если пофантазировать, тоу Г-6, кмк, будет ограничение не менее 3-х минут. Так писали же, что за образец взят ранний Г6. Со всеми вытекающими. Получаем больший вес, ограничение обзора из-за "шишек" и, да, чуть лучшее вооружение. А мотор то фактически такой же как и на Г4. Если раздвинут ограничение до 3-х минут, то уже хоть что-то и хоть немного компенсирует возможности потяжелевшего Густава. Но учитывая отсутствие у разработчиков какой-либо реакции вообще в данной теме, пока даже фантазию не напрягаю. 2
bivalov Опубликовано: 14 января 2018 Автор Опубликовано: 14 января 2018 (изменено) Благодарить за что? За банальный репост с англоязычной версии форума? Это что, цитата из документа о конкретных ограничениях? И, кстати, даже исходя из этой информации - 3-4 минуты на полной мощности до поломки двигателя. В игре уже через полторы минуты ловишь клина, если не раньше. я не стал включать этот момент в свою подборку - https://forum.il2sturmovik.ru/topic/3714-bar-u-sbitogo-virpila/page-37?do=findComment&comment=556234 так как очень похоже на то, что речь там идет про МВ 50, так как - помимо прочего - фраза "at full-throttle and with emergency power" очень похожа на инструкцию по применению МВ 50, т.е. "включить систему и двинуть РУД за 100%" (смотрел в РЛЭ Курфюрста от ДКС) Изменено 14 января 2018 пользователем bivalov
CCCP Опубликовано: 15 января 2018 Опубликовано: 15 января 2018 Так писали же, что за образец взят ранний Г6. Со всеми вытекающими. Получаем больший вес, ограничение обзора из-за "шишек" и, да, чуть лучшее вооружение. А мотор то фактически такой же как и на Г4. Если раздвинут ограничение до 3-х минут, то уже хоть что-то и хоть немного компенсирует возможности потяжелевшего Густава. Но учитывая отсутствие у разработчиков какой-либо реакции вообще в данной теме, пока даже фантазию не напрягаю. Чуть лучшее вооружение? Да ну. Два крупнокалиберных лупомёта взамен гороха. Очень неплохо, кмк. Ещё и царь-пушку можно ставить. Длительность наддува 1,42 АТА увеличат к гадалке не ходи.
Parabellum Опубликовано: 23 марта 2018 Опубликовано: 23 марта 2018 (изменено) Освежу тему! https://forum.il2sturmovik.com/topic/33381-db-605a-1-142-ata-wep-duration/ Для не умеющих в басурманский - приведен ремонтный регламент DB605a-1, в который входит 2 прогона по 5 минут на 1.42. Ну и много всякого интересного, например Изменено 23 марта 2018 пользователем Parabellum 1 2
JGr124_Barakuda Опубликовано: 23 марта 2018 Опубликовано: 23 марта 2018 Спорили на эту тему еще по F4 с разработчиками - они считают что эти прогоны на стенде с супер охлаждением и браться это время потому не может как доказательство.
Aurelius Опубликовано: 23 марта 2018 Опубликовано: 23 марта 2018 В документе сказано, что тестили 5 минут, но не сказано, что через 5 мин и 10 секунд двигатель задымит. Нет там такого? Тогда кто сказал, что 7 минут не проработает, или 8 или 10? Мы знаем с какой целью тестировали (не немцы) и почему закончили испытывать на 5 минутах?
Parabellum Опубликовано: 23 марта 2018 Опубликовано: 23 марта 2018 (изменено) 10 минут назад, JGr124_Barakuda сказал: Спорили на эту тему еще по F4 с разработчиками - они считают что эти прогоны на стенде с супер охлаждением и браться это время потому не может как доказательство. Зачем в таком случае при прохождении ремонта прогон на ЧРЕЗВЫЧАЙНОМ режиме с СУПЕРОХЛАЖДЕНИЕМ? Мда. Если это действительно так, то это прямо-таки свинство и попытка натягивания болванса на глобус. Изменено 23 марта 2018 пользователем Parabellum
bivalov Опубликовано: 23 марта 2018 Автор Опубликовано: 23 марта 2018 В 04.02.2016 в 15:37, bivalov сказал: см. самый первый скан - http://forum.il2sturmovik.com/topic/20079-db-601x-limitation-poweroutput/?do=findComment&comment=326239 - т.е. это тестирование ДБ 605 именно на газе = мощность чутка ниже. похоже, что это страница отсюда (см. раздел "DB 605, Abschnitt III, Prueffeld") - "DB 605 Anleitung Kontrolle" (1941-1943) - http://www.deutscheluftwaffe.com/archiv/Dokumente/ABC/m/Motoren/Daimler Benz/DB605_Anleitung_Kontrolle.pdf
JGr124_Barakuda Опубликовано: 23 марта 2018 Опубликовано: 23 марта 2018 3 часа назад, Parabellum сказал: Зачем в таком случае при прохождении ремонта прогон на ЧРЕЗВЫЧАЙНОМ режиме с СУПЕРОХЛАЖДЕНИЕМ? Мда. Если это действительно так, то это прямо-таки свинство и попытка натягивания болванса на глобус. =FB=VikS Только вот одно но - "уши" 5-ти минутного ограничения - растут из хандбуха по ремонту двигателей серии E-G (т.е. для всех трех типов - не так ли?) на испытательном стенде. А ограничение на 1 минуту - указанно в хандбухе для Me-210A-1 т.е. для двигателя установленного на самолете.
Parabellum Опубликовано: 23 марта 2018 Опубликовано: 23 марта 2018 (изменено) 2 часа назад, JGr124_Barakuda сказал: =FB=VikS Только вот одно но - "уши" 5-ти минутного ограничения - растут из хандбуха по ремонту двигателей серии E-G (т.е. для всех трех типов - не так ли?) на испытательном стенде. А ограничение на 1 минуту - указанно в хандбухе для Me-210A-1 т.е. для двигателя установленного на самолете. Спасибо, ну, все понятно в таком случае Изменено 23 марта 2018 пользователем Parabellum
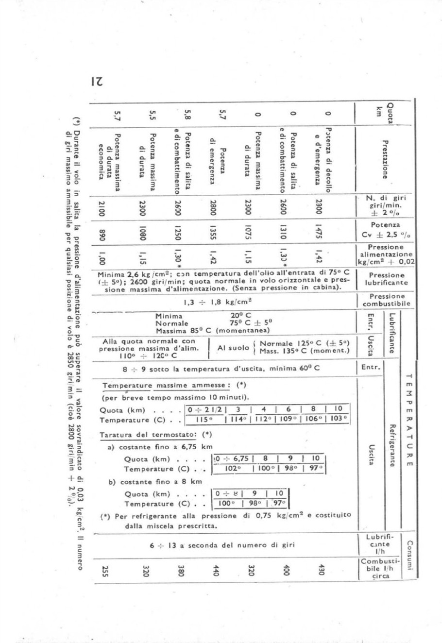
Parabellum Опубликовано: 5 ноября 2019 Опубликовано: 5 ноября 2019 (изменено) В итальянской инструкции по эксплуатации для лицензии DB-605A(Nov.1942) вообще не нашел никаких ограничений по времени для Potenza di emergenza. Только по температурам. Изменено 5 ноября 2019 пользователем Parabellum
JGr8_Leopard Опубликовано: 6 ноября 2019 Опубликовано: 6 ноября 2019 Не будет в этой игре нормальных режимов без ограничений. Только таймеры балансные. 2
Рекомендованные сообщения
Создайте аккаунт или войдите в него для комментирования
Вы должны быть пользователем, чтобы оставить комментарий
Создать аккаунт
Зарегистрируйтесь для получения аккаунта. Это просто!
Зарегистрировать аккаунтВойти
Уже зарегистрированы? Войдите здесь.
Войти сейчас