Перейти к публикации

Рекомендованные сообщения

Опубликовано:

Там фотографировать нечего  :) . Просто сдергиваешь хатки со штоков вверх и все; пластик отличный, сломать нереально. А вот здесь- https://forums.eagle.ru/showthread.php?t=138821 - вся остальная информация. Про переделку без замены переключателей, но с установкой CD4021- где-то с середины ветки.

  • Поддерживаю! 1
Опубликовано:

Там фотографировать нечего  :) . Просто сдергиваешь хатки со штоков вверх и все; пластик отличный, сломать нереально. А вот здесь- https://forums.eagle.ru/showthread.php?t=138821 - вся остальная информация. Про переделку без замены переключателей, но с установкой CD4021- где-то с середины ветки.

Спасибо.

Эту ветку уже пару раз пролистал.

Пружины под хатками довольно мощные. Головки просто в натяг одевались на штоки? Кажется, что если шляпы сдернуть, то может обратно не собраться

Опубликовано:

Да, просто внатяг. Не бойся, все соберется, причем сколько угодно раз. Пластик очень прочный и эластичный, ничего не разбалтывается.

  • Поддерживаю! 1
Опубликовано:

Да, просто внатяг. Не бойся, все соберется, причем сколько угодно раз. Пластик очень прочный и эластичный, ничего не разбалтывается.

Бедаааа!! Случилось страшное!!!! Стал снимать шляпки со штоков хаток. Пружини там мощные. Когда снимал с правой хатки, шляпка сползла неожиданно легко. И тут ...........  Шток и пружина улетают!!! Пружина под кровать, а шток в открытое окно!!!! 

Короче полный аут.(((

Поиск ничего не дал. Живу высоко.

Может остался после переделок шток от правой хаты???

Опубликовано:

Е-мое... Родные штоки при переделке используются оба- я их укоротил и просверлил канал ф2,1 мм, чтобы насаживать прямо на латунные штоки ALPS'овских переключателей. Видно, судьба тебе заходить на ALPS- можно будет подобрать пластиковый пруток из чего-то, типа капролона, просверлить канал и сделать лыску под шляпку. Попроси Николая (насколько я знаю, вы с ним общаетесь)- я ему на неделе планирую отдать одну из переделанных ручек, может, он тебе сможет что-то подобрать, сняв размеры у меня.

  • Поддерживаю! 1
Опубликовано: (изменено)

Е-мое... Родные штоки при переделке используются оба- я их укоротил и просверлил канал ф2,1 мм, чтобы насаживать прямо на латунные штоки ALPS'овских переключателей. Видно, судьба тебе заходить на ALPS- можно будет подобрать пластиковый пруток из чего-то, типа капролона, просверлить канал и сделать лыску под шляпку. Попроси Николая (насколько я знаю, вы с ним общаетесь)- я ему на неделе планирую отдать одну из переделанных ручек, может, он тебе сможет что-то подобрать, сняв размеры у меня.

Вот незадача(((

Тогда поделись опытом. Вроде я в твоих постах видел, что не все ALPS переключатели подходят для комфортной работы в джое?

Нашел место где продают  RKJXL. Но вроде нужны RKJXM? в чем отличие?

И еще: платок для них не осталось?

Насчет переделки и наращивания штока - это не проблема.

Как оказалось шляпки Talonа по посадочному отверстию прекрасно подошли к штокам от хаток ТМ F22

Я даже примерялся уже поставить переключатели от F22 или Кота.  Влезают и даже неплохо. Только их итак дефицит.

Очень жду инфу

Изменено пользователем =FA=CATFISH
Опубликовано:

Слушай, ну хатки от F16/ F22/ Кота- редкое барахло. Очень не советую.

RKJXL- на 8 положений; то есть под каждое (включая диагональные)- свой контакт. У обычных хаток в диагональных положения замыкаются одновременно два соседних "прямых" контакта; скажем, при 45 градусах вверх- вправо замыкаются одновременно "вверх" и "вправо". У RKJXL- только свой выделенный для "вверх-вправо" контакт. Для правой хатки (триммер) это не проблема; реальный переключатель вообще ограничен в перемещениях- только "вверх-вниз", "вправо-влево". Но если нужно левую хатку включить по традиционной схеме, понадобятся 8 диодов, притягивающих к диагональным контактам соседние прямые. Тактильно- нет щелчка при срабатывании (как и у реальной хатки), ход мягкий. Отдельный контакт на центральную кнопку (нажатие)

RKJXM- на 4 положения, в диагональных замыкаются соседние прямые (как у обычной хатки). Тоже отдельный контакт на центральную кнопку, но он срабатывает и при нажатии, и при любом боковом перемещении хатки. Так что если его использовать, нужно либо ставить схему, блокирующую нажатие в боковых положениях (два транзистора, четыре диода, пара резисторов), либо предусмотреть эту блокировку в прошивке контроллера (как это сделано у ВКБ). Тактильно- есть щелчок при срабатывании, усилие больше, ход меньше.

Я на верхние хатки поставил RKJXL, на боковую (под большой палец)- RKJXM (RKJXL туда не подходит- шток получается довольно длинным, при этом усилие- недостаточное, а ход- наоборот). Можно и наверх поставить RKJXM, если хочется тактильный "клик". Если не заморачиваться с центральной кнопкой, то прямо как есть- будут стандартные хатки.

RKJXM, как ни странно, активно продаются на Али (на eBay я их не нашел), причем где-то по 250 рублей (примерно).

Платки для RKJXM под большой палец и блокиратор центра от боковых нажатий у меня случайно остались  :biggrin:. Для RKJXL, увы, нет, но если не ставить диоды, то они там не очень-то и нужны; все равно переключатели нужно вклеивать, а провода можно припаять прямо к контактам и залить термоклеем- они достаточно прочные. 

  • Поддерживаю! 1
Опубликовано:

Слушай, ну хатки от F16/ F22/ Кота- редкое барахло. Очень не советую.

RKJXL- на 8 положений; то есть под каждое (включая диагональные)- свой контакт. У обычных хаток в диагональных положения замыкаются одновременно два соседних "прямых" контакта; скажем, при 45 градусах вверх- вправо замыкаются одновременно "вверх" и "вправо". У RKJXL- только свой выделенный для "вверх-вправо" контакт. Для правой хатки (триммер) это не проблема; реальный переключатель вообще ограничен в перемещениях- только "вверх-вниз", "вправо-влево". Но если нужно левую хатку включить по традиционной схеме, понадобятся 8 диодов, притягивающих к диагональным контактам соседние прямые. Тактильно- нет щелчка при срабатывании (как и у реальной хатки), ход мягкий. Отдельный контакт на центральную кнопку (нажатие)

RKJXM- на 4 положения, в диагональных замыкаются соседние прямые (как у обычной хатки). Тоже отдельный контакт на центральную кнопку, но он срабатывает и при нажатии, и при любом боковом перемещении хатки. Так что если его использовать, нужно либо ставить схему, блокирующую нажатие в боковых положениях (два транзистора, четыре диода, пара резисторов), либо предусмотреть эту блокировку в прошивке контроллера (как это сделано у ВКБ). Тактильно- есть щелчок при срабатывании, усилие больше, ход меньше.

Я на верхние хатки поставил RKJXL, на боковую (под большой палец)- RKJXM (RKJXL туда не подходит- шток получается довольно длинным, при этом усилие- недостаточное, а ход- наоборот). Можно и наверх поставить RKJXM, если хочется тактильный "клик". Если не заморачиваться с центральной кнопкой, то прямо как есть- будут стандартные хатки.

RKJXM, как ни странно, активно продаются на Али (на eBay я их не нашел), причем где-то по 250 рублей (примерно).

Платки для RKJXM под большой палец и блокиратор центра от боковых нажатий у меня случайно остались  :biggrin:. Для RKJXL, увы, нет, но если не ставить диоды, то они там не очень-то и нужны; все равно переключатели нужно вклеивать, а провода можно припаять прямо к контактам и залить термоклеем- они достаточно прочные. 

Нуууу.... у F16 и F22 хаты так себе. Их достоинство в том что они у меня есть )))

У Кота они немного другие и существенно лучше.

Похоже придется заказать RKJXL парочку.

Спасибо

Опубликовано:

Ну, ты знаешь, что все трастмастеровские- на тактовых кнопках, причем их конструкция способствует довольно быстрому износу пары шток- кнопка. Кстати, хатки в джойстиках CH страдают той же болезнью.

Так что заказ RKJXL- правильное решение.

Опубликовано:

Ну, ты знаешь, что все трастмастеровские- на тактовых кнопках, причем их конструкция способствует довольно быстрому износу пары шток- кнопка. Кстати, хатки в джойстиках CH страдают той же болезнью.

Так что заказ RKJXL- правильное решение.

Я уже 15 лет на ТМ-ской продукции сижу. Успел столкнуться со всякими поломками. Ломал штоки в месте, где одевается шляпка, стаканы ломались от частой перепайки кнопок. Кстати сами кнопки, которые использует ТМ весьма живучие. Барахло из Чип-Дип выдерживает только 3-4 месяца в хатке обзора. Пара кнопка-шток не подводила. 

Опубликовано: (изменено)

По самим кнопкам в ТМ вопросов нет- они тоже ALPS; но все конструкции хаток- что TM, что CH- нагружают кнопки неравномерно и не по оси; плюс нет ограничения усилия. При этом заявленный ресурс тактовой кнопки в несколько сотен тысяч циклов и близко не обеспечивается. А RKJXM/L- хатки по определению; там 100 тыс. циклов нормированы именно в таком режиме использования.

ВКБ их не просто так планирует в премиум KG-13 и уже сейчас заложили в MCG...

Изменено пользователем sergeype
Опубликовано: (изменено)

Сегодня утром трагедия переросла в фарс  )))

Встал потянулся, подошел к окну покурить и при прямом солнечном свете обнаружил шток в кашпо с растением.

Земля черная, шток тоже черный, упал беззвучно.

Еле увидел. 

Есть повод отпраздновать

Изменено пользователем =FA=CATFISH
  • Поддерживаю! 1
Опубликовано:

:biggrin:    :popcorm:  :fly:

Я так и думал, что штоки не очень хорошо летают...

Опубликовано:

:biggrin:    :popcorm:  :fly:

Я так и думал, что штоки не очень хорошо летают...

  :drinks:  :drink2:  :king:  :king:

  • 1 месяц спустя...
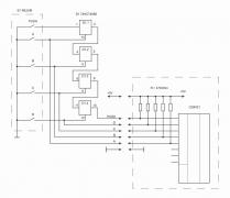
Опубликовано: (изменено)

Радость!!!

Спаял и испытал схемку для  RKJXМ. Теперь замыкания боковых контактов отделены от одновременного замыкания и ценрального контакта.

Всего-то понадобилась 1 М/С 74НСТ4066 без какого-либо дополнительного обвеса.

Как только нарисую в приличном виде - выложу тут

Изменено пользователем =FA=CATFISH
Опубликовано: (изменено)

Собственно вот:

 

post-56549-0-46558800-1506775796_thumb.jpg

Изменено пользователем =FA=CATFISH
  • Поддерживаю! 1
  • 3 месяца спустя...
Опубликовано: (изменено)

Вжух!!

 

post-56549-0-34396500-1516554643_thumb.jpg

post-56549-0-31740300-1516554658_thumb.jpg

post-56549-0-94153300-1516554675_thumb.jpg

post-56549-0-58719000-1516554689_thumb.jpg

Изменено пользователем =FA=CATFISH
  • Поддерживаю! 1
  • 2 недели спустя...
Опубликовано:

Вжух, вжух

post-56549-0-00139900-1517695587_thumb.jpg

post-56549-0-48526900-1517695610_thumb.jpg

post-56549-0-72584700-1517695629_thumb.jpg

 

Хотя и не SUNCOM, а X-Fighter, но тоже раритет

  • 5 месяцев спустя...
Опубликовано:

А на первой ручке курок однопозиционный?

Просто прикупил тут на днях такую ручку, подумываю на MSFFB вкрячить, при осмотре был удивлен размеру и курку :(

Ну в смысле с одним нажатым положением?

Опубликовано:
31 минуту назад, a___k___s сказал:

А на первой ручке курок однопозиционный?

Просто прикупил тут на днях такую ручку, подумываю на MSFFB вкрячить, при осмотре был удивлен размеру и курку :(

Ну в смысле с одним нажатым положением?

Курок с одной кнопкой на обеих.

Насчет размера - типа обе полноразмерные реплики

  • 2 недели спустя...
Опубликовано: (изменено)

Вот тоже руки дошли до санкомовской рукоятки. Все ливеры были удалены. В курок имплантированы два отечественных микрика мп5 от кнопки, в кнопку под переключателем триммера тоже. Нажимные кнопки заменены на отечественные КЗ со спиленной верхней пластиной, правда они на 1,5 мм уже оригинала (они замкнутые, потом придется их логикой инвертировать). Все винты вкручиваются в латунные стойки для плат. Конструкция усилина пачкой эпоксилина, теперь не скрипит как старая лестница. Хатки альпсовские еще не поставил. Форма гашетки тоже изменена. Потом еще будет основание с рычажком.

WP_20180719_11_05_09_Rich.thumb.jpg.54fc5919b3e50c7b89b468192cf49f44.jpg



WP_20180719_11_04_51_Rich.thumb.jpg.c8240ca2a3bfd719d86f40fbe8db3801.jpg

WP_20180719_11_03_55_Rich.thumb.jpg.e905b1b7e5f82cf1f89a76e769a05d4e.jpg

WP_20180719_10_59_04_Pro.thumb.jpg.28621efbf67058c5f373f461dc346a0e.jpg

WP_20180719_10_01_40_Pro.thumb.jpg.35b1860feaa31e12a735ad7800e63b11.jpg WP_20180719_10_00_31_Pro.thumb.jpg.85cb293e9784727510120fe94d9c0a38.jpg

В ‎06‎.‎07‎.‎2018 в 10:03, =FA=CATFISH сказал:

Насчет размера - типа обе полноразмерные реплики

Кстати, обе отличаются от оригинала, у f-15 нет упора ладони и прилив под большим пальцем под другим углом, а у B-8 прилив смещен к задней части.

Изменено пользователем capitanblood
  • Нравится 2
Опубликовано:
В 19.07.2018 в 12:18, capitanblood сказал:

Вот тоже руки дошли до санкомовской рукоятки. Все ливеры были удалены. В курок имплантированы два отечественных микрика мп5 от кнопки, в кнопку под переключателем триммера тоже. Нажимные кнопки заменены на отечественные КЗ со спиленной верхней пластиной, правда они на 1,5 мм уже оригинала (они замкнутые, потом придется их логикой инвертировать). Все винты вкручиваются в латунные стойки для плат. Конструкция усилина пачкой эпоксилина, теперь не скрипит как старая лестница. Хатки альпсовские еще не поставил. Форма гашетки тоже изменена. Потом еще будет основание с рычажком.

 

Кстати, обе отличаются от оригинала, у f-15 нет упора ладони и прилив под большим пальцем под другим углом, а у B-8 прилив смещен к задней части.

Я ж и написал - "типа"

И если уж привязываться к мелочам, то на твоей ручке со спиленым упором есть лишние винты и кнопка (черная, мелкая) 

Сдвоенные кнопки на курке - круто

А вот предпоследнюю фотку под спойлером вообще не понял. Почему 2 шт МП5, и как туда хату лепить?

Моя ручка не скрипит. Все части ручки сидят плотно. 

21.jpg

22.jpg

  • Спасибо! 1
Опубликовано: (изменено)

Лишняя там только кнопка, зачем она в оригинале не знаю, на каких-то фотках я ее вроде видел, но в инструкции по пилотированию она никак не фигурирует, на f/a-18 тоже вроде она не используется. Я ее оставил для большего числа кнопок, т.к. не стремился сделать прям копию, если кому приспичит можно оригинал на ебей поискать. Винты там не лишние они фиксируют кнопки и хатки, как в оригинале. Хатка над кнопкой черной ставится очень просто, на той фотке просто не видно.

WP_20180719_10_02_04_Pro.thumb.jpg.63231709d5ea7b3fc387271b56b8e59b.jpgWP_20180719_10_01_48_Pro.thumb.jpg.e4da5d07804a10314ab397a22a92a902.jpg

По плану у меня в этой рукоятке 23 кнопки, как у кабана, правда гашетка, черная кнопка и педалька тормоза, она же отключение а/п, будут двойного нажатия. Хатки думаю на следующей неделе сделать, тогда и покажу как они крепятся.

Изменено пользователем capitanblood
  • Нравится 1
Опубликовано:
20 минут назад, capitanblood сказал:

Лишняя там только кнопка, зачем она в оригинале не знаю, на каких-то фотках я ее вроде видел, но в инструкции по пилотированию она никак не фигурирует, на f/a-18 тоже вроде она не используется. Я ее оставил для большего числа кнопок, т.к. не стремился сделать прям копию, если кому приспичит можно оригинал на ебей поискать. Винты там не лишние они фиксируют кнопки и хатки, как в оригинале. Хатка над кнопкой черной ставится очень просто, на той фотке просто не видно.

 

По плану у меня в этой рукоятке 23 кнопки, как у кабана, правда гашетка, черная кнопка и педалька тормоза, она же отключение а/п, будут двойного нажатия. Хатки думаю на следующей неделе сделать, тогда и покажу как они крепятся.

На наплыве будет 5 кнопок? В оригинале "вперед-назад" и "нажатие".

Нажимать вправо может помешать стойка крепежа

Опубликовано:

Да, планирую пять, по эргономике будет видно по факту, если что, оставлю три.

Опубликовано:

По эргономике мало чем отличается от Кабана. Лучше Кабана, хуже Кота

Опубликовано: (изменено)
14 часов назад, Sokol1 сказал:

That's part of the KM2-1 button, I just cut it out from the frame.

WP_20180724_12_34_33_Pro.thumb.jpg.80f952b5798f7cf4e312c7d243d22ece.jpg

 

В ‎22‎.‎07‎.‎2018 в 18:51, =FA=CATFISH сказал:

На наплыве будет 5 кнопок? В оригинале "вперед-назад" и "нажатие".

Нажимать вправо может помешать стойка крепежа

Сделал первую хатку на наплыве, нормально работает во все стороны, вполне удобно, ничего не мешает. Внутрь вставил пружину от этой кнопки для большего сопротивления, т.к. У альпсовской хатки, как мне кажется, пружинка слабовата.

WP_20180724_12_33_37_Pro.thumb.jpg.66c322ea1b0f807d7db5a490824ced0a.jpg

WP_20180724_12_32_15_Pro.thumb.jpg.f35468b60c03b42d36765023b09b9bb8.jpg

WP_20180724_12_32_41_Pro.thumb.jpg.6153b9d611d4b15279594ee6a4566d2b.jpg

Плату с диодами еще не припаял.

Изменено пользователем capitanblood
  • Спасибо! 1
Опубликовано:
2 часа назад, capitanblood сказал:

That's part of the KM2-1 button, I just cut it out from the frame.

WP_20180724_12_34_33_Pro.thumb.jpg.80f952b5798f7cf4e312c7d243d22ece.jpg

 

Сделал первую хатку на наплыве, нормально работает во все стороны, вполне удобно, ничего не мешает. Внутрь вставил пружину от этой кнопки для большего сопротивления, т.к. У альпсовской хатки, как мне кажется, пружинка слабовата.

WP_20180724_12_33_37_Pro.thumb.jpg.66c322ea1b0f807d7db5a490824ced0a.jpg

WP_20180724_12_32_15_Pro.thumb.jpg.f35468b60c03b42d36765023b09b9bb8.jpg

WP_20180724_12_32_41_Pro.thumb.jpg.6153b9d611d4b15279594ee6a4566d2b.jpg

Плату с диодами еще не припаял.

Вау, а номегклатуру хатки не подскажешь и если можно ее размеры.

Опубликовано:

ALPS RKJXL, про них на предыдущих страницах много написано.

Опубликовано:
4 часа назад, capitanblood сказал:

ALPS RKJXL, про них на предыдущих страницах много написано.

Вот как. Ты крепление совсем снес.

Я в свою впихивал RLJXM. Спасибо Sergeype.  Она поменьше диаметром

А у  RKJXL угол отклонения штока больше.

Опубликовано:

Я же говорил что удалил все потроха, у меня рукоятка теперь только из двух частей, а не из трёх. Нижние половинки склеены и напичканы эпоксилином. В случае если на наплыве осталось бы крепление, хатку так не впихнешь. Я RKJXM  буду ставить в B-8, там наплыв меньше. Буду делать рукоятку от ранних модификаций F-15 A/B/C/D, до того как в них MFD напихали и понадобилась дополнительная хатка.

s-l500S7WSJR32.jpg.fa4ce90775a5f1f81773946143660a48.jpg

3940162240_76aaea4d52_z.jpg.d3e428469400fc0fa614e02e55f6f711.jpg

Благо основание у них одинаковое, так что будут сменными рукоятками.

Опубликовано:

Пока печатаются корпуса для хаток начал делать основание для рукоятки и шайбы под хатки.

WP_20180726_14_22_46_Pro.thumb.jpg.cb4523c7f1a56eecaaee1b233f5d0c03.jpg

  • Нравится 3
  • Поддерживаю! 1
Опубликовано:

Приделал к основанию крепление от кабана (спасибо Swift_CCCP за донора). Засверлил дыру 20мм, вставил алюминиевую трубу 20х2мм, в неё вставил крепление и зафиксировал потайными винтами 5х20.

WP_20180727_18_36_29_Pro.thumb.jpg.511a8147939c4c20796dea78e1b97134.jpg

Да, давненько я кабана не доставал из закрамов :).

Опубликовано:

Хатки теперь все готовы, осталось сделать основание и электрику развести.

WP_20180731_17_41_44_Pro.thumb.jpg.9c39ac5ebf3143f467292e32b40c0834.jpg

WP_20180731_14_40_12_Pro.thumb.jpg.961739d241394b628c9ca2704ae723d1.jpg

Опубликовано:

Тут увидел давеча такоеее.... 

Короче сперва челюсть упала от увиденного, что такое еще и продают, потом челюсть упала ниже пола от цены. Но блин брутально, почему то вспомнился фалаут2 и песня «последний герой» Кино. Не интригую больше )))

 

https://m.avito.ru/saratov/tovary_dlya_kompyutera/prodayu_dzhoystik_dlya_letnyh_simulyatorov_1724340007?slocation=653420

  • Поддерживаю! 1
Опубликовано: (изменено)
9 часов назад, =ART=Iguz сказал:

Тут увидел давеча такоеее.... 

Короче сперва челюсть упала от увиденного, что такое еще и продают, потом челюсть упала ниже пола от цены. Но блин брутально, почему то вспомнился фалаут2 и песня «последний герой» Кино. Не интригую больше )))

 

https://m.avito.ru/saratov/tovary_dlya_kompyutera/prodayu_dzhoystik_dlya_letnyh_simulyatorov_1724340007?slocation=653420

Какая-то странная челюсть. Мож вставная?

Не увидел ни одной причины для выпадения.

Конструкция механики вполне грамотная: металл на подшипниках, MJOY16 работает безотказно. Доматываться можно только до крепления Холлов.

Насчет цены:  и гораздо худшие экземпляры на местной барахолке продавались за б0льшие деньги

 

Изменено пользователем =FA=CATFISH

Создайте аккаунт или войдите в него для комментирования

Вы должны быть пользователем, чтобы оставить комментарий

Создать аккаунт

Зарегистрируйтесь для получения аккаунта. Это просто!

Зарегистрировать аккаунт

Войти

Уже зарегистрированы? Войдите здесь.

Войти сейчас
×
×
  • Создать...