Botanik Опубликовано: 7 сентября 2017 Опубликовано: 7 сентября 2017 заработали датчики поставил 3 - GEN 6 - CS (chip select)
Johnet Опубликовано: 9 сентября 2017 Опубликовано: 9 сентября 2017 (изменено) Друзья, хочу поделиться своими наблюдениями/проблемами. Может кому то поможет, может кто подскажет. Собрал себе РУД (1 ось, TLE 5011). Все работало прекрасно пока недавно не приобрел педали (BRD 3-х осные). Собрал датчики и начал подключать из к контроллеру РУДа (Описанное далее относится к подключению одного датчика РН, датчики тормозов пока не подключал, длина всех кабелей 2 м. к платам через штыревые разьемы и провода (МГТФ 0,2 - 5 см) припаяны мамы DB-6, использованные кабели распаивались на папы DB-9, платы взяты из папки PCB два резистора 10К, два конденсатора на питание, на плате контроллера подтяжка MISO 10КОм контроллер находится в РУДе). Изначально выбор пал на кабель UTP, худо бедно все заработало, правда количество ошибок было более 200 на датчике педалей и какое то количество на оси РУД (пробовал подключать таким образом что бы MISO шел в одной паре с "-", результат тот же) При отключении педалей на датчике РУДа ошибок 0. Купил FTP кабель (экранированный). Вот тут то и ждал меня неприятный сюрприз. При подключении кабеля (даже без датчика) переставала работать ось РУД. В колонке ошибок появлялись ошибки (более 200 так же) Датчик РН не заработал вообще. Кабель несколько раз прозвонил на КЗ и на обрыв... Все нормально. Вспомнил, что где то у меня лежит КСПВ 10*0,5 решил попробовать... Каково же было мое удивление, когда все заработало... Сейчас работает на КСПВ, правда количество ошибок по обеим осям (РУД и РН) порядка 40 но все работает. Извиняюсь, за многа букав. Если кто то может посоветовать что либо по снижению количества ошибок, милости прошу. Изменено 9 сентября 2017 пользователем Johnet
=VIRPIL=mega_mozg_13 Опубликовано: 9 сентября 2017 Автор Опубликовано: 9 сентября 2017 johnet, вариант, поставьте 10к подтяжки везде, со стороны контроллера и на каждом сенсоре. ошибок не одной вообще быть не должно.
Johnet Опубликовано: 9 сентября 2017 Опубликовано: 9 сентября 2017 Так и есть... Подтяжка Miso на каждом датчике и на контроллере 10К.
=V=Heromant Опубликовано: 9 сентября 2017 Опубликовано: 9 сентября 2017 Так и есть... Подтяжка Miso на каждом датчике и на контроллере 10К. Тогда попробовать убрать подтяжку со стороны датчика. В идеале бы было чуть снизить частоту опроса, но я не знаю, умеет ли это конфигуратор контроллера.
Alator Опубликовано: 9 сентября 2017 Опубликовано: 9 сентября 2017 (изменено) Друзья, хочу поделиться своими наблюдениями/проблемами. Может кому то поможет, может кто подскажет. Собрал себе РУД (1 ось, TLE 5011). Все работало прекрасно пока недавно не приобрел педали (BRD 3-х осные). Собрал датчики и начал подключать из к контроллеру РУДа (Описанное далее относится к подключению одного датчика РН, датчики тормозов пока не подключал, длина всех кабелей 2 м. к платам через штыревые разьемы и провода (МГТФ 0,2 - 5 см) припаяны мамы DB-6, использованные кабели распаивались на папы DB-9, платы взяты из папки PCB два резистора 10К, два конденсатора на питание, на плате контроллера подтяжка MISO 10КОм контроллер находится в РУДе). Изначально выбор пал на кабель UTP, худо бедно все заработало, правда количество ошибок было более 200 на датчике педалей и какое то количество на оси РУД (пробовал подключать таким образом что бы MISO шел в одной паре с "-", результат тот же) При отключении педалей на датчике РУДа ошибок 0. Купил FTP кабель (экранированный). Вот тут то и ждал меня неприятный сюрприз. При подключении кабеля (даже без датчика) переставала работать ось РУД. В колонке ошибок появлялись ошибки (более 200 так же) Датчик РН не заработал вообще. Кабель несколько раз прозвонил на КЗ и на обрыв... Все нормально. Вспомнил, что где то у меня лежит КСПВ 10*0,5 решил попробовать... Каково же было мое удивление, когда все заработало... Сейчас работает на КСПВ, правда количество ошибок по обеим осям (РУД и РН) порядка 40 но все работает. Извиняюсь, за многа букав. Если кто то может посоветовать что либо по снижению количества ошибок, милости прошу. Подключал педали аналогично через обычный UTP кабель длинной 1.5м. На плате датчика ТЛЕ5011 только конденсатор и резистор подтяжки на MISO 1.5 кОм. Где то вычитал что чем длиннее кабель от датчика до контроллера - тем меньше должно быть сопротивление подтяжки. Ошибок ноль. Вначале тоже впаял 10 кОм, и конфигуратор выдавал ошибку связи с датчиком..... Изменено 9 сентября 2017 пользователем =FL=Falcon 1
Johnet Опубликовано: 10 сентября 2017 Опубликовано: 10 сентября 2017 Отчитываюсь о своих успехах. При наличии подтяжек 10 КОм на линии MISO на датчиках и на контроллере на оси РУД (рядом с контроллером) - 0 ошибок, на оси РН (2 м от контроллера) - до 40 ошибок. На контроллере, датчике РУД 10КОм на датчике РН - выпаял резистор: РУД - до 40 ошибок, РН - до 200 ошибок. На контроллере, датчике РУД 10КОм на датчике РН - 1,5 кОм: РУД - 0 ошибок, РН - 0 ошибок. Наступило счастье!!! Спасибо всем огромное за помощь! Отдельное спасибо Megamozg за разработку этого проекта и его поддержание!!!
capitanblood Опубликовано: 10 сентября 2017 Опубликовано: 10 сентября 2017 (изменено) На контроллере, датчике РУД 10КОм на датчике РН - 1,5 кОм: РУД - 0 ошибок, РН - 0 Но теперь у Вас общее сопротивление 1,153 КОм, оно ниже предельно допустимого, которое оговаривается в инструкции. Попробуйте просто оставить 1,5 КОм Если я правильно понял что в РУД один резистор на контрольное, а один на датчике. Но даже если резистора всего два (10 и 1,5), то все равно лучше оставить 1,5. Изменено 10 сентября 2017 пользователем capitanblood
Johnet Опубликовано: 10 сентября 2017 Опубликовано: 10 сентября 2017 capitanbloodТ.е. вы рекомендуете убрать резистор подтяжки на контроллере? Кстати, при дальнейшем добавлении датчиков (на тех же педалях блоки тормозов) на датчиках в качестве подтяжки MISO какие резисторы впаивать? 1,5 КОм?
capitanblood Опубликовано: 10 сентября 2017 Опубликовано: 10 сентября 2017 capitanblood Т.е. вы рекомендуете убрать резистор подтяжки на контроллере? Кстати, при дальнейшем добавлении датчиков (на тех же педалях блоки тормозов) на датчиках в качестве подтяжки MISO какие резисторы впаивать? 1,5 КОм? Никакие, общее сопротивление всех резисторов подтяжки не должно превышать 1,5 КОм, если он уже у Вас стоит на контрольное по лини MISO, других резисторов ставить не нужно. 1
Johnet Опубликовано: 10 сентября 2017 Опубликовано: 10 сентября 2017 Ок, спасибо, общий принцип ясен...
Johnet Опубликовано: 11 сентября 2017 Опубликовано: 11 сентября 2017 В итоге, что у меня получилось (номиналы резисторов подтяжки линии MISO): 10 КОм на контроллере, 10 КОм на датчике РУД. 5 КОм (Два по 10) на датчике РН Торомоза (2 датчика) без подтяжек. Итого 2,5 КОм< 1,5 КОм. Всем еще раз спасибо... capitanblood Очень помогли...
Johnet Опубликовано: 11 сентября 2017 Опубликовано: 11 сентября 2017 (изменено) Чего то не дает править предыдущее сообщение (после того как набрал сообщение поперли ошибки по осям). После подключения всех датчиков (4 шт.) с подтяжкой 10КОм, и такой же подтяжкой на контроллере заработали все датчики на педалях (0 ошибок) на датчике РУДа до 10 ошибок... Пробую дальнейшие сочетания номиналов резисторов. Изменено 11 сентября 2017 пользователем Johnet
Komaroff Опубликовано: 11 сентября 2017 Опубликовано: 11 сентября 2017 ... Пробую дальнейшие сочетания номиналов резисторов. Для бОльшего понимания здОрово помогла бы подробная схема подключения всех датчиков с длинами соединений и распиновкой кабелей. Описываемые выше манипуляции с номиналами резисторов предназначены для борьбы с влиянием паразитных емкостей (в обычных шлейфах с из отдельных проводов это главным образом между линиями сигнала и питания ), которые затягивают фронты импульсов. Насколько я понял, сейчас для соединения между устройствами используется сетевой компьютерный кабель. В кабеле используются витые пары. Предлагаю попытаться поперетасовывать жилы кабеля. Т.е. например перенести линию сигналов на другую витую пару от тактовых сигналов (тактирование интерфейса и тактирование тле). Подозреваю влияние межпроводной емкости из-за неудачного сочетания распиновки, особенно от линии тактирования тле, которое имеет сравнительно высокую чатсоту 4МГц.
=FA=CATFISH Опубликовано: 11 сентября 2017 Опубликовано: 11 сентября 2017 (изменено) Чего то не дает править предыдущее сообщение (после того как набрал сообщение поперли ошибки по осям). После подключения всех датчиков (4 шт.) с подтяжкой 10КОм, и такой же подтяжкой на контроллере заработали все датчики на педалях (0 ошибок) на датчике РУДа до 10 ошибок... Пробую дальнейшие сочетания номиналов резисторов. Попробуй просто поставить еще одну Ардуину прям на педали. Ейбога выйдет лучше и дешевле чем париться с многометровыми проводами чем экономить 500рэ. за платку Изменено 11 сентября 2017 пользователем =FA=CATFISH
Johnet Опубликовано: 12 сентября 2017 Опубликовано: 12 сентября 2017 (изменено) =FA=CATFISH Если ничего не поможет так и сделаю, но уже то что есть сейчас в какой то мере устраивает. Komaroff Контроллер в РУДе на нем подтяжка MISO 10КОм и CS 10КОм, конденсаторы фильтры питания 0,1 и 10 мкФ (далее номиналы только подтяжки линии MISO, все остальное аналогично) . На 10 см проводах МГТФ 0,2 подключен датчик РУД (10КОм), от контроллера проводом МГТФ 0,2 5 см, подпаян разъем DB-9, от него через 2 м кабеля КСПВ 10*0,5 (не витая пара, просто параллельно расположенные провода, см выше мои мытарства с проводами), через разъем DB-9 и еще 5 см МГТФ 0,2 расположен датчик РН (10КОм подтяжка) (на нем выполнено разветвление для датчиков тормозов), Датчики тормозов (10КОм подтяжка) подключены к плате датчика РН витой парой 50 см. Если нужно графическое изображение всего этого безобразия, то могу нарисовать, но позже. Перетасовка жил витой пары в свое время ни к чему не приводила... На данный момент датчики педалей работают отлично, датчик РУД показывает до 10 ошибок связи, при отключении педалей датчик РУД показывает 0 ошибок. (сегодня попробую еще один датчик так же на 10 см от контроллера подключить, вдруг что то изменится). Изменено 12 сентября 2017 пользователем Johnet
=FA=CATFISH Опубликовано: 12 сентября 2017 Опубликовано: 12 сентября 2017 (изменено) =FA=CATFISH Если ничего не поможет так и сделаю, но уже то что есть сейчас в какой то мере устраивает. Komaroff Контроллер в РУДе на нем подтяжка MISO 10КОм и CS 10КОм, конденсаторы фильтры питания 0,1 и 10 мкФ (далее номиналы только подтяжки линии MISO, все остальное аналогично) . На 10 см проводах МГТФ 0,2 подключен датчик РУД (10КОм), от контроллера проводом МГТФ 0,2 5 см, подпаян разъем DB-9, от него через 2 м кабеля КСПВ 10*0,5 (не витая пара, просто параллельно расположенные провода, см выше мои мытарства с проводами), через разъем DB-9 и еще 5 см МГТФ 0,2 расположен датчик РН (10КОм подтяжка) (на нем выполнено разветвление для датчиков тормозов), Датчики тормозов (10КОм подтяжка) подключены к плате датчика РН витой парой 50 см. Если нужно графическое изображение всего этого безобразия, то могу нарисовать, но позже. Перетасовка жил витой пары в свое время ни к чему не приводила... На данный момент датчики педалей работают отлично, датчик РУД показывает до 10 ошибок связи, при отключении педалей датчик РУД показывает 0 ошибок. (сегодня попробую еще один датчик так же на 10 см от контроллера подключить, вдруг что то изменится). О сколько нам открытий чудных, готовит просвещенья дух, и опыт сын ошибок трудных, и гений парадоксов друг. (с) наше все все все.... Тебя в твоих исследованиях различных проводов на предмет передачи высокочастотных сигналов, влияния на них паразитных емкостей и волновых эффектов в изолированых проводниках спасут синхронные регистры )). Ну или еще возможно - кодирование с помощью частотной модуляции. )))) Изменено 12 сентября 2017 пользователем =FA=CATFISH
Johnet Опубликовано: 13 сентября 2017 Опубликовано: 13 сентября 2017 =FA=CATFISH Это вы с кем щас??? А вообще, исследования не являются самоцелью.
Venor Опубликовано: 16 сентября 2017 Опубликовано: 16 сентября 2017 Заинтересовал меня усилитель для стиков от PS3. Испытал его с MCP3202. Получилось шикарно. Теперь можно избавиться от среза значений по диагональным направлениям без ощутимых потерь точности (программно или механически). З.Ы. В ИЛе стик действительно не особо нужен, если с трекером летаешь. А для доп. осей в ED - то что доктор прописал. PS3_stick_4pin+mcp3202+LM358.zip
1/SG2_Ganeshka Опубликовано: 16 сентября 2017 Опубликовано: 16 сентября 2017 Добрый день , подскажите пожалуйста , как сделать Arduino pro micro снова стоковым ? как удалить прошивку с него ?
Sokol1 Опубликовано: 16 сентября 2017 Опубликовано: 16 сентября 2017 Hi guys, How set encoder to work a s "virtual axis" in MMjoy2?
capitanblood Опубликовано: 16 сентября 2017 Опубликовано: 16 сентября 2017 (изменено) Заинтересовал меня усилитель для стиков от PS3. Испытал его с MCP3202. Получилось шикарно. Теперь можно избавиться от среза значений по диагональным направлениям без ощутимых потерь точности (программно или механически). Вопрос у меня, однако, у Вас этот усилитель LM358 выдает значения в диапазоне 0-5 Вольт. Я собственно чего спрашиваю, оживляю тензокнюппель ДН-10М, так вот этот усилитель у меня выдает значения 1,5-3,5 Вольт. Может кто посоветует оушку с аналогичным расположением контактов LM358 (заново разводку делать и травить не хочу) но чтоб выход был 0-5 Вольт. Надеюсь корректно объяснил. Изменено 16 сентября 2017 пользователем capitanblood
Krysnic Опубликовано: 16 сентября 2017 Опубликовано: 16 сентября 2017 Hi guys, How set encoder to work a s "virtual axis" in MMjoy2? 1 choose the axis 2 precision 3 choose the buttons. it is necessary to specify the button return to center. The latest version of the program had a bug, virtual axis worked only if you select 8 or 10 bit dont remember.
=FA=CATFISH Опубликовано: 16 сентября 2017 Опубликовано: 16 сентября 2017 (изменено) Вопрос у меня, однако, у Вас этот усилитель LM358 выдает значения в диапазоне 0-5 Вольт. Я собственно чего спрашиваю, оживляю тензокнюппель ДН-10М, так вот этот усилитель у меня выдает значения 1,5-3,5 Вольт. Может кто посоветует оушку с аналогичным расположением контактов LM358 (заново разводку делать и травить не хочу) но чтоб выход был 0-5 Вольт. Надеюсь корректно объяснил. Коэффициент усиления с помощью обратной связи изменял?? Увеличивая номинал R4 - увеличиваешь коэффициент усиления Изменено 16 сентября 2017 пользователем =FA=CATFISH
capitanblood Опубликовано: 16 сентября 2017 Опубликовано: 16 сентября 2017 Коэфициент усиления с помощью обратной связи изменял?? Сигнал усиливается в 401 раз кажется. К усилителю подключается мост витстона, тензорезисторы изменяются в пределах 0,3 Ом в каждую сторону, т.е. суммарно 0,6 Ом. При обозначенном усилении получается приемлемая чувствительность, но сигнал режется в этих пределах. Схему я сейчас не выложу, сижу на пляжу в отпуске. Где-то читал что при питании +5 Вольт этот усилок будет сигнал выдавать именно в этих пределах. Говорилось что либо нужен усилок с двухполюсным питанием, либо более качественный.
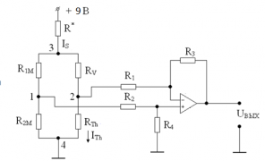
=FA=CATFISH Опубликовано: 16 сентября 2017 Опубликовано: 16 сентября 2017 (изменено) Сигнал усиливается в 401 раз кажется. К усилителю подключается мост витстона, тензорезисторы изменяются в пределах 0,3 Ом в каждую сторону, т.е. суммарно 0,6 Ом. При обозначенном усилении получается приемлемая чувствительность, но сигнал режется в этих пределах. Схему я сейчас не выложу, сижу на пляжу в отпуске. Где-то читал что при питании +5 Вольт этот усилок будет сигнал выдавать именно в этих пределах. Говорилось что либо нужен усилок с двухполюсным питанием, либо более качественный. Для моста нужна примерно вот такая схема подключения А пока что у тебя работает только одно плечо моста Изменено 16 сентября 2017 пользователем =FA=CATFISH
capitanblood Опубликовано: 16 сентября 2017 Опубликовано: 16 сентября 2017 (изменено) Для моста нужна примерно вот такая схема подключения 6c257cc6d715.png А пока что у тебя работает только одно плечо моста Со схемой у меня все гут, как приеду домой опубликую. Сигнал выдается как и задумано, просто получается что придется его программно растягивать в два раза. Оно конечно не проблема, для микростика этой точности более чем достаточно, просто интересно как это улучшить аппаратно. Изменено 16 сентября 2017 пользователем capitanblood
=FA=CATFISH Опубликовано: 16 сентября 2017 Опубликовано: 16 сентября 2017 Со схемой у меня все гут, как приеду домой опубликую. Сигнал выдается как и задумано, просто получается что придется его программно растягивать в два раза. Оно конечно не проблема, для микростика этой точности более чем достаточно, просто интересно как это улучшить аппаратно. Если не ошибаюсь - следует искать ОУ с более низким входным током утечки
MYCYJIbMAHUH Опубликовано: 17 сентября 2017 Опубликовано: 17 сентября 2017 Гуру,этот датчик подойдёт для джойстика(рус с твистом) ? https://ru.aliexpress.com/item/MLX90333-module-handle-joystick-sensor-absolute-position-digital-three-dimensional
=FA=CATFISH Опубликовано: 17 сентября 2017 Опубликовано: 17 сентября 2017 Гуру,этот датчик подойдёт для джойстика(рус с твистом) ? https://ru.aliexpress.com/item/MLX90333-module-handle-joystick-sensor-absolute-position-digital-three-dimensional Недавно где-то видел ссыль на YOUTUBE. Там в ролике тестируется этот датчик.
Krysnic Опубликовано: 17 сентября 2017 Опубликовано: 17 сентября 2017 Гуру,этот датчик подойдёт для джойстика(рус с твистом) ? https://ru.aliexpress.com/item/MLX90333-module-handle-joystick-sensor-absolute-position-digital-three-dimensional https://forum.il2sturmovik.ru/topic/4664-mmjoy2-besplatnaya-proshivka-i-soft-dlya-samodelnogo-k/?p=547150
MYCYJIbMAHUH Опубликовано: 17 сентября 2017 Опубликовано: 17 сентября 2017 https://forum.il2sturmovik.ru/topic/4664-mmjoy2-besplatnaya-proshivka-i-soft-dlya-samodelnogo-k/?p=547150 Ок.Спасибо.Как-то пропустил этот пост. Ну а ось Z есть на датчике ?
RenderG Опубликовано: 18 сентября 2017 Опубликовано: 18 сентября 2017 В этом датчике только выхода Х и У.
=VIRPIL=mega_mozg_13 Опубликовано: 18 сентября 2017 Автор Опубликовано: 18 сентября 2017 (изменено) возврат платы в режим ардуино полученный HEX заливаем в плату любым доступным способом (обычно временная папка будет "C:\Windows\Temp\", в моем же примере "Z:\Temp") Изменено 18 сентября 2017 пользователем mega_mozg_13
Vit04 Опубликовано: 22 сентября 2017 Опубликовано: 22 сентября 2017 (изменено) Здравствуйте Уважаемые форумчане. Собираю joy на Pro Micro. Собраны 2 платы для кнопок на 5 (2+3) регистрах 74HC165. 16 кнопок в РУС и 24 кнопки в РУД. Так вот возникли вопросы: 1) В MMJoySetup работают все 40 кнопок. А в WIN10 свойствах MMJ-reset видно только 32 кнопки и хатка, или WIN просто не отображает последние 8 кнопок? 2) Как в MMJoySetup добавить 2-ю хатку? Заранее спасибо за ответ. Изменено 22 сентября 2017 пользователем Vit04
=V=Heromant Опубликовано: 22 сентября 2017 Опубликовано: 22 сентября 2017 Винда отрабатывает до 64х кнопок точно, несмотря на то, что в стандартной калибровке отображаются только 32.
Krysnic Опубликовано: 22 сентября 2017 Опубликовано: 22 сентября 2017 Здравствуйте Уважаемые форумчане. Собираю joy на Pro Micro. Собраны 2 платы для кнопок на 5 (2+3) регистрах 74HC165. 16 кнопок в РУС и 24 кнопки в РУД. Так вот возникли вопросы: 1) В MMJoySetup работают все 40 кнопок. А в WIN10 свойствах MMJ-reset видно только 32 кнопки и хатка, или WIN просто не отображает последние 8 кнопок? 2) Как в MMJoySetup добавить 2-ю хатку? Заранее спасибо за ответ. Работу кнопок смотрите в VKB button tester. А вторая хатка рядом же, галочку поставить и кнопки указать.
Vit04 Опубликовано: 22 сентября 2017 Опубликовано: 22 сентября 2017 Работу кнопок смотрите в VKB button tester. А вторая хатка рядом же, галочку поставить и кнопки указать. sdfgfsdfds.JPG У меня нет галочек. Версия вроде последняя 20161101
Krysnic Опубликовано: 22 сентября 2017 Опубликовано: 22 сентября 2017 У меня нет галочек. Версия вроде последняя 20161101 Здесь уже убрали, я использую раннюю версию так как там есть маппер. Если надо две хатки можно поставить ранний софт, разницы то по сути нет.
Vit04 Опубликовано: 22 сентября 2017 Опубликовано: 22 сентября 2017 (изменено) Здесь уже убрали, я использую раннюю версию так как там есть маппер. Если надо две хатки можно поставить ранний софт, разницы то по сути нет. Версия прошивки не соответствует. Изменено 22 сентября 2017 пользователем Vit04
Рекомендованные сообщения
Создайте аккаунт или войдите в него для комментирования
Вы должны быть пользователем, чтобы оставить комментарий
Создать аккаунт
Зарегистрируйтесь для получения аккаунта. Это просто!
Зарегистрировать аккаунтВойти
Уже зарегистрированы? Войдите здесь.
Войти сейчас