Sorro79 Опубликовано: 29 ноября 2021 Опубликовано: 29 ноября 2021 Дорый день. Не у кого случаем не сохранилась программа для настройки эффектов ффб в старичке . Федит или как то так . Ссылку где скачать киньте пожалуйста. Найти не где не могу...
l3VGV Опубликовано: 29 ноября 2021 Опубликовано: 29 ноября 2021 30 минут назад, Sorro79 сказал: Дорый день. Не у кого случаем не сохранилась программа для настройки эффектов ффб в старичке . Федит или как то так . Ссылку где скачать киньте пожалуйста. Найти не где не могу... Много где валяется, если эта fedit.zip
Sorro79 Опубликовано: 6 декабря 2021 Опубликовано: 6 декабря 2021 https://www.avito.ru/moskva/tovary_dlya_kompyutera/dzhoystik_aviatsionnyy_s_obratnoy_svyazyu_2240305194?utm_campaign=native&utm_medium=item_page_android&utm_source=soc_sharing Немного не по теме но хороший вариант. За недорого . Опять же кладезь запчастей (моторы и пр.) Жаль только самовывоз.
Z_is_dead Опубликовано: 14 декабря 2021 Опубликовано: 14 декабря 2021 Извиняюсь за нубский вопрос. Я правильно понимаю что сменить ручку на MSFFB 2 можно только пересадив контроллер от донора ручки? И в результате будет 2 USB кабеля и 2 джойстика в системе, один с осями, другой с кнопками на РУСе?
MYCYJIbMAHUH Опубликовано: 14 декабря 2021 Опубликовано: 14 декабря 2021 Только что, Mikelug сказал: Извиняюсь за нубский вопрос. Я правильно понимаю что сменить ручку на MSFFB 2 можно только пересадив контроллер от донора ручки? И в результате будет 2 USB кабеля и 2 джойстика в системе, один с осями, другой с кнопками на РУСе? Да.Проще всего левую ручку повесить на Ардуино про микро.Из корпуса джойстика будет выходить на один провод USB больше.
HeXyaH Опубликовано: 14 декабря 2021 Опубликовано: 14 декабря 2021 (изменено) 13 часов назад, Mikelug сказал: Я правильно понимаю что сменить ручку на MSFFB 2 можно только пересадив контроллер от донора ручки? И в результате будет 2 USB кабеля и 2 джойстика в системе, один с осями, другой с кнопками на РУСе? Нет - плата ручки у него достаточно простая, а контроллер для кноп использует диодную матрицу. Так что (почти) любую ручку от джоя с контроллером с диодной матрицей можно поставить. Но если на ручке кноп больше, чем у МСФФБ2 - то работать будут не все ... Если контроллер джоя использует сдвиговые регистры (TM, VKB, Virpil и т.п.) - то только с контроллером. Изменено 14 декабря 2021 пользователем =RNN=HeXyaH
Z_is_dead Опубликовано: 17 декабря 2021 Опубликовано: 17 декабря 2021 И еще нубский вопрос: Разбираюсь с FFB эффектами в игре, настройки такие: тряска 100%, сила 70%, FFB включен. Загрузка джоя изменяется в зависимости от режима полета и работает вроде бы нормально, но единственный эффект, который у меня есть - это тряска при движении по полосе. Ни тряски при сваливании ни отдачи при стрельбе - ничего этого нет. Пробовал менять значения: при 100% силы исчезает даже тряска на полосе, при остальных значениях меняется только загрузка джоя, на эффекты это не влияет. результата от изменения значений тряски не заметил вообще, может чуть слабее трясется джой при разгоне по полосе, но новых эффектов опять же не увидел. Куда мне копать?
Z_is_dead Опубликовано: 18 декабря 2021 Опубликовано: 18 декабря 2021 17.12.2021 в 13:46, Mikelug сказал: И еще нубский вопрос: Разбираюсь с FFB эффектами в игре, настройки такие: тряска 100%, сила 70%, FFB включен. Загрузка джоя изменяется в зависимости от режима полета и работает вроде бы нормально, но единственный эффект, который у меня есть - это тряска при движении по полосе. Ни тряски при сваливании ни отдачи при стрельбе - ничего этого нет. Пробовал менять значения: при 100% силы исчезает даже тряска на полосе, при остальных значениях меняется только загрузка джоя, на эффекты это не влияет. результата от изменения значений тряски не заметил вообще, может чуть слабее трясется джой при разгоне по полосе, но новых эффектов опять же не увидел. Куда мне копать? UPD Нашел решение https://forum.il2sturmovik.com/topic/9700-force-feedback-improved/?do=findComment&comment=256367 Эффект тряски от езды по полосе правда стал нереально сильным, при взлете РУС из рук вырывается, но зато все остальные эффекты явно чувствуются.
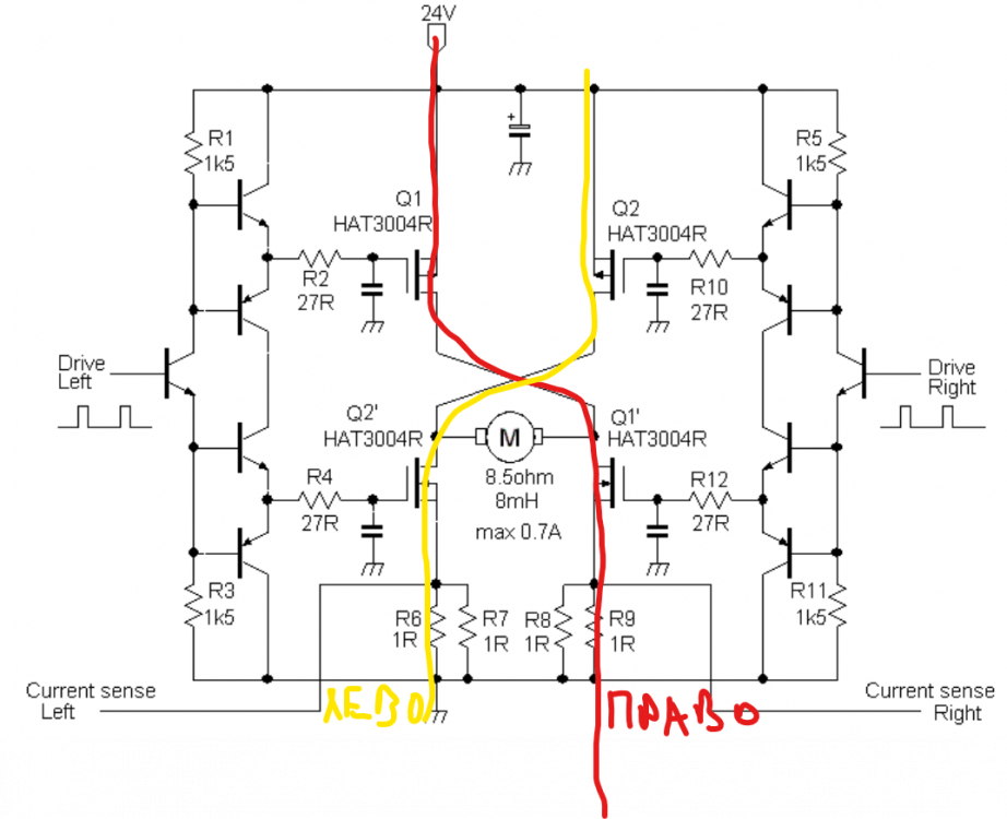
Z_is_dead Опубликовано: 21 декабря 2021 Опубликовано: 21 декабря 2021 Добавил по 2 резистора чтобы усилить обратку, в результате из джойстика начал доноситься громкий противный писк. Убрал лишние резисторы и оставил только родные. Но после этого пропал фидбек на половине оси У. «От себя» все работает нормально, а «на себя» ручка просто падает и все. Не очень понимаю с чем это связано, ведь один мотор отвечает за всю ось. Может кто-то знает как это починить?
Harh Опубликовано: 22 декабря 2021 Опубликовано: 22 декабря 2021 5 часов назад, Mikelug сказал: в результате из джойстика начал доноситься громкий противный писк. Скорее всего это тот писк, который всегда есть и был, просто он тихий был и не был заметен. Он появляется, когда мы "замыкаем" датчик на рукоятке и подается питание на моторы. Проблема скорее всего в том, что нарушился контакт при перепайках - видимо там линии питания отдельно на разные "стороны", на одной его сейчас нет. Но это я предполагаю.
sergeype Опубликовано: 22 декабря 2021 Опубликовано: 22 декабря 2021 5 часов назад, Mikelug сказал: Не очень понимаю с чем это связано, ведь один мотор отвечает за всю ось. Привод каждого из из моторов- мостом, раздельно для каждого направления, поэтому при нарушении контакта мотор запросто может не работать в одну из сторон. Вот подробное описание. Simprojects.nl.zip
l3VGV Опубликовано: 22 декабря 2021 Опубликовано: 22 декабря 2021 (изменено) 1 час назад, sergeype сказал: Привод каждого из из моторов- мостом, раздельно для каждого направления, поэтому при нарушении контакта мотор запросто может не работать в одну из сторон. Мотор действительно накачивается мостом, но вот нарушение именно контакта врятли приведет к поломке. Нужно смотреть на повреждения половинок моста, куда доходит управляющий PWM Цветом более понятно что имеется в виду. Удивительное дело, много кто пытается "повысить ток" модом резисторов - убивают платы. У когото полностью одна из осей дохнет(в симпит дискорде один гражданин из британии убил 2 подряд, причем с одинаковыми симптомами), но вот так чтобы половина, это ещё любопытнее. Полагаю статикой убивают мосфеты. Изменено 22 декабря 2021 пользователем l3VGV
Z_is_dead Опубликовано: 22 декабря 2021 Опубликовано: 22 декабря 2021 2 часа назад, Harh сказал: Скорее всего это тот писк, который всегда есть и был, просто он тихий был и не был заметен. Он появляется, когда мы "замыкаем" датчик на рукоятке и подается питание на моторы. Проблема скорее всего в том, что нарушился контакт при перепайках - видимо там линии питания отдельно на разные "стороны", на одной его сейчас нет. Но это я предполагаю. Да, я прислушался - тихий писк есть даже на одном родном резисторе. Это можно как-то победить? Или проще искать донора? Сегодня попробую пропаять контакты в родных резисторах. Возможно, снимая лишние, я где-то нарушил контакт, хотя визуально этого не видно. 54 минуты назад, l3VGV сказал: Полагаю статикой убивают мосфеты. Не знаете какие нужны на замену если что?
l3VGV Опубликовано: 22 декабря 2021 Опубликовано: 22 декабря 2021 HAT3004R 7 минут назад, Mikelug сказал: Да, я прислушался - тихий писк есть даже на одном родном резисторе. Это можно как-то победить? Это особенность работы. Побеждать не нужно.
Z_is_dead Опубликовано: 22 декабря 2021 Опубликовано: 22 декабря 2021 Спасибо за советы. Оказалось что капля припоя попала на очень мелкое сопротивление рядом с местом пайки. Почистил это место и все заработало. 1
Z_is_dead Опубликовано: 28 июня 2022 Опубликовано: 28 июня 2022 Приколхозил к своему MSFFB ручку кабана. После добавления 3 резисторов усилие на ручке вполне нормальное, и двигается она достаточно плавно. Но есть одна проблема - одной из идей было приколхозить и 3d холл от кабана, он как раз отлично встает без модификации механики. Датчик поставил и собрал, но откалибровать кабана никак не получается. Варианты: 1) Получается разная центровка у кабана и MSFFB. Следовательно, обратка будет работать неправильно. 2) Центровка у кабана и MSFFB совпадает, но почему-то у кабана ось У работает только процентов на 40. В свою очередь это можно вылечить калибровкой устройства в винде, но все равно ходы будут очень мелкими и опять же - не будут соответствовать обратке. Я правильно понимаю что подружить их не получится и придется пользоваться осями с родны[ датчиков MSFFB?
sergeype Опубликовано: 28 июня 2022 Опубликовано: 28 июня 2022 4 часа назад, Z_is_dead сказал: Центровка у кабана и MSFFB совпадает, но почему-то у кабана ось У работает только процентов на 40. В свою очередь это можно вылечить калибровкой устройства в винде, но все равно ходы будут очень мелкими и опять же - не будут соответствовать обратке. Попробуйте калиброваться штатной утилитой от кабана (прицеплена). TM Joystick Calibration tool 1.13.zip
Z_is_dead Опубликовано: 28 июня 2022 Опубликовано: 28 июня 2022 2 минуты назад, sergeype сказал: Попробуйте калиброваться штатной утилитой от кабана (прицеплена). TM Joystick Calibration tool 1.13.zip 852 \u041a\u0431 · 0 скачиваний Да, я именно её и использовал. Или сбивается центровка, что критично. Или получаются очень короткие хода и приходится играться насыщением. В идеале хотелось бы все-таки получить обратку от MSFFB и точность от кабана.
sergeype Опубликовано: 28 июня 2022 Опубликовано: 28 июня 2022 24 минуты назад, Z_is_dead сказал: В идеале хотелось бы все-таки получить обратку от MSFFB и точность от кабана. Ну, как вариант, можно поставить в качестве контроллера осей и кнопок MMJoy2 или FreeJoy- и к тому, и к другому ручка кабана подключается напрямую. А если есть желание перейти на бесконтактные датчики, то можно штатные резисторы заменить на датчики на AS5600.
HeXyaH Опубликовано: 28 июня 2022 Опубликовано: 28 июня 2022 37 минут назад, Z_is_dead сказал: ... В идеале хотелось бы все-таки получить обратку от MSFFB и точность от кабана. Много кому хотелось бы ... Но совместить цифровой 2-х осевой датчик холла кабана с контроллером МСФФБ2, имеющим аналоговые входы осей, ещё никому не удалось ... Но - как по мне, если поставить МСФФБ2 на подшипники и устранить люфты - его точности вполне достаточно (там реально получается около 700-800 отсчётов из 1024). По вертикали русом обычно вообще редко шевелят на всю амплитуду ... Больше напрягает его слегка заторможенный отклик из-за RC-фильтров осей на входе в контроллер, и электронная мёртвая зона в центре ... 1
Z_is_dead Опубликовано: 28 июня 2022 Опубликовано: 28 июня 2022 39 минут назад, =RNN=HeXyaH сказал: Много кому хотелось бы ... Но совместить цифровой 2-х осевой датчик холла кабана с контроллером МСФФБ2, имеющим аналоговые входы осей, ещё никому не удалось ... Но - как по мне, если поставить МСФФБ2 на подшипники и устранить люфты - его точности вполне достаточно (там реально получается около 700-800 отсчётов из 1024). По вертикали русом обычно вообще редко шевелят на всю амплитуду ... Больше напрягает его слегка заторможенный отклик из-за RC-фильтров осей на входе в контроллер, и электронная мёртвая зона в центре ... Я понимаю, я датчик с кабана на его же контроллер и ставил. Просто думал что его можно откалибровать так, чтобы оси с датчика кабана и оси МСФФБ двигались +- одинаково.
HeXyaH Опубликовано: 29 июня 2022 Опубликовано: 29 июня 2022 9 часов назад, Z_is_dead сказал: Я понимаю, я датчик с кабана на его же контроллер и ставил. Просто думал что его можно откалибровать так, чтобы оси с датчика кабана и оси МСФФБ двигались +- одинаково. Даже если тебе удастся их засинхронизировать - игра не будет брать данные для расчёта фидбэка с МСФФБ2, а для управления/стрельбы - с кабана: т.е. она будет видеть 2 отдельных джоя, и придётся выбирать - либо фидбэк, либо - "супер" точность. Так чта продолжаем ждать успешного завершения проекта "народный фидбэк". 1
Graphene Опубликовано: 31 августа 2022 Опубликовано: 31 августа 2022 (изменено) 29.06.2022 в 00:48, Z_is_dead сказал: Я понимаю, я датчик с кабана на его же контроллер и ставил. Просто думал что его можно откалибровать так, чтобы оси с датчика кабана и оси МСФФБ двигались +- одинаково. 29.06.2022 в 10:16, =RNN=HeXyaH сказал: Даже если тебе удастся их засинхронизировать - игра не будет брать данные для расчёта фидбэка с МСФФБ2, а для управления/стрельбы - с кабана: т.е. она будет видеть 2 отдельных джоя, и придётся выбирать - либо фидбэк, либо - "супер" точность. Так чта продолжаем ждать успешного завершения проекта "народный фидбэк". Пустая трата времени, инфа сотка. Не мучайте себя) Я уже пол года "пытаюсь" что-то там найти в мсффб2, но как померял там 0,5 кило на ручке, так и забил. В качестве информации да, ффб бесценен. Но люфты шестеренчатой передачи убивают напрочь всё это дело. Там в самом маятнике, или если хотите гимбале, люфты накапливаются большие. Можно держать ручку ровно, но в середине нет усилия и самолёт будет лететь как-бы волнообразно. Под нагрузкой да, можно кое как там что-то летать, даже перекручивать за счёт отдачи не срывая крыло. Но как уже сказали выше, народный фидбек даст тяжелую ручку в центре, что в 100500 раз улучшит пилотирование на каких-то критических режимах. Например мне часто на серваках нужно летать 0-5-10 метров у земли. С люфтами 5-10 метров на перекладке через мертвый центр проскакивается через 0,00001 секунду т.е. или сильно вверх, или летишь сразу в землю. Фидбек уже почти завершился, собирать бы пора как-бы) Изменено 31 августа 2022 пользователем Graphene
HeXyaH Опубликовано: 31 августа 2022 Опубликовано: 31 августа 2022 (изменено) 7 часов назад, Graphene сказал: Я уже пол года "пытаюсь" что-то там найти в мсффб2, но как померял там 0,5 кило на ручке, так и забил. В качестве информации да, ффб бесценен. Но люфты шестеренчатой передачи убивают напрочь всё это дело. Там в самом маятнике, или если хотите гимбале, люфты накапливаются большие. Можно держать ручку ровно, но в середине нет усилия и самолёт будет лететь как-бы волнообразно. Дэк давно уже придумали усилие поднимать - до 4 раз безопасно без радиаторов для мосфетов - напайкой резюков ... Под удлинённый шток - самое оно. Люфты гимбала убираются подшипниками и установкой трубы внутрь штока, люфты шестерёнок тоже минимизируются - т.о. можно упереться уже в электронную мёртвую зону. Но и её можно ужать - при желании - схемой Гогоблина. Резюки тоже несложно меняются на датчики Холла. В общем, при не самых больших вложениях (на порядок меньших, чем в случае "народного"), можно получить вполне себе точное и надёжное устройство с очень хорошей реализаций ффб ... С учётом того, сколько этому устройству лет, это просто чудо - что из него ещё можно столько выжать на сегодня ... 7 часов назад, Graphene сказал: ... через 0,00001 секунду т.е. или сильно вверх, или летишь сразу в землю. Про 0,00001 сек - в курсе, какая используется временная дискретность для обсчёта физике в этой игре? Ну и насчёт полётов на 0 метров - про формулу Покрышкина (спёртую из "концепта" Бёльке), наверное слышали? Изменено 31 августа 2022 пользователем =RNN=HeXyaH 1
Magenta Опубликовано: 31 августа 2022 Опубликовано: 31 августа 2022 (изменено) 17 минут назад, =RNN=HeXyaH сказал: Дэк давно уже придумали усилие поднимать - до 4 раз безопасно без радиаторов для мосфетов - напайкой резюков ... Под удлинённый шток - самое оно. Люфты гимбала убираются подшипниками и установкой трубы внутрь штока, люфты шестерёнок тоже минимизируются - т.о. можно упереться уже в электронную мёртвую зону. Но и её можно ужать - при желании - схемой Гогоблина. Остается ещё момент нагрева двигателей, которые приходиться дополнительно охлаждать, ну и всё таки они откровенно слабоваты для удлинителя хотя бы в 15-20 см. а да, ещё характерный свист двигателей под нагрузкой раздражает ... но это уже так Изменено 31 августа 2022 пользователем Magenta
=W4F=Strelok Опубликовано: 6 сентября 2022 Опубликовано: 6 сентября 2022 (изменено) Всем здравствуйте. Долго искал и на аукционе в Японии нашёл джойстик Microsoft FORCE FEEDBACK 2 в ОТС. Шёл больше полугода. Сегодня получил! И очень глупый, наверное, вопрос?Как его подключить-то к наше сети, чтобы не спалить долгожданный раритет? Какой переходник требуется? Помогите пожалуйста! (Дублировал вопрос в теме "Для глупых вопросов" . Кто-то да ответит Изменено 6 сентября 2022 пользователем =W4F=Strelok
89- Опубликовано: 6 сентября 2022 Опубликовано: 6 сентября 2022 1 час назад, =W4F=Strelok сказал: Как его подключить-то к наше сети, чтобы не спалить Поздравляю с отличной покупкой! Подключать чарез простой переходник, джой расчитан на 110-240Вольт и переключается сам. Наклейка на основании должна это упомянать - voltage requirements – 100-240 VAC.
=W4F=Strelok Опубликовано: 6 сентября 2022 Опубликовано: 6 сентября 2022 Спасибо большое. Вот фото.. Не подскажете-кто берётся переделывать на подшипники и холы? Затем хочу скрестить со своей ручкой VKB - MCG, как сделал с G940.
UrriRus Опубликовано: 11 сентября 2022 Опубликовано: 11 сентября 2022 06.09.2022 в 22:18, =W4F=Strelok сказал: Затем хочу скрестить со своей ручкой VKB - MCG, как сделал с G940. А как скрещивал с 940м? Внутренности менял? или шаманил с наличными в МСG?
=W4F=Strelok Опубликовано: 11 сентября 2022 Опубликовано: 11 сентября 2022 (изменено) Привет. Никаких замен и паек внутри G940. В моём случае, ручка MCG от ВКБ с удлинителем 10 см, шток нужно будет пилить под удлинитель , чтобы он оделся на шток. Нижний контакт удлинителя снят и "труба" с верхним контактом "нахлобучивается" на шток. А ручка уже на удлинитель на верхний контакт. Внутри штока и джоя пропускается шлейф на BlackBox, а тот в комп. Получается как 2 отдельных устройства. Оси c FFB- это в моём случае G940, а ручка рулит осями и кнопками через BlackBoks и конфигуратор программируется. Всё просто. Изменено 11 сентября 2022 пользователем =W4F=Strelok
UrriRus Опубликовано: 15 сентября 2022 Опубликовано: 15 сентября 2022 11.09.2022 в 20:49, =W4F=Strelok сказал: Привет. Никаких замен и паек внутри G940. .... Спасибо за инфу, тоже так планирую сделать с MFFB 1
=W4F=Strelok Опубликовано: 10 декабря 2022 Опубликовано: 10 декабря 2022 Итак, MSFFB "поставлен" на подшипники и датчики холла уважаемым =RNN=НеХуаН ! Плюс усилены электромоторы. Отличный бюджетный, долговечный джойстик с FFB. Протестировал в ИЛ2 БЗСС-огонь! Представляю фото сего шедевра. Все вопросы по технологиям не ко мне, а к автору, ибо я дремуч и туп в электронике и в общем, рукожоп в механике:)) Недостаток-нет своего софта под Win10, но он если и нужен, на мой взгляд, то только для ИЛ2 старичка, там нет регулировки силы обратной связи. Может кто знает где копать? В DCS и ИЛ-2 БЗС в настройках есть такая функция. Все джойстики (выше G940) и MSFFB "курсировали Москва-Сибирь ток в путь. Сначала Михаил (К-51) помог "подружить" G949 с ручкой (Blackbox) Gunfighter, затем Всеволод (=RNN=НеХуаН) уже "переоборудованный" MSFFB под ручку GF поставил на новые рельсы. В общем, спасибо нашим умельцам.
=W4F=Strelok Опубликовано: 10 декабря 2022 Опубликовано: 10 декабря 2022 (изменено) Протестировал толком в старичке. Похоже, никакой доп. софт не нужен. Как есть FFB от самого MS отлично. На Кобре с пушки оттдача-красота:)) По моим ощущениям, реализован в игре даже лучше, чем в БЗС. Залп РС и сброс бомб тоже отлично ощущаются. На полосе при разгоне колбасит будь здоров. При увеличении-уменьшении скорости нагрузка на РУС очень адекватно меняется-от болтающейся на минимальной, до очень упругой на высоких. В общем, джой супер. Изменено 10 декабря 2022 пользователем =W4F=Strelok
Sorro79 Опубликовано: 10 декабря 2022 Опубликовано: 10 декабря 2022 Для регулировки эффектов в старичке .есть программа федит. Простая и очень функциональная . (В начале этой страницы ). Позволяет не только корректировать но и создавать свои эффекты. На разбеге сильно колбасит (не реалистично) . я чуть дорабатывал этот момент. Остальное оставил как есть. Тоже хотелось бы удлинить ручку но боюсь сильного падения усилий. Для регулировки эффектов в старичке .есть программа федит. Простая и очень функциональная . (В начале этой страницы ). Позволяет не только корректировать но и создавать свои эффекты. На разбеге сильно колбасит (не реалистично) . я чуть дорабатывал этот момент. Остальное оставил как есть. Тоже хотелось бы удлинить ручку но боюсь сильного падения усилий. Пишу с телефона .сорри. Усиление электродвигателей.много добавляет? Как с надёжностью. Данной дороботки.
=W4F=Strelok Опубликовано: 10 декабря 2022 Опубликовано: 10 декабря 2022 (изменено) Усиление ощутимое, но я не скажу, что оно в разы. Лично для меня более чем достаточно. По надёжности-это со временем, но думаю надёжно:)) Судя по ощущению добротно сработанных "узлов" при перемещения ручки с механикой на подшипниках. Федит есть у меня, но пока с ним не особо разобрался. Может, у кого есть краткое описание основных "манипуляций" в нём. Почему то на G940 он реагирует, например следующие действия Effct-Insert-Spring, ручка как железная, а в MS обратка пропадает? а на MS просто отключает обратку, Стоит свернуть окно Fedit, или даже открыть любое окно браузер, папку ли поверх окна Fedbt-обратка восстанавливается. Пока не могу понять причины. Изменено 10 декабря 2022 пользователем =W4F=Strelok
Sorro79 Опубликовано: 10 декабря 2022 Опубликовано: 10 декабря 2022 У меня федит с мсффб2 все работает. Инструкции нет . Там все более-менее понятно. Открываеш эффект . Можно воспроизвести для пробы. Другой кнопкой открываются параметры. Сила , длительность,константа. Настраиваем .проигрываем. сохраняем . Вставляем в папку .играем. хотя бывают проблемы один файл отвечает за два эффекта. В общем надо тестить ,пробовать. Раньше на сухом и других профильных форумах выкладывали свои изменённые файлы ффб. То есть можно найти готовое решение. Если не охота самому ковыряться. Слетает ффб . При альттабе ,попробуйте поменять юсб разъем. (В смысле подключиться в другой.) Очень хорошая реализация ффб в бзб. Не знаю где файлы в стимовской версии. Перекинуть бы их на старичок.. (если они конечно в то же формате). 1
Рекомендованные сообщения
Создайте аккаунт или войдите в него для комментирования
Вы должны быть пользователем, чтобы оставить комментарий
Создать аккаунт
Зарегистрируйтесь для получения аккаунта. Это просто!
Зарегистрировать аккаунтВойти
Уже зарегистрированы? Войдите здесь.
Войти сейчас