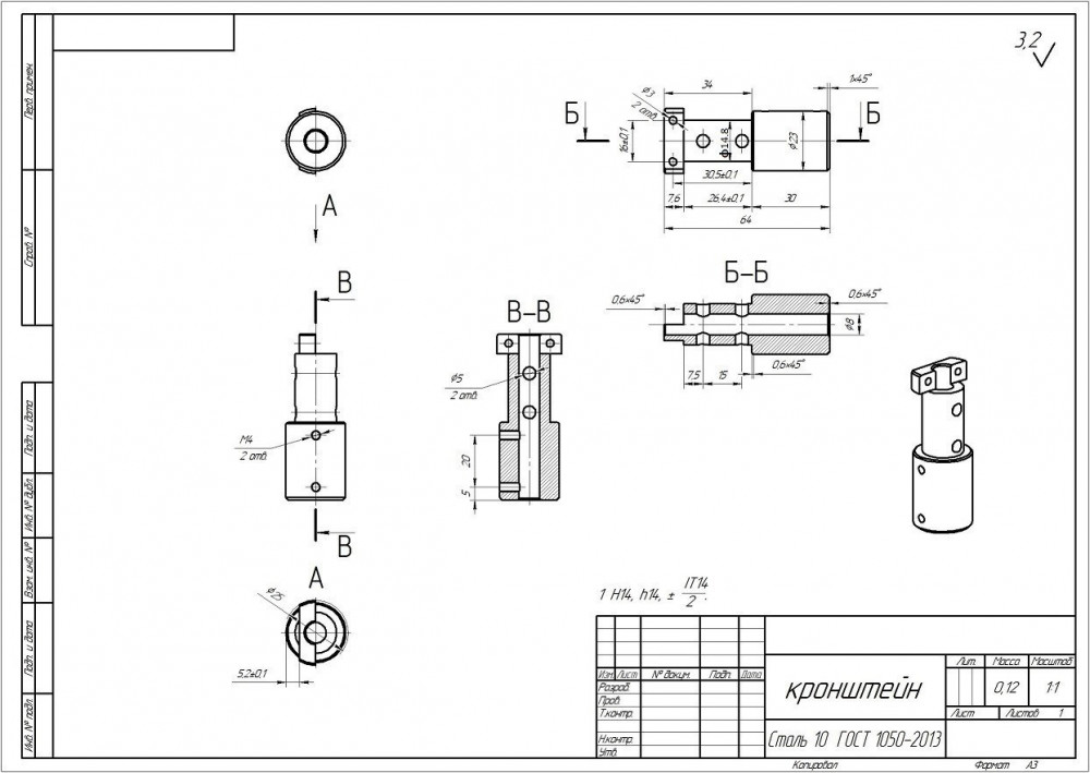
MYCYJIbMAHUH Опубликовано: 4 апреля 2020 Опубликовано: 4 апреля 2020 (изменено) Кто нибудь пробовал печатать на 3D принтере такой кронштейн? Построил такой,но не имею принтера. шток.rar Изменено 4 апреля 2020 пользователем MYCYJIbMAHUH
-DED-Jorji Опубликовано: 4 апреля 2020 Опубликовано: 4 апреля 2020 Особой сложности не представляет. Печатается нормально. Может потребоваться легкая обработка поверхностей шкуркой и отверстий, перпендикулярных оси штока, сверлом.
MYCYJIbMAHUH Опубликовано: 4 апреля 2020 Автор Опубликовано: 4 апреля 2020 1 минуту назад, Jorji сказал: Особой сложности не представляет. Печатается нормально. Может потребоваться легкая обработка поверхностей шкуркой и отверстий, перпендикулярных оси штока, сверлом. Верхняя часть нагрузки выдержит?Верх на вид хлипкий.
Harh Опубликовано: 4 апреля 2020 Опубликовано: 4 апреля 2020 3 часа назад, MYCYJIbMAHUH сказал: Верхняя часть нагрузки выдержит?Верх на вид хлипкий. Вопрос хороший - при нагрузке может АБС по слоям разодрать. Можно попробовать PETGом напечатать. Не знаю, лучше это будет или нет, но у него спекаемость слоев очень хорошая. А так в печати проблемным быть не должен.
l3VGV Опубликовано: 4 апреля 2020 Опубликовано: 4 апреля 2020 разорвет как не печатай. я показывал как надо делать переходники в свой ветке. или нет? показывал Красном обозначил куда внутрю вставить дополнительный силовой элемент. Подходит любая трубка. Я не знаю вашего случая, но алюминий подходящих размеров наверняка найдется и во внутреннему и по внешнему. Прочности у люминя тут хватит с головой. А на пластик останется точно передать внешние поверхности, что там у вас должно на них одеваться.
2./SG2_Semyon- Опубликовано: 4 апреля 2020 Опубликовано: 4 апреля 2020 Я подобный для крепления ручки MCG на подстульник BRD у токаря заказывал. Только с гайкой как у ручек трастмастер и VPC. Ушки сверху могут не выдержать. Могу распечатать из petg. Только отправить пока не смогу. В г. Краснодар ввели пропуска для поездки на автомобиле?
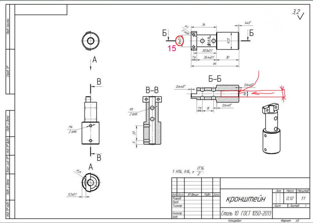
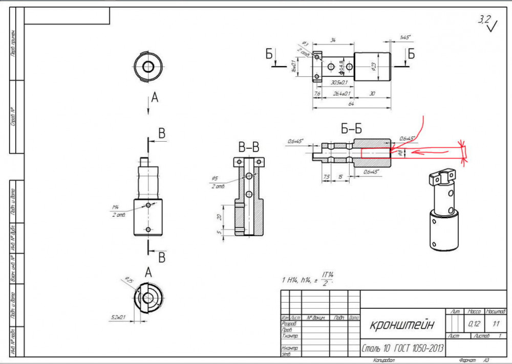
Johnet Опубликовано: 5 апреля 2020 Опубликовано: 5 апреля 2020 (изменено) 20 часов назад, MYCYJIbMAHUH сказал: Кто нибудь пробовал печатать на 3D принтере такой кронштейн? На всякий случай: На чертеже справа вверху, диаметр тонкой части не 16, а 15 мм. 16 мм ошибочно были поставлены, т.к. на моем экземпляре рукоятки MCG Pro на шток, зачем то, была дополнительно намотана тефлоновая лента. А что, этот кронштейн и для Космосимы подойдет? Изменено 5 апреля 2020 пользователем Johnet
MYCYJIbMAHUH Опубликовано: 5 апреля 2020 Автор Опубликовано: 5 апреля 2020 (изменено) 3 часа назад, Johnet сказал: На всякий случай: На чертеже справа вверху, диаметр тонкой части не 16, а 15 мм. 16 мм ошибочно были поставлены, т.к. на моем экземпляре рукоятки MCG Pro на шток, зачем то, была дополнительно намотана тефлоновая лента. А что, этот кронштейн и для Космосимы подойдет? Между центрами отверстий нужно 15 мм,я правильно понял? Знакомый обратился что ему нужен переходник для ручки космосимы.Я если честно вообще представления не имею что за космосима и какая там ручка,кто их делает.Знаю только что цена у тех ручек как у сбитого боинга,потому и не интересуюсь подобными весщами. Изменено 5 апреля 2020 пользователем MYCYJIbMAHUH 1
Johnet Опубликовано: 5 апреля 2020 Опубликовано: 5 апреля 2020 (изменено) 1 час назад, MYCYJIbMAHUH сказал: Между центрами отверстий нужно 15 мм,я правильно понял? Диаметр тонкой части на чертеже 16 мм, А должна быть 15 мм. Этот чертеж рисовался для MCG. Подойдет ли он для космосимы я не знаю. Изменено 5 апреля 2020 пользователем Johnet
probel Опубликовано: 7 апреля 2020 Опубликовано: 7 апреля 2020 (изменено) по этому чертежу и по просьбе "Небо" делал из металла, к слову сказать, тут не только токарная, но и фрезерная обработка Скрытый текст 05.04.2020 в 07:19, Johnet сказал: На всякий случай: На чертеже справа вверху, диаметр тонкой части не 16, а 15 мм. 16 мм ошибочно были поставлены, т.к. на моем экземпляре рукоятки MCG Pro на шток, зачем то, была дополнительно намотана тефлоновая лента. смотрите по чертежу внимательнее, 16 мм это межцентровое расстояние отверстий диаметром 3 мм, а тот диаметр о котором вы говорите по чертежу 14,8 мм Изменено 7 апреля 2020 пользователем probel 1
Johnet Опубликовано: 7 апреля 2020 Опубликовано: 7 апреля 2020 (изменено) 19 минут назад, probel сказал: смотрите по чертежу внимательнее Точно, ошибся, давно рисовал... У меня токарь как раз не правильно (как я сейчас) чертеж прочитал, пришлось еще 0,5 снимать. В любом случае вопрос совместимости этого штока с Космосимой остается открытым. Изменено 7 апреля 2020 пользователем Johnet
-DED-Ron Опубликовано: 7 апреля 2020 Опубликовано: 7 апреля 2020 Открытый сделаем закрытым. Думаю, из картинок всё станет понятно. Скрытый текст
probel Опубликовано: 7 апреля 2020 Опубликовано: 7 апреля 2020 (изменено) тот кронштейн, который на чертеже, этот кронштейн на сколько мне известно предназначен для ручки MCG Изменено 7 апреля 2020 пользователем probel
Johnet Опубликовано: 7 апреля 2020 Опубликовано: 7 апреля 2020 1 час назад, probel сказал: тот кронштейн, который на чертеже, этот кронштейн на сколько мне известно предназначен для ручки MCG Еще раз, рассею ваши подозрения. Этот чертеж делал я, образцом являлся шток рукоятки MCG. 1
probel Опубликовано: 7 апреля 2020 Опубликовано: 7 апреля 2020 1 минуту назад, Johnet сказал: Еще раз, рассею ваши подозрения. Этот чертеж делал я, образцом являлся шток рукоятки MCG. извините, не знал. в свою очередь могу выразить огромную благодарность за ваш труд и желание помочь тем людям, которые в этом нуждаются.
busel Опубликовано: 7 апреля 2020 Опубликовано: 7 апреля 2020 при печати вертикально однозначно по слоям будет разлом, при печати плашмя и ушки выдержат но надфилем надо будет поработать 1 1
He6o Опубликовано: 13 апреля 2020 Опубликовано: 13 апреля 2020 Всем добра. Могу дома сделать дополнительные фото переходника, который мне сделал probel. На полёты пока времени нет, ручка уже как пол года в полусобранном состоянии лежит.
=VCC=Ghash34 Опубликовано: 14 апреля 2020 Опубликовано: 14 апреля 2020 15 часов назад, He6o сказал: Всем добра. Могу дома сделать дополнительные фото переходника, который мне сделал probel. На полёты пока времени нет, ручка уже как пол года в полусобранном состоянии лежит. И какавы с чаем всем пожалуйста за ваш счет
probel Опубликовано: 27 декабря 2020 Опубликовано: 27 декабря 2020 (изменено) похоже не туда выставил объявление. Изменено 27 декабря 2020 пользователем probel
Рекомендованные сообщения
Создайте аккаунт или войдите в него для комментирования
Вы должны быть пользователем, чтобы оставить комментарий
Создать аккаунт
Зарегистрируйтесь для получения аккаунта. Это просто!
Зарегистрировать аккаунтВойти
Уже зарегистрированы? Войдите здесь.
Войти сейчас