Перейти к публикации
Запуск нового форума ×

Рекомендованные сообщения

Опубликовано:
Только что, Nblg_Magni сказал:

Так и должно быть - вернее это нормально. Если ты подключишь на ось A5 датчик то она не будет/не должна реагировать на движение оси А4. Не нужно назначать ось в конфигураторе которую ты не собираешься подключать - убери назначение. Проверять работу осей нужно только тогда когда все назначенные оси подключены.

Ну подключу холл, посмотрю. Но повышение сигнала приличное было, обычно я такого не замечал.

  • 2 недели спустя...
Опубликовано:

Насчёт светодиодов, пошёл немного дальше и добавил serial port с иммитацией ардуино в SimHub. Это популярная программа у симрейсеров. Там можно добавлять эффекты светодиодам в зависимости от температуры процессора, разных нажатых клавишах, телеметрии из игр и т.д., и объединять их в формулы. Это предрелизная версия, вроде всё работает, но у меня кроме энкодера ничего рядом нет. Светодиоды на пине А10(LED WS2812b) и настройки во вкладке LED/PWM. Выложу на гитхаб через какое-то время, если не найдутся баги.

FreeJoy-1.7.2-prerelease.rar

  • Нравится 1
  • Спасибо! 3
  • Поддерживаю! 1
Опубликовано:
3 часа назад, Reksotiv сказал:

Насчёт светодиодов

что нибудь для одиночных и матрицы одноцветных светиков будет?

Опубликовано:
21 час назад, =VCC=Ghash34 сказал:

что нибудь для одиночных и матрицы одноцветных светиков будет?

А тебе что для них нужно?

Опубликовано:
6 часов назад, Reksotiv сказал:

А тебе что для них нужно?

какие нибудь функции по мимо вкл-выкл

 

Опубликовано:
5 минут назад, =VCC=Ghash34 сказал:

какие нибудь функции по мимо вкл-выкл

у меня мигание есть неопубликованное, включил тумблер/кнопку и светодиод мигает с заданной периодичностью. Добавлю в релизную версию

  • Нравится 1
Опубликовано: (изменено)
11.05.2023 в 04:41, Reksotiv сказал:

мигание

https://cxem.net/beginner/beginner67.php

Схема с изменяемой скважностью.

11.05.2023 в 04:31, =VCC=Ghash34 сказал:

какие нибудь функции

Какие? Мне кажется будет легче, если вы озвучите конкретно.

Изменено пользователем Johnet
Опубликовано:
09.05.2023 в 16:45, Reksotiv сказал:

Насчёт светодиодов, пошёл немного дальше и добавил serial port с иммитацией ардуино в SimHub. Это популярная программа у симрейсеров. Там можно добавлять эффекты светодиодам в зависимости от температуры процессора, разных нажатых клавишах, телеметрии из игр и т.д., и объединять их в формулы. Это предрелизная версия, вроде всё работает, но у меня кроме энкодера ничего рядом нет. Светодиоды на пине А10(LED WS2812b) и настройки во вкладке LED/PWM. Выложу на гитхаб через какое-то время, если не найдутся баги.

FreeJoy-1.7.2-prerelease.rar 4.89 \u041c\u0431 · 5 скачиваний

В этой версии есть какие-то импрувментс для тех, кто не ожидает фичи по светодиодам? Иными словами стоит ли шиться?

Опубликовано: (изменено)
7 часов назад, Johnet сказал:

Схема с изменяемой скважностью

ну через конфигуратор проще будет, как задержка у кнопок, так же и мигание настраивается. Но надо ли это кому-нибудь? Меня симрейсер, переводчик на нем. яз., просил сделать ему, но с поддержкой simhub в этом нет надобности для гонщиков

 

3 часа назад, Graphene сказал:

В этой версии есть какие-то импрувментс для тех, кто не ожидает фичи по светодиодам? Иными словами стоит ли шиться?

добавил светодиоды и энкодеры стали лучше работать, это всё.

Изменено пользователем Reksotiv
  • 2 недели спустя...
Опубликовано:

Объясните пожалуйста как кнопки в оси назначить или оси в кнопки.

На борту две кнопки и две оси назначенные на тормоза.Нужно для вертолётчиков сделать софтом следующее.Выжимаем педаль тормоза но ось работает как кнопка.

Я Вики почитал и перечитал.Потыкал методом тыка,но так и не понял как это сделать.

Опубликовано:
12 минут назад, MYCYJIbMAHUH сказал:

Выжимаем педаль тормоза но ось работает как кнопка.

1. Назначаем и калибруем ось.

2. В окошке "Кнопки из осей" выбираем, сколько кнопок потребуется. При этом новые кнопки появляются в закладке "Кнопки", но туда пока не идем.

3. Тащим движок рядом с окошком, чтобы указать, в каком положении оси сработает кнопка.

4. Переходим к закладке "Кнопки" и назначаем их, как обычно.

 

Опубликовано:

на гифке показал как 2 кнопки добавить. Ползунками Buttons from axes регулируешь на каком значении оси они будут активироваться. В гифке дефолтные значения, первая кнопка активна, когда значение оси Out находится между первым и вторым ползунком, вторая, когда между вторым и третьим.

Скрытый текст

image.thumb.gif.d21bf5d915098d29bf7d97fdbcb694e4.gif

 

  • Спасибо! 1
  • Поддерживаю! 1
Опубликовано:

Причём, автосимах можно использовать и кнопки и саму ось

Опубликовано:

У меня трёхосные педали,две оси тормоза.На стм32 повесил две кнопки диодной матрицей.В конфиге получилось четыре кнопки,потому что два ряда и две колонки.

При включении функции "кнопка в ось",а по обеим осям я ставлю значение "один" появляются дополнительные виртуальные кнопки 5 и 6.Кнопки эти светят зелёным и при отклонении осей тормоза эти кнопки реагируют,становятся красными.

Я не могу понять,как мне привязать физические кнопки к осям.Кнопка 2 на левый тормоз.Кнопка 4 на правый тормоз?

Опубликовано:
2 часа назад, MYCYJIbMAHUH сказал:

На стм32 повесил две кнопки диодной матрицей.

Зачем? FreeJoy (в отличие от MMJoy2) позволяет подключать кнопки без матрицы, напрямую.

 

2 часа назад, MYCYJIbMAHUH сказал:

При включении функции "кнопка в ось"

Это функция "ось в кнопку", а не наоборот. Появляются виртуальные кнопки, срабатывающие в определенных положениях оси. Речь же шла о:

25.05.2023 в 14:53, MYCYJIbMAHUH сказал:

Выжимаем педаль тормоза но ось работает как кнопка.

Как раз это у Вас и получилось.

 

2 часа назад, MYCYJIbMAHUH сказал:

Я не могу понять,как мне привязать физические кнопки к осям.

А это зачем? Что физические кнопки должны делать с осями?

Опубликовано:
3 минуты назад, sergeype сказал:

 

А это зачем? Что физические кнопки должны делать с осями?

Спасибо за помощь.

Как обычно сравниваю фриджой с ммджой2.В ммджой конкретную физическую кнопку назначить в ось более понятно.

В фриджое софт нам дарит виртуальную кнопку.

Опубликовано:
26 минут назад, MYCYJIbMAHUH сказал:

Как обычно сравниваю фриджой с ммджой2.

Ну да, у меня тоже было поначалу?.

Опубликовано:
1 минуту назад, sergeype сказал:

Ну да, у меня тоже было поначалу?.

Конечно виртуальные кнопки значительно упрощают сборку устройства.Физические кнопки можно не устанавливать,как это делается в ммджой2.

 

Опубликовано:
19 часов назад, MYCYJIbMAHUH сказал:

Конечно виртуальные кнопки значительно упрощают сборку устройства.Физические кнопки можно не устанавливать,как это делается в ммджой2.

 

Более того, в свойствах оси ползунки кнопок сделаны под шкалой оси. Вы можете физически подвинуть ось в то положение, где должна перестать или начать срабатывать кнопка и передвинуть в это место ползунок.

  • 2 недели спустя...
Опубликовано: (изменено)

Какая-то странная синяя таблетка попалась. Прошивается СТ-Линком нормально, в винде определяется (W11), а в конфигураторе после подключения несколько раз появляется / исчезает, после чего перестаёт определяться.  При этом в системе по прежнему плата видна, можно просмотреть её параметры и так далее... С другой всё в порядке. Никто не встречался с таким глюком? На всякий пожарный подпаял внешний разъём USB на линии, думал, может встроенный разъём глючный, но нет, без разницы.  Заказал другую, но пока придёт...

Изменено пользователем Relanium
Опубликовано:
46 минут назад, Relanium сказал:

Какая-то странная синяя таблетка попалась. Прошивается СТ-Линком нормально, в винде определяется (W11), а в конфигураторе после подключения несколько раз появляется / исчезает, после чего перестаёт определяться.  При этом в системе по прежнему плата видна, можно просмотреть её параметры и так далее... С другой всё в порядке. Никто не встречался с таким глюком? На всякий пожарный подпаял внешний разъём USB на линии, думал, может встроенный разъём глючный, но нет, без разницы.  Заказал другую, но пока придёт...

 

Однажды такое вылечилось другим USB кабелем.

Опубликовано:
3 часа назад, Relanium сказал:

Какая-то странная синяя таблетка попалась. Прошивается СТ-Линком нормально, в винде определяется (W11), а в конфигураторе после подключения несколько раз появляется / исчезает, после чего перестаёт определяться.  При этом в системе по прежнему плата видна, можно просмотреть её параметры и так далее... С другой всё в порядке. Никто не встречался с таким глюком? На всякий пожарный подпаял внешний разъём USB на линии, думал, может встроенный разъём глючный, но нет, без разницы.  Заказал другую, но пока придёт...

Я таких стм32 полтора десятка купил))),

Опубликовано:
4 часа назад, l3VGV сказал:

 

Однажды такое вылечилось другим USB кабелем.

Да не, и кабели менял, да и припаянный разъём был под тип B.... совершенно без разницы.

2 часа назад, MYCYJIbMAHUH сказал:

Я таких стм32 полтора десятка купил))),

И как то победили сей глюк? )) А то вроде рабочая, а конфигурацию фиг запихнёшь....

Опубликовано:
41 минуту назад, Relanium сказал:

 

И как то победили сей глюк? )) А то вроде рабочая, а конфигурацию фиг запихнёшь....

Никак.Поменял магазин в котором беру типа оригинал.Сорок штук купил.Из десяти использованных одна плата минус. Под увеличением рассмотрел,похоже криво микросхема запаяна,недопаяли короче.

  • 2 недели спустя...
Опубликовано: (изменено)

Sorry, I'm not Russian, so I used Google Translation to write this.

Is it possible to connect the RGB LED to the instanton in FreeJoy to be able to change the color from red to green when using the button as a switch? (as well as VKB Gladiator and other joysticks with an encryption mode)

 

Is it possible to make two mono LEDs constantly burn with a switch. So, if I switch to A, one LED burns and switches to B, the other burns, and the first is turned off, and vice versa?

 

(In FreeJoy, is it possible to connect a RGB LED to a momentary button to be able to change from red to green when using the button as a shift? (just like VKB Gladiator and other joysticks with shift mode)

 

Is it possible to make two mono LED's lit constantly with an on / off switch. So if I switch to A one LED is lit and switch to B the other is lit and the first are off and vice versa?)

Изменено пользователем Stout
Опубликовано: (изменено)
18.06.2023 в 23:25, Stout сказал:

Sorry, I'm not Russian, so I used Google Translation to write this.

Is it possible to connect the RGB LED to the instanton in FreeJoy to be able to change the color from red to green when using the button as a switch? (as well as VKB Gladiator and other joysticks with an encryption mode)

Hi. On that moment there is a simple logic of the software to LED indication... If button pressed - LED can burn, or not to burn (reversed function). It means that you can implement this functions you want... You can read more here:  https://github.com/FreeJoy-Team/FreeJoyWiki

Изменено пользователем Relanium
  • Нравится 1
  • Поддерживаю! 1
Опубликовано: (изменено)
19.06.2023 в 01:25, Stout сказал:

Sorry, I'm not Russian, so I used Google Translation to write this.

Sorry, I can also only use Google translator too.
1. There is no possibility if it is an LED that lights up in a different color when the polarity changes. You need to make some kind of relay circuit.
If LED with a common anode (cathode), then as with ordinary LEDs.
2. Yes.You bind logical buttons to different LEDs and get what you wanted.
3. See point 1.

Скрытый текст

 

 

Изменено пользователем Johnet
  • 3 недели спустя...
Опубликовано:
On 6/26/2023 at 5:07 AM, Johnet said :

Sorry, I can also only use Google translator too.
1. There is no possibility if it is an LED that lights up in a different color when the polarity changes. You need to make some kind of relay circuit.
If LED with a common anode (cathode), then as with ordinary LEDs.
2. Yes.You bind logical buttons to different LEDs and get what you wanted.
3. See point 1.

Thanks for the answers.
Out of curiosity, I tested a two-color red / green LED with two contacts, and it works great when the button is switched.

https://www.aliexpress.com/item/2026232318.html

 

Which relay is suitable for Bluepill 3V or 5V? Recommend a specific relay?

 

Опубликовано: (изменено)
47 минут назад, Stout сказал:

Which relay is suitable for Bluepill 3V or 5V?

It`s not important.

47 минут назад, Stout сказал:

Recommend a specific relay?

Maybe, but I do not know the scheme

 

Друзья! Слабо придумать схему для нашего зарубежного коллеги, что бы при наличии напряжении на одном выводе контроллера на светодиод подавалась прямая полярность, при наличии напряжения на другом - обратная, при отсутствии - ничего не подавалось?! Здорово было бы исключить логические противоречия при наличии сигнала на обоих входных контактах.

Схему включим вики! Разработчику слава и почет, на схеме в Вики упоминание ника )))!

Изменено пользователем Johnet
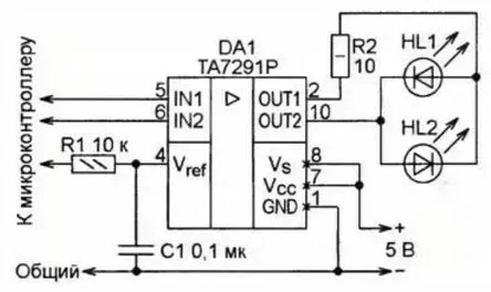
Опубликовано:
14.07.2023 в 18:20, Stout сказал:

Recommend a specific relay?

Look:

max_g480_c12_r4x3_pd10.jpeg.8c6c20ddbfec232235ab32c5cb8875e7.jpeg

Vref - adjusts the brightness

К микроконтроллеру - to the microcontroller

общий - common (gnd)

I have not checked this scheme.

  • Нравится 2
Опубликовано:
19.06.2023 в 01:25, Stout сказал:

Is it possible to make two mono LEDs constantly burn with a switch. So, if I switch to A, one LED burns and switches to B, the other burns, and the first is turned off, and vice versa?

Скрытый текст

 

 

Опубликовано:

Народ, поделитесь идеями кто как решает вопрос с видами из кабины. Ведь надо крутить постоянно головой в кабине и возвращать взгляд на приборы. Идеально , конечно, управлять левой рукой джойстиком на РУДе с кнопкой возврата взгляда на приборы. Благодарю заранее.

Опубликовано:
2 часа назад, Baskervil сказал:

Народ, поделитесь идеями кто как решает вопрос с видами из кабины. Ведь надо крутить постоянно головой в кабине и возвращать взгляд на приборы. Идеально , конечно, управлять левой рукой джойстиком на РУДе с кнопкой возврата взгляда на приборы. Благодарю заранее.

Инерционный трекер. Настолько все интуитивно. И не задействуются руки.

Опубликовано:

Это делать отдельное устройство на GY-85+ ардуинка? Или можно к нашей STM-прикрутить как оси?

Опубликовано:
2 часа назад, Baskervil сказал:

Это делать отдельное устройство на GY-85+ ардуинка?

Я лично пользуюсь только двумя осями.

  • Нравится 1
Опубликовано:
09.05.2023 в 18:45, Reksotiv сказал:

Насчёт светодиодов, пошёл немного дальше и добавил serial port с иммитацией ардуино в SimHub. Это популярная программа у симрейсеров. Там можно добавлять эффекты светодиодам в зависимости от температуры процессора, разных нажатых клавишах, телеметрии из игр и т.д., и объединять их в формулы. Это предрелизная версия, вроде всё работает, но у меня кроме энкодера ничего рядом нет. Светодиоды на пине А10(LED WS2812b) и настройки во вкладке LED/PWM. Выложу на гитхаб через какое-то время, если не найдутся баги.

FreeJoy-1.7.2-prerelease.rar 4.89 \u041c\u0431 · 15 скачиваний

Ого а вот это уже интересно. Что то для нас - симрейсеров. Без симхаба сейчас уже никуда. Нет ли в планах Отвести пару пинов под uart - мост? Или я не знаю как это зовётся правильно, объясню по-своему: В папках симхаб есть интересный скетч для arduino pro micro (arduino micro-bridge), который заставляет её работать джойстиком, после прошивки пины rx tx подключаются к экрану nextion, а остальные в зависимости от того что прописано в коде либо становятся кнопками, либо могут слать ещё и инфу для адресной ленты. Но вот незадача, в представленном там примере даже в режиме матрицы много кнопок не подключить, а если ещё и энкодеры то вообще никак. Моих знаний дописать код конечно же не хватает.  Моя давняя задумка собрать руль с экраном на ОДНОМ контроллере.  Идея с usb-хабом внутри мне никогда не нравилась. Потому делал только приборные панели с парой кнопочек и светодиодным тахометром.

Вопрос 2: Планируется ли внедрение галетных переключателей вместо энкодеров? В отличие от энкодеров они имеют более тугое и тактильно-понятное переключение. Порой в гонке так не хватает этого даже от дорогих энкодеров. Нарыл такую вот схему, предпологается, что по ней попытаться такое провернуть:

-wW-ZSPjsfg.jpg

Опубликовано: (изменено)
9 часов назад, GooGT сказал:

Планируется ли внедрение галетных переключателей вместо энкодеров?

Ну подключение галетных переключателей и сейчас реализовать несложно. Если при переключении галетника в нужное положение должна нажиматься определенная кнопка, то это делается так же как с кнопками. Или другая логика работы?

По приведенной вами схеме можно подключить галетник как ось. При переключении у вас значения оси меняться шагами. Для этого тоже не нужно в прошивке ничего делать. Можно даже подключить галетник по этой схеме как ось и назначить на необходимые интервалы нажатия кнопок. Результат будет как в предыдущем случае, но вы сэкономите на проводах (в первом случае подключается по кол-во кнопок+1 проводами, во втором 3-мя)

Почему это должно быть вместо энкодеров? Или вы хотите подключить галетник, но логика работы должна быть как у энкодера? При переключении в следующее положение нажимается одна кнопка, при переключении в предыдущее другая? Тогда да. Надо придумывать алгоритм. Кстати многие жалуются на неотчетливую работу энкодеров.

Изменено пользователем Johnet
Опубликовано: (изменено)
55 минут назад, Johnet сказал:

Почему это должно быть вместо энкодеров? Или вы хотите подключить галетник, но логика работы должна быть как у энкодера? При переключении в следующее положение нажимается одна кнопка, при переключении в предыдущее другая? Тогда да. Надо придумывать алгоритм. Кстати многие жалуются на неотчетливую работу энкодеров.

 

Да именно по-этому. При вращении галетника в одну сторону - нажимается одна кнопка, при вращении в другую - вторая кнопка. И всё верно. Даже дорогие энкодеры по 200-300р на али порой не способны создать такое усилие. Ось в данном случае не интересует и цель преследуется задействовать как можно меньше проводов. В рулях места и так не особо, а когда к одному элементу идёт больше 3-х проводов, то закрыть корпус порой бывает просто невозможно. А ещё очень легко запутаться в схеме, особенно когда в процессе эксплуатации что то отваливается и ты через год уже не можешь вспомнить как оно было)

Изменено пользователем GooGT
Опубликовано:
14 часов назад, GooGT сказал:

Моя давняя задумка собрать руль с экраном на ОДНОМ контроллере

Не стоит так делать. Поддержка nextion симхабом закончена и он очень неудобен. VoCore с хабом пока единственный вариант. Галетники использовать как энкодеры можно было бы сделать, если бы при переключении на следующий контакт они не прерывали предыдущий, но галетники с али имеют мёртвую зону между переключениями и ось дёргается. Это можно попробовать решить программно, но если вращать с разной скоростью, то возникнут проблемы. Есть два варианта: 1) тугие энкодеры типа Cts288, ещё советовали Bourns PEC11H. 2) вставить энкодер внутрь корпуса галетника, детали распечатать на 3д принтере.

Я дела свой руль, но не закончил с внешним видом, пропал интерес, он так и остался самой первой инженерной версией. Так же начинал с nextion и галетников с резисторами.

Скрытый текст

20220128_212619.thumb.jpg.34c607f4c9dab7f75bea5928b7cf94e2.jpg20220130_175558.thumb.jpg.d472c90ddf2e9ce988def070469685ba.jpg

 

  • Нравится 1
  • Спасибо! 1

Создайте аккаунт или войдите в него для комментирования

Вы должны быть пользователем, чтобы оставить комментарий

Создать аккаунт

Зарегистрируйтесь для получения аккаунта. Это просто!

Зарегистрировать аккаунт

Войти

Уже зарегистрированы? Войдите здесь.

Войти сейчас
×
×
  • Создать...